HARDY / HI HLPT Hermetic Load Point Assembly Tension

The Hardy HI HLPT ADVANTAGE® Series, tension load cells are designed for use on low to medium capacity vessels. Each accurate tension load cell consists of mounting hardware and a stainless steel mV/V and mV/V/ohm matched load sensor with true hermetic sealing, C2® Electronic Calibration capabilities, onboard electronic certs, a ¼ NPT conduit adapter, and twenty feet of cable.

브랜드:

설명

HIHLPT – ADVANTAGE® Low to Mid Range Tension Load Point (225 lbs to 11,250 lbs)

The Hardy HI HLPT ADVANTAGE® Series, tension load cells are designed for use on low to medium capacity vessels. Each tension load cell consists of mounting hardware and a stainless steel mV/V and mV/V/ohm matched load sensor with true hermetic sealing, C2® Electronic Calibration capabilities, onboard electronic certs, a ¼ NPT conduit adapter, and twenty feet of cable.
Each tension load cell assembly is specifically designed  to eliminate the effects of unwanted forces to provide exceptional accuracy. A grounding strap and fixed color code wiring label are provided with each load point. The mounting hardware is available in either stainless or zinc plated steel for capacities up to 4.5K pounds and galvanized steel in higher capacities. The load sensors have an IP rating of IP68/IP69K.
The HI HLPT is available in the following standard capacities: 225 lbs, 450 lbs, 1,125 lbs, 2.25K lbs, 4.5K lbs, and 11.25K lbs.

SPECIFICATIONS HISTH06 HISTH01
Rated Capacity 225/450/1125 lbs 2250/4500/11250 lbs
Rated Output (ES) 2±0.002mV/V 2±0.002mV/V
Max # Verification Int. 3000 3000
Min Verification Int. Emax/10200 Emax/12000
Non-Linearity <±0.0166 % R.O. <±0.0166 % R.O.
Hysteresis <±0.0166 % R.O. <±0.0166 % R.O.
Zero Balance <±5% R.O. <±5% R.O.
Combined Error <±0.02 % R.O. <±0.02 % R.O.
Creep @ 30 Min. <±0.0166 % R.O. <±0.0166% R.O.
Temp Effect Output <±0.0137 % R.O./C <±0.0246% R.O./C
Temp Effect Sensitivity <±0.010 % R.O./C <±0.010 % R.O./C
Input Resistance 1100± 50 ohm 1100 ± 50 ohm
Output Resistance 1000 ± 2 ohm 1000 ±2 ohm
Insulation Resistance ≥5000 Mohm ≥5000 Mohm
Excitation 5 – 15 vdc 5 – 15 vdc
Compensated Temp °C –10 to+40 °C –10 to+40
Operating Temperature °C –20 to+80 °C –20 to+80
Safe Load Limit 200 % Emax 200 % Emax
Ultimate Load 300 % Emax 300 % Emax
Construction Stainless Steel 17-4PH Stainless Steel 17-4PH
Sealing Hermetically Sealed Hermetically Sealed
Approvals IP68/IP69K
FM IS Class I, Div 1
IP68/IP69K
FM IS Class I, Div 1
Warranty Two years Two years

ORDERING INFORMATION
Load Point can be ordererd with stainless hardware (-43C) as shown, or zinc plated hardware (-45C). Note: 11.25K available in Zinc Plated Only.
Shipping weight for load points approx. 10-35 lbs, Sensor 4 lbs

Capacity Model # Model#
lbs mt FIXED Assy SPARE Load Sensor
225 0.1 HI HLPT225-43C HI STH06-225
450 0.2 HI HLPT450-43C HI STH06-450
1,125 0.5 HI HLPT1125-43C HI STH06-1125
2.25K 1 HI HLPT2.25K-43C HI STH01-2.25K
4.5K 2 HI HLPT4.5K-43C HI STH01-4.5K
11.25K 5 HI HLPT11.25K-45C HI STH01-11.25K

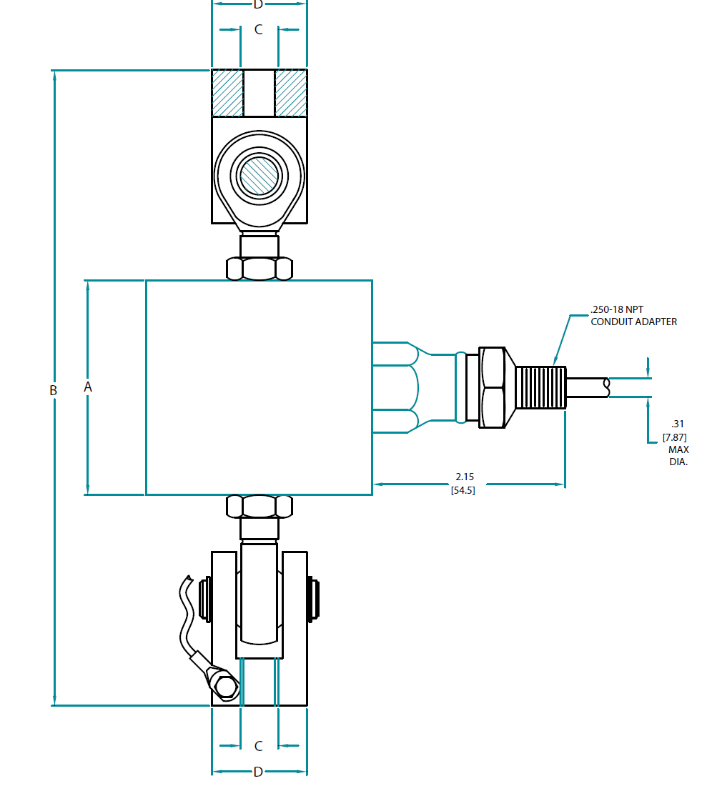
ADVANTAGE  Load Point Outline
HI HLPT Series

DIMENSIONS- INCHES & [mm]

SENSOR TYPE CAPACITY LBS [kN] A B C D
 
 
 
HI STH06
225
[1]
 
 
 
2.42
[61.5]
 
 
 
9.13
[232.0]
 
 
 
.500-13 UNC
 
 
 
1.38
[35.0]
450
[2]
1125
[5]
 
 
 
 
 
HI STH01
2.25K [10]  
 
3.62
[92.0]
 
 
11.02
[280.0]
 
 
.625-11 UNC
 
 
1.77
[45.0]
4.5K [20]
11.25K [50]  
 
5.35
[136.0]
 
 
14.96
[380.0]
 
 
1.000-8 UNC
 
 
2.36
[60.0]

C2 WIRE COLOR CODE FLAG LABEL IS FOUND
APPROX. 10 IN. FROM END OF SENSOR’S CABLE

EXCITATION + RED
EXCITATION – BLACK
SIGNAL + GREEN
SIGNAL – WHITE
C2+ GRAY
C2 – VIOLET
SHIELD YELLOW

WARNING: NEVER cut load sensor cable
CABLE LENGTH: 20 FEET
HI STH06 & HI STH01 Load Sensor Outline
HI STH01 Series

HI STH06 Series

DIMENSIONS- INCHES & [mm]

CAPACITY LBS [kN] H1 H2 L1 L2 W1 D1 THREAD
225, 450, 1125 2.42 1.21 2.42 1.21 1.18 .500-20 UNF
[1]  [2]  [5] [61.5] [30.7] [61.5] [30.7] [30.0]
2.25K, 4.5K 3.62 1.81 3.38 1.69 1.18 .625-18 UNF
[10]  [20] [92.0] [46.0] [86.0] [43.0] [30.0]
11.25K 5.35 2.86 5.62 2.81 1.69 1-12 UNF
[50] [136.0] [68.0] [143.0] [71.5] [43.0]

TOLERANCES: ±0.015 [0.4] UNLESS OTHERWISE STATED

상품평

아직 상품평이 없습니다.

“HARDY / HI HLPT Hermetic Load Point Assembly Tension”의 첫 상품평을 남겨주세요