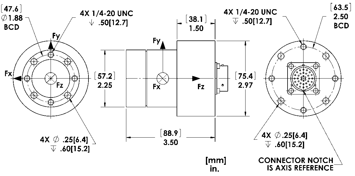
Description
UDW3 Submersible IP68 Compact Cylindrical Force-Torque Sensor
This transducer is oil-filled and features a pressure compensation bladder that equalizes the internal and external pressures on the device. The bladder expands and contracts with the increase and decrease in pressure, keeping zero pressure difference across the strain element. This allows for accurate force and moment measurements even when the sensor is submerged to depth. The UDW3 is rated for submersion in fresh water to depths of 70m for 1 continuous week. For greater depths, longer durations, or different environments, please contact AMTI.
General Specifications
Capacities, Sensitivities & Frequencies
The table below provides a comparison of the available capacity models for this force sensor.
| Model Name Suffix (Fz, lbs) | 100 | 250 | 500 | 1000 |
|---|---|---|---|---|
| Fx, Fy Capacity (N) | 225 | 555 | 1115 | 2225 |
| Fz Capacity (N) | 445 | 1115 | 2225 | 4450 |
| Mx, My Capacity (Nm) | 11 | 28 | 56 | 110 |
| Mz Capacity (Nm) | 5.6 | 14 | 28 | 56 |
| Fx, Fy Sensitivity (µV/V-N) | 5.40 | 2.70 | 1.35 | 0.67 |
| Fz Sensitivity (µV/V-N) | 1.35 | 0.67 | 0.34 | 0.17 |
| Mx, My Sensitivity (µV/V-Nm) | 266 | 137 | 71 | 35 |
| Mz Sensitivity (µV/V-Nm) | 212 | 106 | 53 | 27 |
| Lowest Natural Frequency* (Hz) | 300 | 500 | 700 | 1000 |
*The listed natural frequency is the lowest natural frequency for the force sensor and will dominate.



Reviews
There are no reviews yet.