Description
Models
563WS-WBL-1.25Klb
Features
- Material: Stainless steel
- Rated Capacity: 1.25Klb
- Full Scale Output: 2.0mV/V ± 0.25%
- Safe Overload: 150%
- Breaking Overload: 300%
- IP Rating: IP67
- CE, RoHS, and Ex(NEPSI) certified
- ATEX, FM, IECEx available upon request
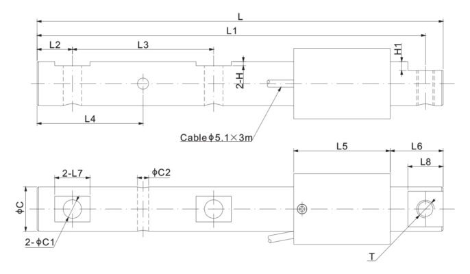
Dimensions

| Capacity(lb/inches) | C | C1 | C2 | H | H1 | L | L1 | L2 | L3 | L4 | L5 | L6 | L7 | L8 | T |
| 1250 | 1.25 | 0.52 | 0.31 | 0.25 | 0.12 | 11.50 | 11.00 | 1.00 | 4.00 | 3.00 | 2.73 | 1.50 | 1.00 | 1.00 | 1/2-13 UNC-2B |
Specifications



Reviews
There are no reviews yet.