Description
Models
563YA-200lb, 563YA-300lb
Features
- Material: Aluminum, Clear Anodized
- Rated Capacity: 200lb, 300lb
- Full Scale Output: 3mV/V ± 0.25%
- Safe Overload: 150%
- Breaking Overload: 300%
- IP Rating: IP67
- CE, RoHS and Ex(NEPSI) certified
- ATEX, FM, IECEx available upon request
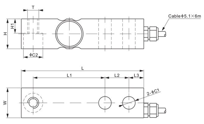
Dimensions

| Rated Capacity | C1 | C2 | H | H1 | L | L1 | L2 | L3 | T | W |
|---|---|---|---|---|---|---|---|---|---|---|
| lb/inches | ||||||||||
| 200; 300 | 0.53 | 0.81 | 1.25 | 0.60 | 5.12 | 3.00 | 1.00 | 0.62 | 1/2-20 UNF–2B | 1.25 |
| kg/mm | ||||||||||
| 90.7; 136.1 | 13.5 | 20.6 | 31.8 | 15.2 | 130 | 76.2 | 25.4 | 15.8 | 1/2-20 UNF–2B | 31.8 |
Specifications



Reviews
There are no reviews yet.