Description
KIMD-M Weigh Module
Features
High accuracy
Easy installation
For harsh environmental conditions
ATEX/IECEx approved for hazardous areas
Movable load point
Allow movement caused by thermal expension
No extra mounting
High capacity 500 – 1000kN and 1500 – 2000kN
Application: Process Weighing & Batching,Hazardous Areas
Certificates: ATEX,IECEx
Combined Error: 0.06-0.1 %
Environment Protection Class: IP67,IP66,IP65,IP54,IP20
Industry: Metal,Mining,Chemical,Pharmaceutical,Food & Beverage
Material: Stainless Steel,Plated Steel
Max Capacity: k lb: 115-450
Max Capacity: kN: 500-2000
Max Capacity: ton: 50-200
Product Type: Weigh Modules & Load Cells
CONFIGURATION

Weighing Module
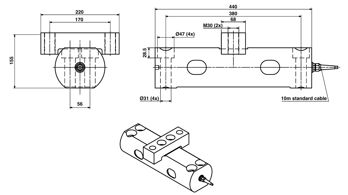
OUTLINE DIMENSIONS (IN MILLIMETERS)
500–1000 kN Capacities:

1500–2000 kN Capacities:

Weighing Module
SPECIFICATIONS
| Parameter | Value |
|---|---|
| GENERAL PERFORMANCE | |
| Rated load (RL) | 500 / 1000 / 1500 / 2000 kN |
| Combined error (terminal) | ±0.1% RO |
| Repeatability | 0.02% RO |
| Rated output (RO) | 0.9 mV/V |
| Tolerance of RO | ±0.25% RO |
| Zero balance | ±2% RO |
| Creep at RL after 30 min | ±0.03% RL |
| LOADING | |
| Safe load* | 200% RL |
| Ultimate load* | 300% RL |
| ELECTRICAL | |
| Input voltage (recommended) | 10 VDC or VAC |
| Input voltage (maximum) | 18 VDC or VAC |
| Input resistance | 350 Ω ±5 Ω |
| Output resistance | 350 Ω ±0.5 Ω |
| Tolerance of shunt calibration values | ±0.25% of value (actual output listed on unit calibration sheet) |
| Insulation resistance at 200 VDC | >4 GΩ |
| Electrical connection | 10 m shielded four-conductor cable |
| TEMPERATURE | |
| Operating temperature range | –40 to +80 °C (–40 to +100 °C on request) |
| Temperature effect on output (–10 to +50 °C) | ±0.005% of output / °C |
| Temperature effect on zero balance (–10 to +50 °C) | ±0.005% of RO / °C |
| MECHANICAL / PROTECTION | |
| Material | Yellow chromate steel |
| Degree of protection | IP67 |
* Referring to recommended loading point
BLH Nobel is continually seeking to improve product quality and performance. Speciications may change accordingly.


Reviews
There are no reviews yet.