Description
KIS-9 Load Cell/Weigh Module
Features
Capacity range: 5, 10, 20, 50, and 100 kN (1.12K, 2.25K, 4.5K, 11.2K, and 22.5K lb)
Simple installation
Moveable load point
Withstands very high lateral forces
Accurate and rugged
ATEX/IEXEx certified for hazardous locations
Application: Process Weighing & Batching,Hazardous Areas
Certificates: ATEX,IECEx
Combined Error: 0.06-0.1 %
Environment Protection Class: IP67,IP66,IP65,IP54,IP20
Industry: Chemical,Pharmaceutical,Food & Beverage
Material: Stainless Steel
Max Capacity: k lb: 0-25
Max Capacity: kN: 0-100
Max Capacity: ton: 0-10
Product Type: Weigh Modules & Load Cells
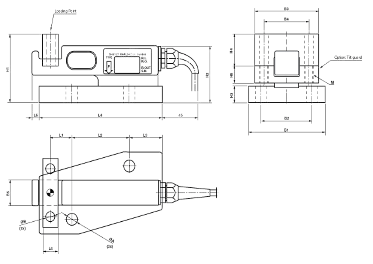
OUTLINE DIMENSIONS

| RANGE kN | L1 | L2 | L3 | L4 | L5 | L6 | ØA | ØB |
| 5–10–20 | 27 | 72 | 41 | 154 | 9 | 19 | 14 | 11 |
| 50 | 38 | 80 | 48 | 185 | 14 | 29 | 18 | 18 |
| 100 | 48 | 122 | 25 | 220 | 17 | 48 | 22 | 22 |
| RANGE kN | B1 | B2 | B3 | B4 | B5 | H1 | H2 | H3 | H4 | H5 | M |
| 5–10–20 | 96 | 62 | 80 | 56 | 30 | 80 | 67 | 19 | 37 | 20.5 | M10 |
| 50 | 128 | 88 | 128 | 88 | 48 | 115 | 93 | 33 | 48 | 28 | M16 |
| 100 | 160 | 120 | 160 | 120 | 62 | 130 | 108 | 38 | 53 | 33 | M20 |
Weigh Module
INSTALLATION EXAMPLES

Specifications
| Parameter | Value |
|---|---|
| PERFORMANCE | |
| Rated load (RL) | 5, 10, 20, 50, 100 kN |
| Combined error (terminal) | ±0.1% RO |
| Repeatability | 0.02% RO |
| Safe load | 150% RL (1) |
| Ultimate load | 200% RL (1) |
| Ultimate sideload | 100% RL (1) |
| Creep at RL after 30 minutes | ±0.03% RL |
| Rated output (RO) | 1.020 mV/V |
| Tolerance of RO | ±0.25% RO |
| Zero balance | ±2% RO |
| Tolerance of shunt calibration values | ±0.25% of value (2) |
| TEMPERATURE | |
| Temperature range | –40 to +80 °C (+100 °C) (3) |
| Temperature effect on output (–10 °C to +50 °C) | ±0.003% of output / °C |
| Temperature effect on zero balance (–10 °C to +50 °C) | ±0.003% of RO / °C |
| ELECTRICAL | |
| Input voltage, recommended | 5–10 VDC or VAC |
| Input voltage, maximum | 18 VDC or VAC |
| Input resistance | 350 Ω ±5 Ω |
| Output resistance | 350 Ω ±1 Ω |
| Electrical connection | 5 m shielded four conductor cable (5, 10, 20 kN) |
| 10 m shielded four conductor cable (50, 100 kN) | |
| Insulation resistance at 200 VDC | > 4 GΩ |
| MECHANICAL / CONSTRUCTION | |
| Material | Stainless steel |
| Degree of protection | IP67 |
| APPROVALS | |
| Certifications | ATEX, IECEx certified versions available upon request |
| NOTES | |
| (1) | Referring to recommended loading point |
- Referring to recommended loading point
- See calibration sheet of the load cell
- –40 to +100°C on demand
BLH Nobel is continually seeking to improve product quality and performance. Speciications may change accordingly.


Reviews
There are no reviews yet.