Description
S-Type load cell S20S
The S-type load cell S20S was designed specifically for measuring tensile and pressure forces. A central coil in the upper and lower part of the load cell ensures an optimal transmission of force in the tensile and pressure direction. The S-type load cells are made of stainless steel and are characterized by high accuracy and linearity. The S-type load cell S20S is approved to OIML R60 up to 3000d (up to 500kg). The load cell S20S gives extremely accurate reproducible results over a long term even in harsh industrial environments. The load cell is potted and meets the requirements of protection class IP65. By simple integration options and a good dynamic behavior, these load cells are often offered as force transducers and calibrated in Newtons.
Typical application
Hybrid scales, Hopper scales, Crane scales, Tensile testing machines, Tank weighing, filling, dosing and mixing plants, BIG-BAG scales, Medical lifter scales, Hanging hopper scales.
Features
- Material: Alloyed steel
- Capacity: 100 – 1.000 kg
- Accuracy Class C3, Y=3.500 Approved to OIML R60 up to 3000d; Test certificate number: DK0199-R60-12.27 (up to 500 kg)
- Design: The measuring element is sealed and has trimmed output
- Protection class: IP65
- Load introduction by symmetrical tapped holes at the top and bottom of the load cell
- Particularly robust for heavy duty industrial use
- Compatible with other sources
Example of installation

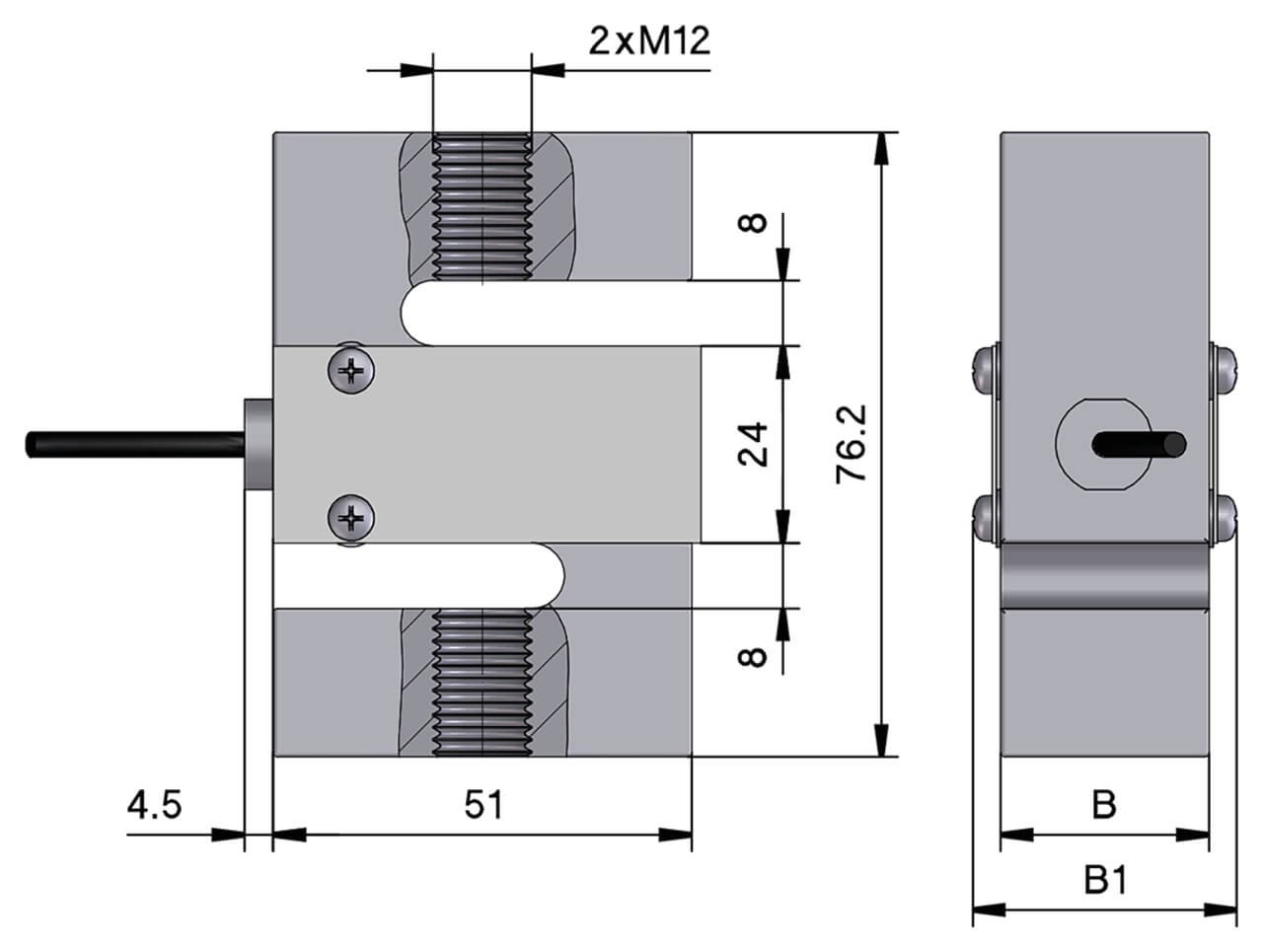
Drawing


| Load | B | B1 |
|---|---|---|
| 100 – 750 kg | 19,1 | 25,05 |
| 1000 kg | 25,4 | 30,95 |
All specifications in mm | Subject to technical changesPricelist
Versions
| Type | Norminal load, Emax | Accuracy class |
|---|---|---|
| S20S-C3-0100 | 100 kg | C3 |
| S20S-C3-0200 | 200 kg | C3 |
| S20S-C3-0300 | 300 kg | C3 |
| S20S-C3-0500 | 500 kg | C3 |
| S20S-G3-0750 | 750 kg | 0,03 |
| S20S-G3-1000 | 1000 kg | 0,03 |


Reviews
There are no reviews yet.