Description
Honeywell Model 3632 Tension/Compression In-Line Load Cell


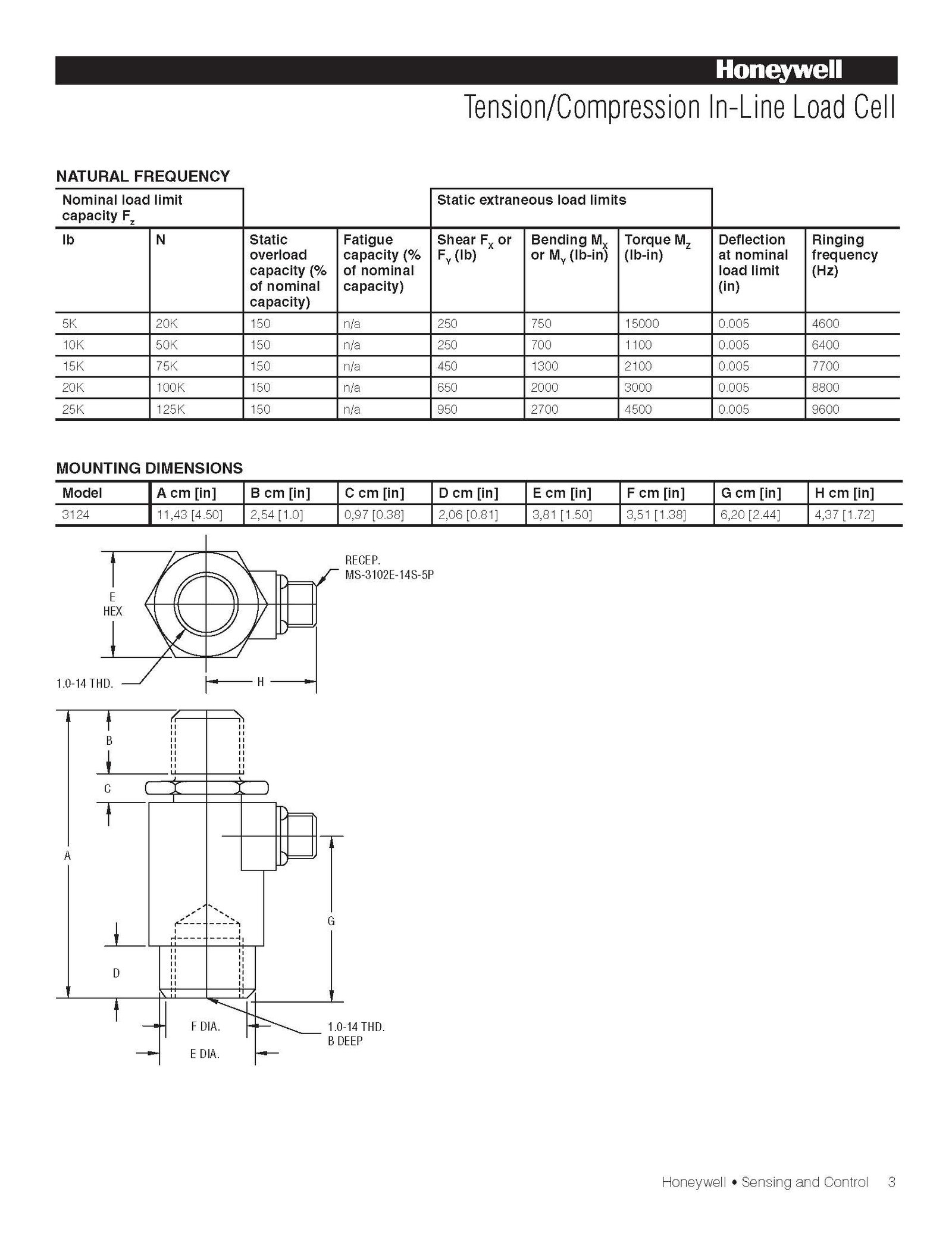
The small-diameter, cost-efficient load cells are designed to be used in applications that require an ability to mount in an existing system with restricted working area. They are commonly used in fluid power transfer systems. Their low cost and ease of mounting allow simultaneous testing of multi-element systems.
They may be directly attached to the piston rod of a hydraulic cylinder. Side-mounted cable connectors allow cable assemblies to be supported without affecting movement of the cell during tension or compression loading.


You must be logged in to post a review.
Reviews
There are no reviews yet.