Description
SLB415 Beam Load Cells
The SLB415 is approved for use in various applica-tions in Europe, Asia, America and almost everywhere else in the world. If an approval is required, the SLB415 probably already complies.

Floor Scales
Use the SLB415 load cell in platform and floor scales. Due to the hermetic welded design reliability in most industrial
environments is guaranteed. The full set of approvals provides maximum applicability and safety in these applications.
Tank Weighing
The capacity range from 110kg to 4.4t allows the weighing of tanks, hoppers and silos. Rocker pin load cell introduction
is ideal for high accuracy and repeatability. Various accessories to ease installation are available.
Hermetically Sealed
SLB415 load cells are made from nickel plated tool steel but are hermetically sealed, something normally available only on higher end stainless models. This protects the load cell from damp for the best stability and measuring performance.
Accessories
The optional accessories for proper load introduction guarantee the optimal performance in conjunction with thermal expansion and vibration.
SLB415 Load Cell Specifications
| Parameter | Unit of measure | Specification | ||||||
|---|---|---|---|---|---|---|---|---|
| Model No. | SLB415 | |||||||
| Rated capacity (R.C.) | kg (lb, nominal) | 110 (250) | 220 (500) | 550 (1250) | 1100 (2500) | 2200 (5000) | 4400 (10000) | |
| Rated output | mV/V @R.C. – kg | 0.970 ± 0.002 | 1.940 ± 0.002 | |||||
| mV/V @R.C. – lb | 1.000 ± 0.002 | 2.000 ± 0.002 | ||||||
| Zero load output | %R.C. | ≤ 1.0 | ||||||
| Combined error 1) 2) | %R.C. | ≤ 0.018 | ||||||
| Repeatability error | %A.L.3) | ≤ 0.01 | ||||||
| Creep, 30 minute | %A.L. | ≤ 0.0167 | ||||||
| Min. dead load output return (DR), 30 min | %A.L. | ≤0.0167 | ||||||
| Temperature effect on | Min. dead load output | %R.C./°C (../°F) | ≤ 0.0023 (0.0013) | |||||
| Sensitivity 2) | %A.L./°C (../°F) | ≤ 0.0009 (0.0005) | ||||||
| Compensated | °C (°F) | -10 ~ +40 (+14 ~ +104) | ||||||
| Temperature range | Operating | -40 ~ +65 (-40 ~ +150) | ||||||
| Safe storage | -40 ~ +80 (-40 ~ +176) | |||||||
| OIML / European approval 4) | OIML Cert. No. | R60/2000-NL1-13.19 | ||||||
| European Cert. No. | TC8311 | |||||||
| Class | C3 | |||||||
| nmax | 3000 | |||||||
| Y | 6000 | |||||||
| PLC | 0.7 | |||||||
| Humidity symbol | None | |||||||
| Min. dead load | kg (lb) | 0.4 (0.88) | ||||||
| Z | 3000 | |||||||
| NTEP approval 4) | Number | 13-081 | ||||||
| Class | III M | |||||||
| nmax | 5000 | |||||||
| Vmin | kg (lb) | 0.018 (0.04) | 0.037 (0.08) | 0.092 (0.20) | 0.183 (0.40) | 0.367 (0.81) | 0.733 (1.62) | |
| Min. dead load | kg (lb) | 0 (0) | ||||||
| ATEX approval 4) | Number, cat. 2 | DEKRA 13ATEX0081 | ||||||
| Number, cat. 3 | DEKRA 13ATEX0082 | |||||||
| Rating | II 2 G Ex ib IIC T4 Gb | |||||||
| II 2 D Ex ib IIIC T100 °C Db | ||||||||
| II 3 G Ex ic IIC T4 Gc | ||||||||
| II 3 G Ex nA IIC T4 Gc | ||||||||
| II 3 D Ex tc IIIC T100 °C Dc | ||||||||
| Ta: -40 °C to +60 °C | ||||||||
| Entity parameters | Ui=20V, Ii=600mA, Pi=1.25W, Ci=0.2nF/m (5), Li=1µH/m (5) | |||||||
| IECEx Approval 4 | Number | IECEx DEK 20.0086X | ||||||
| Rating | Ex ib IIC T4 Gb; Ex ic IIC T4 Gc; Ex ec IIC T4 Gc | |||||||
| Ex ib IIIC T100 °C Db; Ex tc IIIC T100 °C Dc | ||||||||
| Entity Parameters | Ui=20V, Ii=600mA, Pi=1.25W, Ci=1.2nF, Li=6µH; Urated = 20V, Irated = 55mA | |||||||
| Factory Mutual Approval US/Canada 4) | Number, USA/Canada | FM18US0025 / FM18CA0032 | ||||||
| Rating USA | IS / I, II, III / 1 / ABCDEFG / T4 Entity | |||||||
| NI / I / 2 / ABCD / T6 NIFW; S / II, III / 2 / FG / T6 | ||||||||
| Rating Canada | IS / I, II, III / 1 / ABCDEFG / T4 Entity | |||||||
| NI / I / 2 / ABCD / T6 NIFW; DIP / II, III / 2 / FG / T6 | ||||||||
| Entity parameters | Vmax=20V, Imax=600mA, Pi=1.25W, Ci=0, Li=0; NIFW: Vmax=20V, Imax=600mA, Ci=0, Li=0 | |||||||
| System drawing No, USA | 30032271 | |||||||
| Excitation voltage | Recommended | V DC | 5~15 | |||||
| Max. | 20 | |||||||
| Terminal resistance | Excitation | Ω | 382±4 | |||||
| Output | 350±1 | |||||||
| Insulation resistance @50VDC | MΩ | >5000 | ||||||
| Breakdown voltage | V AC | >500 | ||||||
| Material | Spring element | Alloy Steel | ||||||
| Enclosure | 304 Stainless steel | |||||||
| Cable entry fitting | 304 Stainless steel | |||||||
| Cable | PVC | |||||||
| Finish | Nickel plated | |||||||
| Protection | Type | Welded | ||||||
| IP rating | IP67 | |||||||
| NEMA rating | NEMA 6 | |||||||
| Load limit | Safe | %R.C. | 150 | |||||
| Ultimate | 300 | |||||||
| Safe side load | %R.C. | 100 | ||||||
| Safe dynamic load | %R.C. | 70 | ||||||
| Fatigue life | cycles @R.C. | > 1,000,000 | ||||||
| Direction of loading | Beam | |||||||
| Deflection @ R.C., nominal | mm (in) | 0.07 (0.003) | 0.14 (0.005) | 0.23 (0.009) | 0.26 (0.01) | 0.37 (0.015) | 0.6 (0.024) | |
| Weight, nominal | kg (lb) | 1 (2.2) | 1.4 (3.1) | 2.4 (5.3) | ||||
| Cable | Length | m (ft) | 2, 3, 5,10 (6.6, 9.8, 16.4, 32.8) | |||||
| Diameter | mm (in) | 5.2 (0.20) | ||||||
| Barometric pressure effect on zero load output | kg/kPa (lb/in.Hg) | None | ||||||
| Overload protection | Yes | No | ||||||
| Mounting screw | Grade | 10.9 (Grade 8) | ||||||
| Size/thread | mm (in) | M12 (1/2–13 UNC) | ||||||
| Engaged length | mm (in) | – | ||||||
| Torque, nominal | N.m (ft-lb) | 98 (81) | ||||||
| Drawing No. | Dimensions | 30106055 | ||||||
| 2D | 30094487 | |||||||
| 3D | 30094488 | |||||||
1) Error due to the combined effect of non-linearity and hysteresis
2) Typical values only. The sum of errors due to combined error and temperature effect on sensitivity comply with the requirements of OIML R60 and NIST HB44
3) A.L. = Applied Load
4) See certificate for complete information
5) /m Load cell cable
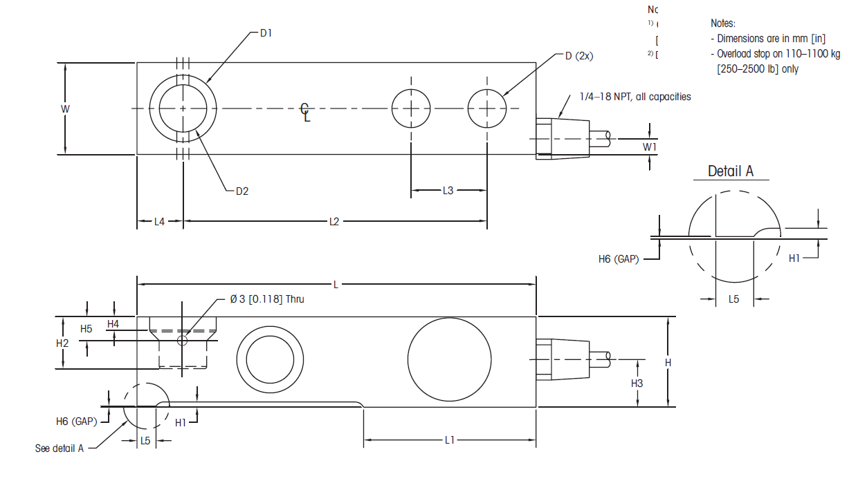
SLB415 Load Cell Dimensional Drawings mm [in]

Dimensions and locations
| Parameter | SLB415 110–1100 kg [250–2500 lb] |
SLB415 2200 kg [5000 lb] |
SLB415 4400 kg [10 000 lb] |
|---|---|---|---|
| D (2x) | 13.0 [0.51] | 13.0 [0.51] | 19.3 [0.76] |
| D1 | 22.2 [0.88] | 22.2 [0.88] | 34.9 [1.38] |
| D2 | 15.9 [0.62] | 15.9 [0.62] | 22.2 [0.88] |
| H | 30.2 [1.19] | 36.6 [1.44] | 42.9 [1.69] |
| H1 | 1.8 [0.07] | 6 [0.24] | 4.5 [0.18] |
| H2 | 17.3 [0.68] | 22.9 [0.90] | 29.3 [1.16] |
| H3 | 16 [0.63] | 19.6 [0.77] | 22.6 [0.89] |
| H4 | 4.5 [0.18] | 9.5 [0.37] | 10.8 [0.43] |
| H5 | 7.9 [0.31] | 12.7 [0.50] | 17.8 [0.70] |
| H6 1) | 0.38 [0.015] | 6 [0.24] | 4.5 [0.18] |
| L | 133.4 [5.25] | 136.6 [5.38] | 171.5 [6.75] |
| L1 | 57.7 [2.27] | 57.9 [2.28] | 73.8 [2.91] |
| L2 | 101.6 [4.0] | 101.6 [4.0] | 133.4 [5.25] |
| L3 | 25.4 [1.0] | 25.4 [1.0] | 38.1 [1.50] |
| L4 | 15.4 [0.61] | 18.4 [0.72] | 21.4 [0.84] |
| L5 1) | 6.4 [0.25] | 36.8 [1.45] | 42.9 [1.69] |
| W | 30.7 [1.21] | 36.8 [1.45] | 42.9 [1.69] |
| W1 | 6.1 [0.24] | 6.1 [0.24] | 6.1 [0.24] |
SLB415 Foot Kit FTK mm [in]

| Capacity | Dimensions and locations | |||||
| L | L1 | H | H1 | H2 | H3 | |
| 110 kg–1.1 t [250–2500 lb] |
Ø50 [Ø1.97] | Ø15 [Ø0.59] | 66.8 [2.14] | 54.3 [2.14] | 24.2 [0.95] | 9 [0.35] |
| 2.2 t [5000 lb] |
Ø50 [Ø1.97] | Ø15 [Ø0.59] | 66.5 [2.14] | 54.3 [2.14] | 24.2 [0.95] | 9 [0.35] |
| 4.4 t [10,000 lb] |
Ø70 [Ø2.76] | Ø15 [Ø0.59] | 91.2 [3.59] | 80 [3.15] | 38.5 [1.52] | 17 [0.67] |
SLB415 Expansion Kit EK mm [in]

| Capacity | Dimensions and locations | ||||||||
| L | L1 | L2 | L3 | H | H1 | H2 | H3 | Smax* | |
| 110 kg–1.1 t [250–2500 lb] |
Ø50 [Ø1.97] | 34 [1.34] | M8 | Ø15 [Ø0.59] | 59.6 [2.35] | 47.1 [1.85] | 24 [0.94] | 14 [0.55] | ±3 mm [±0.12] |
| 2.2 t [5000 lb] |
Ø50 [Ø1.97] | 34 [1.34] | M8 | Ø15 [Ø0.59] | 63.5 [2.50] | 52.3 [2.06] | 24 [0.94] | 14 [0.55] | ±3 mm [±0.12] |
| 4.4 t [10,000 lb] |
Ø60 [Ø2.36] | 45 [1.77] | M10 | Ø21.5 [Ø0.85] | 73.6 [2.90] | 62.4 [2.46] | 28 [1.10] | 17 [0.67] | ±3 mm [±0.12] |
SLB415 Expansion and Vibration Kit EVK mm [in]

| Capacity | Dimensions and locations | |||||||||||
| D | L | L1 | L2 | L3 | H | H1 | H2 | H3 | SHmax* | SVmax** | Max. Side load ratings | |
| 110 kg–1.1 t [250–2500 lb] |
Ø9 [Ø0.35] | Ø80 [Ø3.15] | Ø58 [Ø2.28] | Ø15 [Ø0.59] | 58 [2.28] | 56.6 [2.23] | 44.1 [1.74] | 21.5 [0.85] | 5 [0.20] | ±3 mm [±0.12] | 1 [0.04] | 2100N |
| 2.2 t [5000 lb] |
Ø9 [Ø0.35] | Ø80 [Ø3.15] | Ø58 [Ø2.28] | Ø15 [Ø0.59] | 58 [2.28] | 60.5 [2.38] | 49.3 [1.94] | 21.5 [0.85] | 5 [0.20] | ±3 mm [±0.12] | 1.6 [0.07] | 2400N |
| 4.4 t [10,000 lb] |
Ø11 [Ø0.43] | Ø100 [Ø3.94] | Ø72 [Ø2.83] | Ø21.5 [Ø0.85] | 76 [2.99] | 75.6 [2.98] | 64.4 [2.54] | 30 [1.18] | 10 [0.39] | ±3 mm [±0.12] | 2.2 [0.09] | 2800N |
* Max lateral displacement
** Max vertical displacement incl. load cell
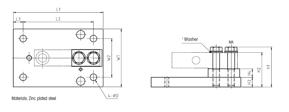
SLB415 Base Plate Kit BPK mm [in]

| Capacity | Dimensions and locations | |||||||||||
| L1 | L2 | L3 | W1 | W2 | H1 | H2 | H3 | H4 | D | 2 MACS | 3 MASS | |
| 110 kg–1.1 t [250–2500 lb] |
177.9 [7.00] | 152.4 [6.00] | 12.7 [0.50] | 114.4 [4.50] | 89.0 [3.50] | 72.6 [2.86] | 65.1 [2.56] | 19.1 [0.75] | 15.88 [0.625] | 11.2 [0.44] | 98Nm [72lb–ft] | 98Nm [72lb–ft] |
| 2.2 t [5000 lb] |
12.7 [0.5] | |||||||||||
| 4.4 t [10,000 lb] |
235.0 [9.25] | 184.2 [7.25] | 25.4 [1.00] | 152.4 [6.00] | 101.6 [4.00] | 105.0 [4.13] | 90.5 [3.56] | 25.4 [1.00] | 22.2 [0.87] | 17.5 [0.69] | 270Nm [200lb–ft] | 270Nm [200lb–ft] |
1 Two washers only for 4.4t
2 Torque carbon steel version
3 Torque stainless steel version
| SLB415 Load Cell Description |
Order Information | Item No. |
| Load cell, model no. | SLB415-110kg (250lb) C3 5m (16.4ft) Ex | 72260663 |
| Load cell, model no. | SLB415-110kg (250lb) C3 10m (32.8ft) Ex | 30088789 |
| Load cell, model no. | SLB415-220kg (500lb) C3 5m (16.4ft) Ex | 72260669 |
| Load cell, model no. | SLB415-220kg (500lb) C3 10m (32.8ft) Ex | 30088790 |
| Load cell, model no. | SLB415-550kg (1250lb) C3 5m (16.4ft) Ex | 72260687 |
| Load cell, model no. | SLB415-550kg (1250lb) C3 10m (32.8ft) Ex | 30088791 |
| Load cell, model no. | SLB415-1.1t (2500lb) C3 5m (16.4ft) Ex | 72260693 |
| Load cell, model no. | SLB415-1.1t (2500lb) C3 10m (32.8ft) Ex | 30088792 |
| Load cell, model no. | SLB415-2.2t (5000lb) C3 5m (16.4ft) Ex | 72260681 |
| Load cell, model no. | SLB415-2.2t (5000lb) C3 10m (32.8ft) Ex | 30088793 |
| Load cell, model no. | SLB415-4.4t (10000lb) C3 5m (16.4ft) Ex | 72260656 |
| Load cell, model no. | SLB415-4.4t (10000lb) C3 10m (32.8ft) Ex | 30088795 |
| Options | Item No. | |
| Base Plate Kit BPK | Carbon steel 110kg-1.1t (250-2500lb) | 30265369 |
| Base Plate Kit BPK | Carbon steel 2.2t (5000lb) | 30265371 |
| Base Plate Kit BPK | Carbon steel 4.4t (1000lb) | 30265373 |
| Expansion Kit EK | Stainless steel 110kg-2.2t (250-5000lb) | 72208662 |
| Expansion Kit EK | Stainless steel 4.4t (10000lb) | 72208663 |
| Expansion+Vibr Kit EVK | Stainless steel 110kg-2.2t (250-5000lb) | 72208670 |
| Expansion+Vibr Kit EVK | Stainless steel 4.4t (10000lb) | 72208671 |
| Foot Kit FTK | Stainless steel 110kg-2.2t (250-5000lb) | 72208674 |
| Foot Kit FTK | Stainless steel 4.4t (10000lb) | 72208675 |
SLB415 Load Cell Cable Colours
| Colour | Function |
| Green | + Excitation |
| Black | – Excitation |
| White | + Signal |
| Red | – Signal |
| Yellow | Shield* |
* Connected to spring element
Global Approvals
The SLB415 is provided with all listed approvals. No need to think about options and additional charges. Simplifies the conduct of global business, order processing and service-part stocking.
Weighing Electronics
METTLER TOLEDO offers a complete family of electronics from simple weighing to application solutions for filling, stock control, batching, formulation, counting, checkweighing.


Reviews
There are no reviews yet.