Description
Platform Load Cell PC7
The load cell PC7 is ideal for applications in harsh industrial environments where aggressive chemicals may be present or where there are continual wash downs such as in the food industry.
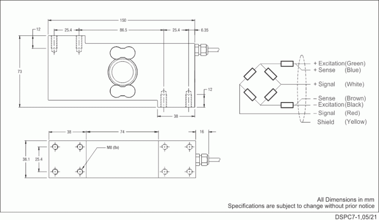
Typical applications include check weighing and bag filling as well as overhead rail weighing, dispensing and pallet scales. The Model PC7 is manufactured using an optimised complex machining process. This ensures that there will be no measurement error when the load is placed off centre, eg in a corner of a platform. A platform scale can easily be constructed using this load cell. You simply have to mount the load cell between two steel or aluminium plates up to 600 mm square, securing the bottom plate to the threaded holes in the underside of the load cell (cable entry end) and the top plate to the threaded holes on the upper face (opposite cable entry end). The load cell then has to connected to a suitable display or readout.
The PC7 platform load cell can be supplied with an optional ATEX approval for use in hazardous areas – Zone 0,1, 2 & Zone 20, 21, 22.
The PC7 load cell is fitted with a 6 core shielded cable as standard.








Reviews
There are no reviews yet.