Description
Models
TCL-5FA, TCL-10FA, TCL-20FA, TCL-30FA
Features
- Easy-to-use dial gauge type (1/100 mm)
- Cantilever design ensures minimal change over time
- Excellent temperature characteristics due to built-in compensation circuit
- Simple calibration possible using the dial gauge scale (dial scale is for reference calibration only)
- Accuracy class: 0.5% RO
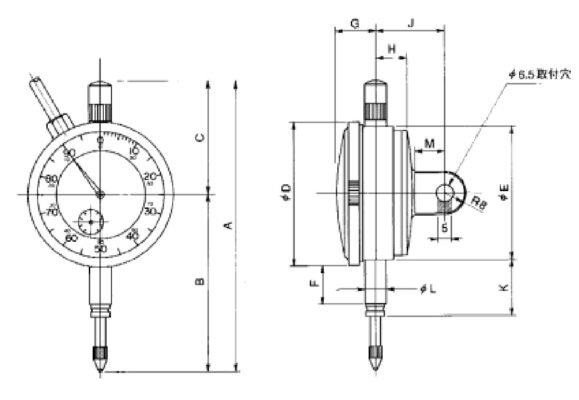
Dimensions

| Model Name | Rated Displacement | A (mm) | B (mm) | C (mm) | D (mm) | E (mm) | F (mm) | G (mm) | H (mm) | J (mm) | K (mm) | L (mm) | M (mm) | Reaction Force (N) Start/End | Mass |
|---|---|---|---|---|---|---|---|---|---|---|---|---|---|---|---|
| TCL-5FA | 5 mm | 106.5 | 65 | 41.5 | 52.8 | 49 | 14.1 | 14.5 | 11.5 | 25 | 20.5 | 8 | 11 | 0.5 / 1.6 | 155 g |
| TCL-10FA | 10 mm | 106.5 | 65 | 41.5 | 52.8 | 49 | 14.1 | 14.5 | 11.5 | 25 | 20.5 | 8 | 11 | 0.5 / 1.8 | 155 g |
| TCL-20FA | 20 mm | 129.5 | 88.5 | 41 | 66.5 | 62.5 | 20 | 14.5 | 12 | 24 | 27 | 8 | 10.5 | 0.6 / 2.0 | 170 g |
| TCL-30FA | 30 mm | 146.5 | 100.5 | 46 | 77.5 | 72.5 | 17.3 | 17.5 | 11 | 24 | 24.3 | 8 | 11 | 0.6 / 2.2 | 220 g |
Specifications
| Item | Specification |
|---|---|
| Rated Output | 1.5 mV/V ±1% (A Series) |
| Linearity | 0.2% RO |
| Hysteresis | 0.2% RO |
| Repeatability | 0.1% RO |
| Recommended Excitation Voltage | Up to 10 V |
| Maximum Excitation Voltage | 12 V |
| Input Resistance | 350 Ω |
| Output Resistance | 350 Ω |
| Compensated Temperature Range | 0 ~ 50 ℃ |
| Operating Temperature Range | 0 ~ 60 ℃ |
| Temp. Effect on Zero | 0.02% RO/℃ |
| Temp. Effect on Output | 0.01% / ℃ |
| Cable | Φ4 mm, 4-core shielded, 0.3 m, with connector at the end (30~100 mm) Φ6 mm, 4-core shielded, 0.3 m, with connector at the end (200 mm) |
| Connector | Jack / PRC03-32A10-7F |


Reviews
There are no reviews yet.