Description
Models
TCL-5M, TCL-10M, TCL-20M, TCL-30M, TCL-50M
Features
- Compact, lightweight, and cost-effective
- Cantilever type with minimal change over time
- Accuracy class: 0.5% RO
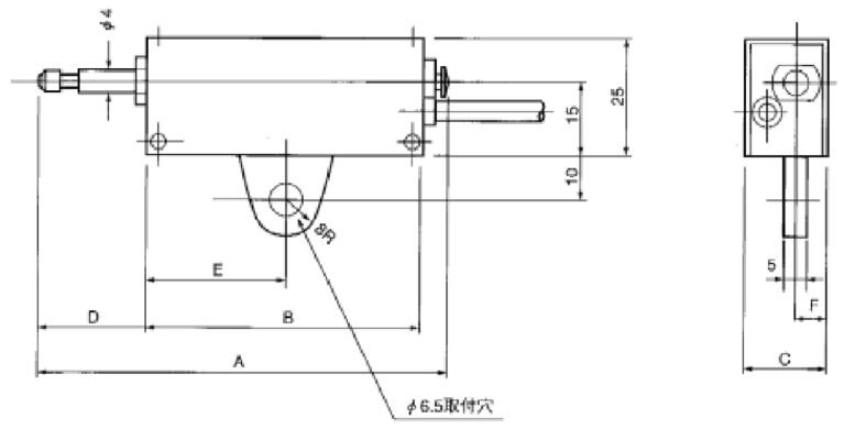
Dimensions

| Model Name | Rated Displacement | A (mm) | B (mm) | C (mm) | D (mm) | E (mm) | F (mm) | Reaction Force (N) Start/End | Mass |
|---|---|---|---|---|---|---|---|---|---|
| TCL-5M | 5 mm | 67 | 45 | 22 | 18 | 20 | 11 | 2.0 / 5.0 | 150 g |
| TCL-10M | 10 mm | 91 | 60 | 18 | 25 | 30 | 7 | 2.0 / 5.0 | 200 g |
| TCL-20M | 20 mm | 101 | 60 | 18 | 35 | 30 | 7 | 1.5 / 4.5 | 250 g |
| TCL-30M | 30 mm | 131 | 80 | 18 | 45 | 40 | 7 | 1.0 / 4.0 | 300 g |
| TCL-50M | 50 mm | 171 | 100 | 18 | 65 | 50 | 7 | 1.0 / 4.0 | 400 g |
Specifications
| Item | Specification |
|---|---|
| Rated Output | 1.5 mV/V ±1% |
| Linearity | 0.5% RO |
| Hysteresis | 0.5% RO |
| Repeatability | 0.3% RO |
| Recommended Excitation Voltage | Up to 3 V |
| Maximum Excitation Voltage | 6 V |
| Input Resistance | 120 Ω |
| Output Resistance | 120 Ω |
| Compensated Temperature Range | 0 ~ 50 ℃ |
| Operating Temperature Range | 0 ~ 60 ℃ |
| Temp. Effect on Zero | 0.05% RO/℃ |
| Temp. Effect on Output | 0.08% / ℃ |
| Cable | Φ4 mm, 4-core shielded, 0.3 m, with connector at the end |
| Connector | Jack / PRC03-32A10-7F |


Reviews
There are no reviews yet.