Description
Models
TP-50NCR, TP-100NCR, TP-200NCR, TP-500NCR, TP-1000NCR
Features
- Capable of precise detection of low capacities (50~1000 N·cm)
- High rigidity and minimal torsion angle, ideal for high-response measurements
- All-aluminum construction for compact and lightweight design
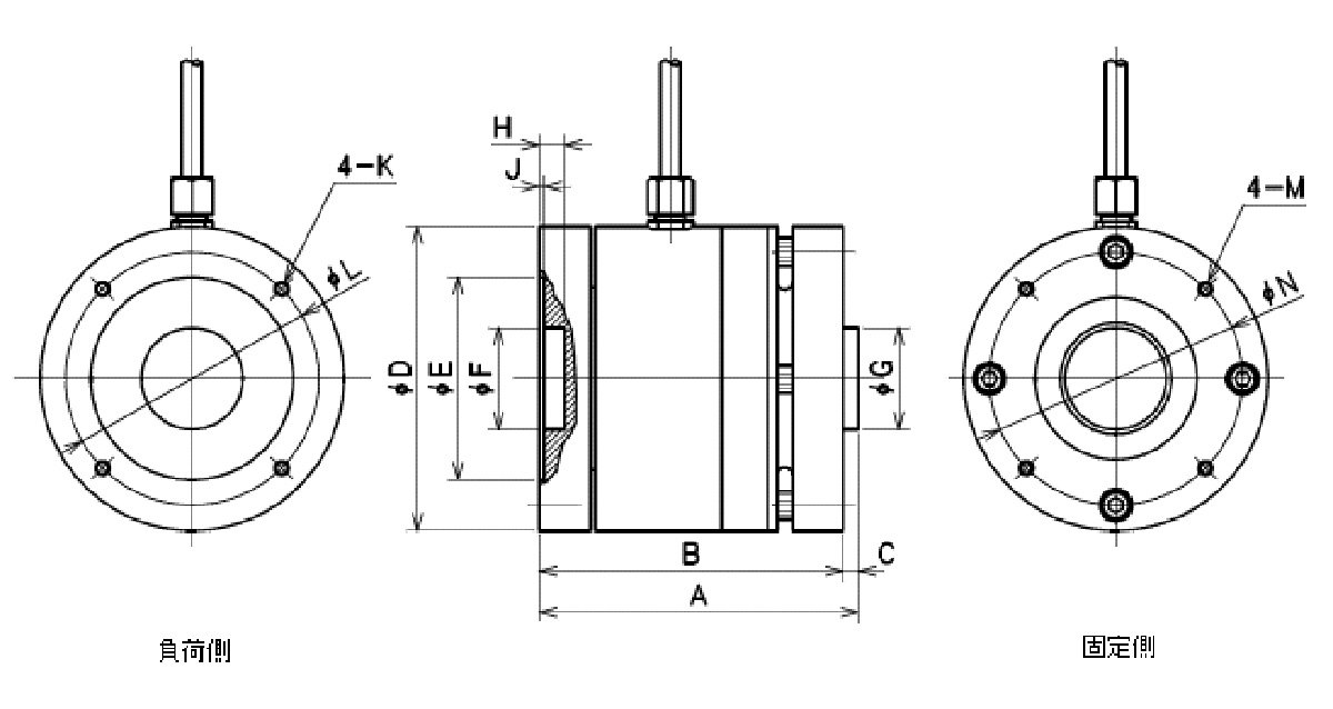
Dimensions

| Model Name | Rated Capacity | A | B | C | D | E | F | G | H | J | K | L | M | N | Mass |
|---|---|---|---|---|---|---|---|---|---|---|---|---|---|---|---|
| TP-50NCR | 50 N·cm | 58 | 55 | 3 | 45 | 25 | 10 | 10 | 5 | 1 | M3 depth 6 | 35 | M3 depth 6 | 35 | 150 g |
| TP-100NCR | 100 N·cm | 63 | 60 | 3 | 50 | 30 | 12 | 12 | 5 | 1 | M3 depth 6 | 40 | M3 depth 6 | 40 | 200 g |
| TP-200NCR | 200 N·cm | 63 | 60 | 3 | 50 | 30 | 12 | 12 | 5 | 1 | M3 depth 6 | 40 | M3 depth 6 | 40 | 200 g |
| TP-500NCR | 500 N·cm | 63 | 60 | 3 | 60 | 40 | 20 | 20 | 5 | 1 | M3 depth 6 | 50 | M3 depth 6 | 50 | 280 g |
| TP-1000NCR | 1000 N·cm | 63 | 60 | 3 | 60 | 40 | 20 | 20 | 5 | 1 | M3 depth 6 | 50 | M3 depth 6 | 50 | 280 g |
Specifications
| Item | Specification |
|---|---|
| Safe Overload | 150% R.C. |
| Rated Output | 1.0 mV/V (nominal value) |
| Linearity | 0.2% R.O. |
| Hysteresis | 0.2% R.O. |
| Repeatability | 0.1% R.O. |
| Recommended Excitation Voltage | Up to 4 V |
| Maximum Excitation Voltage | 6 V |
| Input Resistance | 350 Ω |
| Output Resistance | 350 Ω |
| Compensated Temperature Range | -10 ~ 40 ℃ |
| Operating Temperature Range | -20 ~ 60 ℃ |
| Temp. Effect on Zero | 0.03% R.O./℃ |
| Temp. Effect on Output | 0.05% R.O./℃ |
| Cable | Φ4 mm, 4-core shielded, 3 m, with connector at the end |
| Tip Connector | Plug / PRC03-12A10-7M |


Reviews
There are no reviews yet.