Description
Models
TP-50N, TP-100N, TP-200N, TP-500N, TP-1KN, TP-2KN, TP-5KN, TP-10KN, TP-20KN
Features
- Capable of measuring both static and dynamic torque
- Small mechanical torsion angle (approx. 0.1°, approx. 0.2° for 5 kN·m and above) · High precision
- Wide range of rated capacities (50 N·m ~ 20 kN·m)
- Applications: Material testing machines, inspection equipment, etc.
- Custom disk-type design and manufacturing available
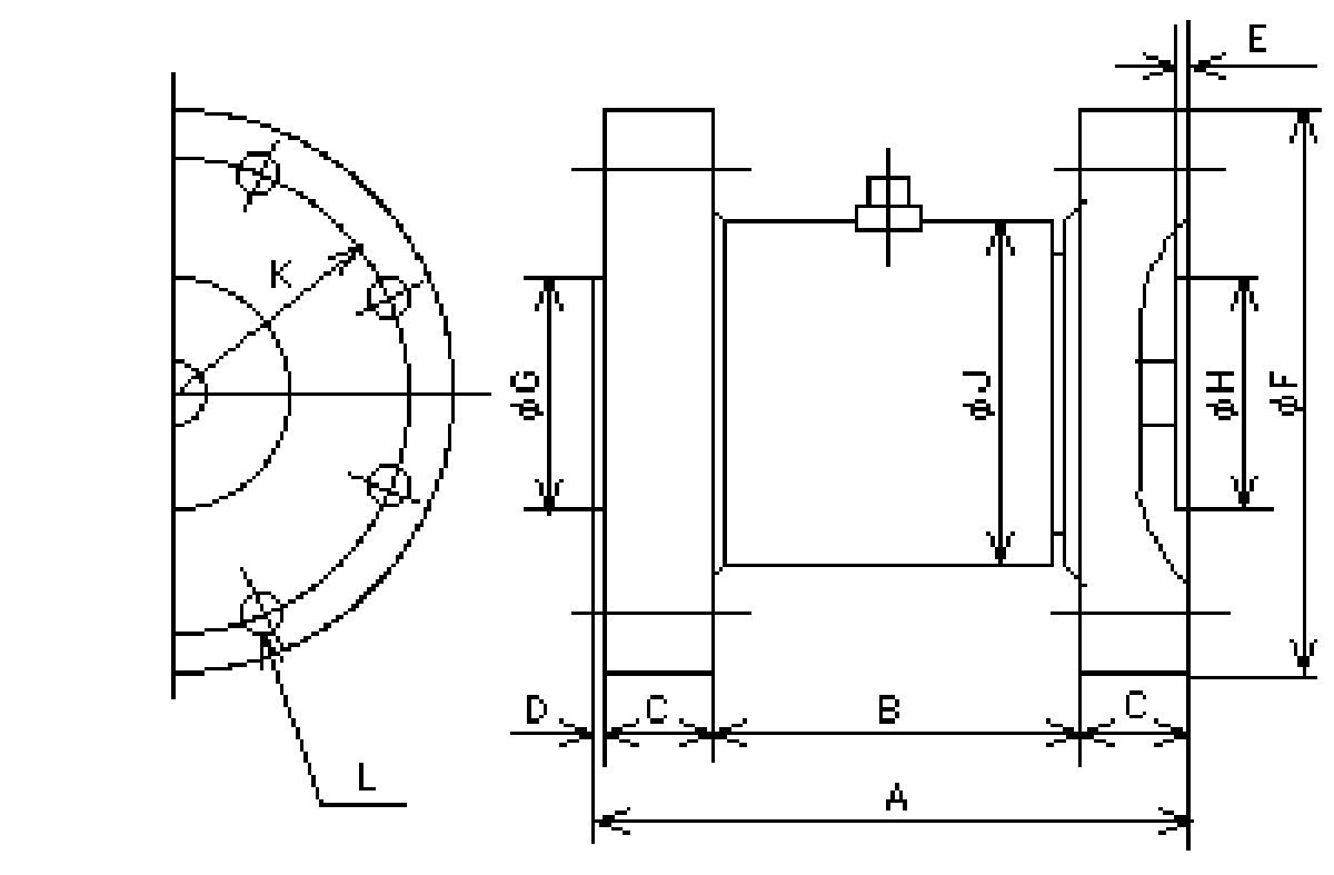
Dimensions

| Model Name | Rated Capacity | A | B | C | D | E | F | G (g6) | H (H7) | J | K | L | Natural Frequency | Mass |
|---|---|---|---|---|---|---|---|---|---|---|---|---|---|---|
| TP-50N | 50 N·m | 99 | 65 | 15 | 4 | 5 | 110 | 60 | 60 | 65 | 90 | 8-Φ9 | 7.0 kHz | 2.9 kg |
| TP-100N | 100 N·m | 99 | 65 | 15 | 4 | 5 | 110 | 60 | 60 | 65 | 90 | 8-Φ9 | 7.0 kHz | 2.9 kg |
| TP-200N | 200 N·m | 99 | 65 | 15 | 4 | 5 | 110 | 60 | 60 | 65 | 90 | 8-Φ9 | 7.0 kHz | 2.9 kg |
| TP-500N | 500 N·m | 119 | 70 | 22.5 | 4 | 5 | 135 | 80 | 80 | 70 | 110 | 8-Φ14 | 5.0 kHz | 6.2 kg |
| TP-1KN | 1 kN·m | 119 | 70 | 22.5 | 4 | 5 | 135 | 80 | 80 | 70 | 110 | 8-Φ14 | 5.0 kHz | 6.2 kg |
| TP-2KN* | 2 kN·m | 154 | 95 | 27.5 | 4 | 5 | 185 | 110 | 110 | 89 | 155 | 8-Φ18 | 3.5 kHz | 13 kg |
| TP-5KN* | 5 kN·m | 199 | 125 | 35 | 4 | 5 | 215 | 125 | 125 | 101 | 180 | 12-Φ18 | 2.0 kHz | 25 kg |
| TP-10KN* | 10 kN·m | 239 | 155 | 40 | 4 | 5 | 270 | 160 | 160 | 114 | 230 | 12-Φ22 | 1.7 kHz | 45 kg |
| TP-20KN* | 20 kN·m | 339 | 225 | 55 | 4 | 5 | 340 | 210 | 210 | 160 | 280 | 12-Φ33 | 1.5 kHz | 97 kg |
Specifications
| Item | Unit | Specification |
|---|---|---|
| Safe Overload | %RC | 150% RC |
| Rated Output | mV/V | 1.0 mV/V ±1% |
| Linearity | %RO | 0.2% RO |
| Hysteresis | %RO | 0.2% RO |
| Repeatability | %RO | 0.1% RO |
| Recommended Excitation Voltage | V | Up to 12 V |
| Maximum Excitation Voltage | V | 20 V |
| Input Resistance | Ω | 350 Ω |
| Output Resistance | Ω | 350 Ω |
| Compensated Temperature Range | ℃ | -10 ~ 60 ℃ |
| Operating Temperature Range | ℃ | -30 ~ 80 ℃ |
| Temp. Effect on Zero | %RO/℃ | 0.01% RO/℃ |
| Temp. Effect on Output | %RO/℃ | 0.01% RO/℃ |
| Connector | – | Receptacle / PRC03-21A10-7F |
| Accessory Cable | – | LA-5 |


Reviews
There are no reviews yet.