Description
Models
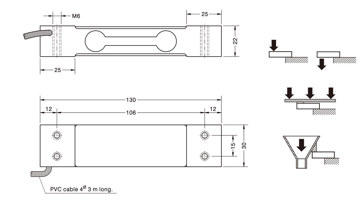
102-5kg, 102-8kg, 102-10kg, 102-15kg, 102-20kg, 102-30kg, 102-50kg
Features
Double bending beam load cell
Measuring element from aluminium
3000 Divisions OIML R60 class C
Protected IP 66 (EN 60529)
Single point load cell. High accuracy with
Off-center loads
Applications:
– direct platforms up to 350 x 350 mm
– Filling scales
Dimensions

Specifications



Reviews
There are no reviews yet.