Description
Models
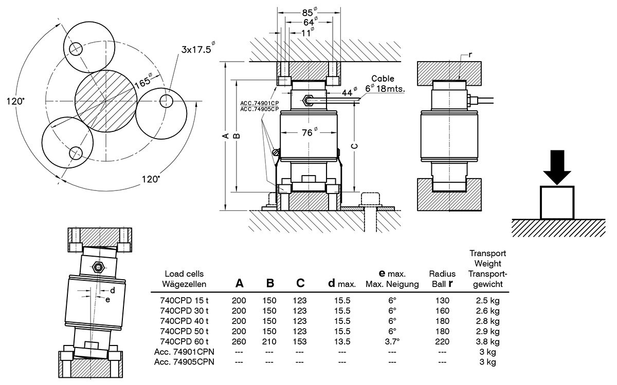
740CPD-15t, 740CPD-30t, 740CPD-40t, 740CPD-50t, 740CPD-60t
Features
Digital compression load cell, selfcentering
column
4000 divisions OIML R60 class C
Stainless Steel construction
Hermetically welded, protection class
IP 68 (EN 60529) and IP 69K (ISO 20653)
Lightning protection
Digital interface RS485 fullduplex
High speed of 200 readings/second
Configuration and updatable software
through serial interface
Advantages in system setup, corner
adjustment and individualized diagnosis
Applications: High capacity weighing
systems, truck scales
Dimensions

Specifications



Reviews
There are no reviews yet.