Description
VZ7AC3 High Capacity Beam Load Cell
Specifications
| Rated output | 2mV/V±0.05% |
|---|---|
| Nonlinearity | ±0.0333%R.C. |
| Hysteresis | ±0.0170%R.C. |
| Zero balance | ±10%R.O. |
| Temperature effect on zero balance | ±0.0140%R.C./10°C |
| Temperature effect on load | ±0.0117%R.C./10°C |
| Safe overload rating | 150%R.C. |
| Temperature compensation range | −10–40°C (No condensation or freezing) |
| Safe temperature range | −30–70°C (No condensation or freezing) |
| Input terminal resistance | 350Ω or more |
| Output terminal resistance | 356±0.12Ω |
| Recommended excitation voltage | 0.5–12V |
| Maximum excitation voltage | 18V |
| Insulation resistance | 2GΩ or more |
| IP rating | IP67 (Note 1) |
| Cable | φ5.4-6-core Shielded cable 6m |
- Creep 30min: 0.0166%R.C.
- Eccentric error: ±0.0233%R.C.
- (Note 1) Sealing performance of the cable outlet may deteriorate due to the change of cable jacket over years.
Model selection
| Selection | Model | Rated capacity | Deflection at R.C. | L+0.2 | MMH11 | J | B |
|---|---|---|---|---|---|---|---|
| VZ7AC3-5t | 49.03N | 0.45mm | 41.3 | 25.5 | 22.5 | 70 | |
| VZ7AC3-10t | 98.07N | 0.70mm | 51 | 27 | 27 | 82.6 |
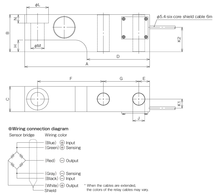
| Model | H | N | A | D | F | G | E | C | K1 | K2 | Weight |
|---|---|---|---|---|---|---|---|---|---|---|---|
| VZ7AC3-5t | 22.2 | 15.9 | 235 | 118 | 123.7 | 66.5 | 20.6 | 47.6 | 16 | 46 | Approx. 5kg |
| VZ7AC3-10t | 19.1 | 20.7 | 279.4 | 140 | 139.7 | 82.6 | 25.4 | 60.3 | 21 | 51 | Approx. 8kg |
Model selection
| Selection | Elastomer bearing Model | Rated capacity | B | L | P | R | T | X | Y | Z | a | e |
|---|---|---|---|---|---|---|---|---|---|---|---|---|
| VZ17/5T/ZEL-5t | 49.03N | 93 | 210.8 | 70 | 125 | 11 | 150 | 100 | 10 | 147+1.2-2.0 | 47.6 | |
| VHLCB/10T/ZEL-10t | 98.07N | 114.1 | 247.7 | 90 | 175 | 13 | 200 | 100 | 12 | 176+1.8-2.0 | 60.3 |
External dimensions (Unit: mm)



Reviews
There are no reviews yet.