Description
Model F1818 Compression force transducer
Miniature design to 5 kN
The miniature model F1818 compression force transducer is suitable for measuring static and dynamic compression forces to 5 kN. The low overall height and small external diameter enable simple installation in machinery or test instruments and they can therefore be used in the widest variety of industrial areas. With this, it is also ideally suited for the measurement of compression forces in areas where installation space is critical.
Fields of application include test rigs for a variety of purposes, monitoring and control of manufacturing processes, in test facilities and laboratories.
Specifications per VDI/VDE/DKD 2638
| Model F1818 | |||||||
| Rated force Fnom kN | 0.05 | 0.1 | 0.2 | 0.5 | 1 | 2 | 5 |
| Rated force Fnom lbf | 11.24 | 22.5 | 45 | 112 | 225 | 450 | 1,124 |
| Relative linearity error dlin | 0.5 % Fnom | ||||||
| Relative reversibility error v | 0.5 % Fnom | ||||||
| Relative span in unchanged mounting situation brg | 0.1 % Fnom | ||||||
| Relative deviation of zero signal dS, 0 | ±2 % Fnom | ||||||
| Limit force FL | 150 % Fnom | ||||||
| Breaking force FB | 200 % Fnom | ||||||
| Material of the measuring body | Stainless steel | ||||||
| Service temperature range BT, G | -20 … +80 °C [-68 … +176 °F] | ||||||
| Input resistance Re | 350 ±10 Ω | ||||||
| Output resistance Ra | 350 ±5 Ω | ||||||
| Insulation resistance Ris | ≥ 5,000 MΩ/DC 100 V | ||||||
| Output signal (rated characteristic value) Cnom | 1.5 ±0.15 mV/V | ||||||
| Electrical connection | Cable Ø 2 × 3,000 mm [Ø 0.1 in x 118 in] | ||||||
| Voltage supply | DC 5 V (max. 10 V) | ||||||
| Ingress protection (per IEC/EN 60529) | IP65 | ||||||
| Weight | 0.1 kg [0.22 lbs] | ||||||
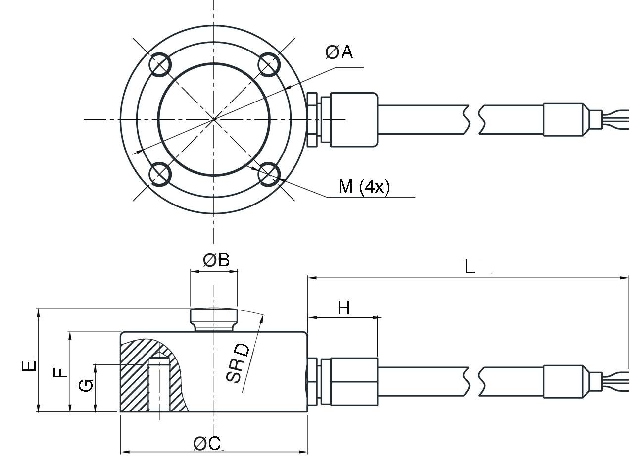
Dimensions in mm [in]

SR = spherical radius
Pin assignment
| Electrical connection | |
| Excitation voltage (+) | Red |
| Excitation voltage (-) | Black |
| Signal (+) | Green |
| Signal (-) | White |
| Shield | Shield |



Reviews
There are no reviews yet.