Description
Model F1821 Compression force transducer
Standard version to 100 kN
The model F1821 compression force transducer is suitable for harsh environmental conditions and available in measuring ranges to 100 kN. Its compactness enables a universal and reliable use in industry and laboratories.
This force transducer is easy to handle and its small dimensions predestine it particularly for use in narrow structures with limited space in which compression forces must be measured.
Specifications per VDI/VDE/DKD 2638
| Model F1821 | ||||||||
| Rated force Fnom kN | 0.2 | 0.3 | 0.5 | 1 | 1.5 | 2 | 3 | 5 |
| 10 | 15 | 20 | 30 | 50 | 60 | 75 | 100 | |
| Rated force Fnom lbf | 45 | 67.44 | 112 | 225 | 337 | 450 | 674 | 1,124 |
| 2,250 | 3,372 | 4,500 | 6,744 | 11,240 | 13,500 | 16,881 | 22,250 | |
| Relative linearity error dlin | 0.5 % Fnom | |||||||
| Relative reversibility error v | 0.5 % Fnom | |||||||
| Relative span in unchanged mounting situation brg | 0.1 % Fnom | |||||||
| Relative deviation of zero signal dS, 0 | ±3 % Fnom | |||||||
| Temperature effect on the zero signal TK0 | 0.05 % Fnom/10 K | |||||||
| Temperature effect on the characteristic value TKC | 0.05 % Fnom/10 K | |||||||
| Limit force FL | 150 % Fnom | |||||||
| Breaking force FB | 200 % Fnom | |||||||
| Material of the measuring body | Stainless steel | |||||||
| Rated temperature range BT, nom | -10 … +40 °C [-50 … +104 °F] | |||||||
| Service temperature range BT, G | -20 … +80 °C [-68 … +176 °F] | |||||||
| Input resistance Re | 385 ±10 Ω | |||||||
| Output resistance Ra | 350 ±5 Ω | |||||||
| Insulation resistance Ris | ≥ 5,000 MΩ/DC 100 V | |||||||
| Output signal (rated characteristic value) Cnom | 1.5 ±0.15 mV/V | |||||||
| Electrical connection | Cable Ø 4 × 3,000 mm [Ø 0.2 in × 118 in] | |||||||
| Voltage supply | DC 5 … 10 V (max. 15 V) | |||||||
| Ingress protection (per IEC/EN 60529) | IP66 | |||||||
| Weight | 0.4 kg [0.88 lbs] | |||||||
Dimensions in mm [in]

| Rated force in kN [lbf] | Dimensions in mm [in] | |||||||||
| ØA | ØB | ØC | SR D | E | F | G | H | L | M | |
| 0.2 [45] / 0.3 [67.44] / 0.5 [112] / 1 [225] / 1.5 [337] / 2 [450] / 3 [674] / 5 [1,124] / 10 [2,250] / 15 [3,372] / 20 [4,500] | 42 [1.65] | 50 [1.97] | 13 [0.51] | 50 [1.97] | 25 [0.98] | 21 [0.83] | 8 [0.32] | 12.5 [0.49] | 3,000 [118] | M5 |
| 30 [6,744] / 50 [11,240] | 42 [1.65] | 50 [1.97] | 16 [0.63] | 50 [1.97] | 25 [0.98] | 21 [0.83] | 8 [0.32] | 12.5 [0.49] | 3,000 [118] | M5 |
| 60 [13,500] / 75 [16,861] / 100 [22,500] | 42 [1.65] | 50 [1.97] | 21 [0.83] | 50 [1.97] | 25 [0.98] | 21 [0.83] | 8 [0.32] | 12.5 [0.49] | 3,000 [118] | M5 |
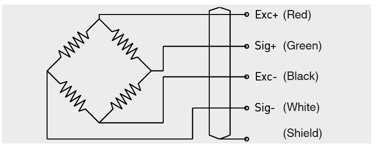
Pin assignment
| Electrical connection | |
| Excitation voltage (+) | Red |
| Excitation voltage (-) | Black |
| Signal (+) | Green |
| Signal (-) | White |
| Shield | Shield |



Reviews
There are no reviews yet.