Description
50110 Load Cell
DESCRIPTION:
This precision load transducer uses the latest in sensor technology. The 50110 responds to both compression and tension loading. Available in alloy steel, stainless steel or aluminum.
- Tension / Compression Loading
- High Natural Frequency
- Alloy Steel, Stainless Steel, Aluminum
- N.I.S.T. Traceable Calibration
- Environmentally Sealed, IP63/65
- 150% Safe Load
- 2 Year Warranty
- 5 Feet of Cable
SPECIFICATIONS:
| Standard Capacities (lbs.) | 5, 10, 25, 50, 75, 100, 150, 250 |
|---|---|
| Excitation Voltage | 10VDC – Maximum 15VDC |
| Rated Output | 3.0 mv/v |
| Non-Linearity | < 0.03% FSO (Full Scale Output) |
| Hysteresis | < 0.02% FSO |
| Non-Repeatability | < 0.02% FSO |
| Zero Balance | ± 1.0% FSO |
| Bridge Resistance | 350 ohms nominal (Input) 350 ohms +3.5 ohms (Output) |
| Safe Overload | 150% of Rated Capacity |
| Temperature – Compensated Range | 0 – 150 deg. F |
| Temperature – Effect of Output | < 0.0008% FSO/deg. F |
| Temperature – Effect on Zero | < 0.0011% FSO/deg. F |
| Material/Finish | Aluminum, Alloy Steel & Stainless Steel |
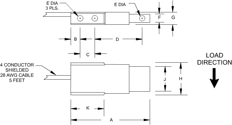
DIMENSIONS:

| CAPACITY (Lbs.) | A | B | C | D | EØ | F | G | H | J | K |
|---|---|---|---|---|---|---|---|---|---|---|
| 5-25 | 2.38 | 0.25 | 0.5 | 1.31 | 0.172 | 0.25 | 0.5 | 1 | 0.75 | 0.97 |
| 50 – 150 | 2.38 | 0.25 | 0.5 | 1.31 | 0.172 | 0.25 | 0.5 | 1 | 0.75 | 0.97 |
| 250 | 2.38 | 0.25 | 0.5 | 1.31 | 0.172 | 0.5 | 0.75 | 1 | 0.75 | 0.97 |
APPLICATIONS:
- Bag Weighing
- Force & Tension Measurement
- Textiles Scales
- Industrial Automation


Reviews
There are no reviews yet.