METTLER TOREDO / RLC / Ring Torsion Load Cells

• OIML C3 3000e and NTEP IIIM 5000d approvals
• Option OIML C6 6000e
• ATEX Zone 1/2 and 21/22 approved
• FM Class I,II,III Div 1 & 2 approved
• Stainless steel
• Hermetically sealed design
• IP68 protection class
• Low Profile
• Symmetrical center loading
• Built-in overload protection
Global metrology and hazardous area approvals allow
use in most applications, regardless of the location.

Description

Tank Weighing
The RLC load cell with capacity range from 250 kg to 10 t, allows the weighing of mid sized tanks, vessel and hoppers. The stainless steel design, hermetic sealing and IP68 protection provides the best reliability in tank weighing applications.

Sanitary Application
The stainless steel housing is welded in place to create a hermetic seal to prevent moisture from entering the interior of the load cell. This prevents deterioration of performance and subsequent failures.

0970 RingMount
The optional METTLER TOLEDO 0970 RingMount weigh module adds suspension, checking and anti-tipping to your RLC load cell and includes top and bottom mounting plates to simplify installation. Available in 316 stainless steel.

Parameter unit ofmeasure Specification
Model No. RLC
Class C3 / III M n:5000 C6 / III L M n:10000
Rated Capacity (R.C.) kg (lb,nominal) 250(551) 500(1102) 1000(2205) 2000(4409) 3500(7716) 5000(11023) 10000(22046) 1000(2205) 2000(4409) 3500(7716) 5000(11023)
Rated Output mV/V @R.C. 1.75 ±0.1% 2 ± 0.1% 2.05 ±0.1% 2 ± 0.1%
Zero load Output %R.C. ≤ 1.0 ≤ 1.0
Combined Error 1), 2) %R.C. ≤ 0.018 ≤ 0.013
Repeatability Error %A.L. 3) ≤ 0.01 0.004
Creep, 30 minute %A.L. ≤ 0.0167 ≤ 0.0083
Min. Dead LoadOutput Return (DR),30 min %A.L. ≤ 0.0167 ≤ 0.0083
TemperatureEffect on Min. Dead load Output %R.C./°C (../°F) ≤ 0.0020(0.0011) ≤ 0.0012 (0.0006)
Sensitivity 2) %A.L./°C (../°F) ≤ 0.0009(0.0005) ≤ 0.0004 (0.0002)
Compensated Temperature Range OperatingSafe Storage °C (°F) -10 ~ +40 (+14~ +104)
-30 ~ +70 (-22~ +160)
-50 ~ +80 (-58~ +176)
OIML / European Approval 4) OIML Cert. No.
European Cert. No. D09-00.08
Class C3 C6
nmax 3000 6000
Y 7100 12050
PLC 0.7
Humidity Symbol none
Min. dead load kg (lb) 10 (22) 0 (0)
NTEP

Approval 4)

Number 00-124 00-124III L M

10000

R.C./12050 (R.C./12050)0 (0)

Class III M
nmax 5000
Vmin kg (lb) R.C./7100 (R.C./7100)
Min. dead load kg (lb) 0 (0)
ATEX

Approval 4)

Number, cat. 2 KEMA 03ATEX1372 X
Number, cat. 3 KEMA 03ATEX1373 X
Rating II 2 G Ex ib IIC T6…T4
II 2D Ex tD A21 IP6X T70ºC
II 3 G Ex nA II T6…T4
II 3 G Ex nL IIC T6…T4
II 3D Ex tD A22 IP6X T70ºC
Entity Parameters Ui = 25V,Ii = 1A, Pi= 1.3W (T6), Pi = 2.75W(T4), Ci = 0.4nF, Li =0μH
Factory Mutual Approval 4) Number 3039904
Rating IS / I,II,III / 1 / ABCDEFG / T4
NI / I / 2 / ABCD / T4
S / II,III / 2 / EFG / T4
Entity Parameters Ui =20V, Ii = 600mA, Pi = 1.3W, Ci = 0, Li = 0
System Drawing No 64069516
Excitation Voltage RecommendedMax. V AC/DC 10
30
Terminal Resistance ExcitationOutput Ω 1100 ± 50 1110 ± 50 1100 ± 50 1110 ± 50
1025 ± 50 1025 ± 25 1025 ± 50 1025 ± 25
Insulation Resistance @50VDC > 5000
Breakdown Voltage V AC > 500
Material Spring Element stainless steel
Enclosure stainless steel
Cable entry fitting stainless steel
Cable PVC
Protection Type glass-to-metal seal
IP Rating IP68
NEMA Rating NEMA 6/6P
Load Limit SafeUltimate %R.C. 150
300
Safe Dynamic Load %R.C. 70
Fatigue Life cycles @R.C. > 1000000
Direction of Loading compression
Deflection @ R.C., nominal mm (in) 0.12 (0.005)
Weight, nominal kg (lb) 0.73 (1.6) 0.96 (2.2) 1.2 (2.6) 0.73 (1.6) 0.96 (2.2)
Cable Length m (ft) 5 (16.4) 10 (32.8) 5 (16.4)
Barometric Pressure Effect on Zero Load Output kg/kPa (lb/in.Hg) none
Safe Side Load %R.C. 100
Overload Protection
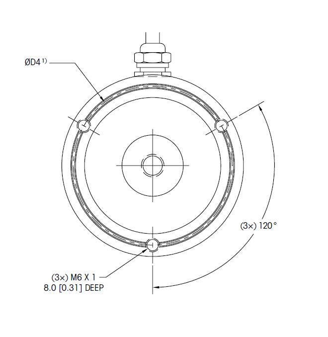
Mounting Screw Grade 10.9 (grade 8)
Size/thread M6
Engaged Length mm (in) 8 (0.31)
Torque, nominal N.m (ft-lb) 13 (9.6)

1) Error due to the combined effect of non-linearity and hysteresis
2) Typical values only. The sum of errors due to Combined Error and Temperature Effect on Sensitivity comply with the requirements of OIML R60 and NIST HB44.
3) A.L. = Applied Load
4) See certificate for complete information.

RLC Load Cell Dimensions mm [inch]

Dimensions and Locations

Capacity D D1 D2 D3 D4 1) H H1 H2 H3 L
250 – 1000 kg
[551 – 2205 lb]
80.0
[3.15]
25.0
[0.98]
19.0
[0.75]
M10 × 1.5 70.0
[2.76]
25.0
[0.98]
1.0
[0.04]
15.0
[0.59]
9.5
[0.37]
97.5
[3.84]
2000 – 5000 kg
[4409 – 11023 lb]
80.0
[3.15]
25.0
[0.98]
19.0
[0.75]
15.0
[0.59]
70.0
[2.76]
30.0
[1.18]
6.0
[0.24]
20.0
[0.79]
8.5
[0.33]
97.5
[3.84]
10000 kg
[22046 lb]
95.0
[3.74]
NA 29.1
[1.15]
24.9
[0.98]
83.0
[3.27]
35.0
[1.38]
NA 14.8
[0.58]
10.0
[0.39]
112.5
[4.43]

RLC Load Cell Order Information

Description Item No.
Load cell, model no. RLC, 250kg C3 61037713
Load cell, model no. RLC, 500kg C3 61038019
Load cell, model no. RLC, 1000kg C3 61036052
Load cell, model no. RLC, 2000kg C3 61037137
Load cell, model no. RLC, 3500kg C3 61037854
Load cell, model no. RLC, 5000kg C3 61038020
Load cell, model no. RLC, 10000kg C3 61038876
Load cell, model no. RLC, 1000kg C6 61038021
Load cell, model no. RLC, 2000kg C6 61037497
Load cell, model no. RLC, 3500kg C6 61038948
Load cell, model no. RLC, 5000kg C6 61037496

RLC Load Cell Cable Colors

Colour Function
Pink + Excitation
Gray – Excitation
Brown + Signal
White – Signal
clear Shield

Reviews

There are no reviews yet.

Be the first to review “METTLER TOREDO / RLC / Ring Torsion Load Cells”