Description
Platform Load Cell PC30
The stainless steel platform load cell PC30 is designed to be used in harsh industrial environments. This typically is where there is high humidity or where the temperature varies considerable or where aggressive cleaning chemicals are used. The PC30 has an OIML R60 approval to 3000D.
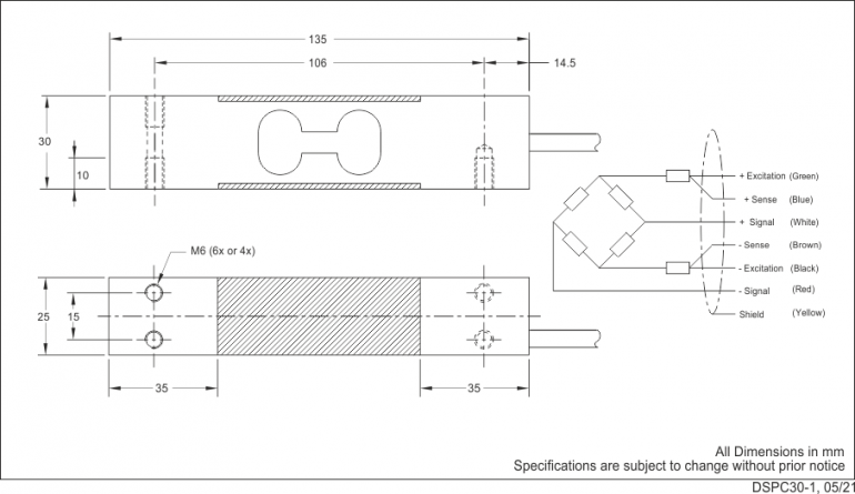
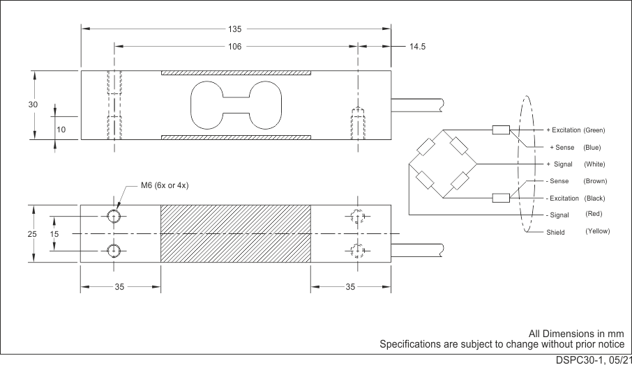
The Model PC30 like many platform load cell, has a dual beam mechanical design. Each load cell is manufactured using an optimised complex machining process. This ensures that there will be no measurement error when the load is placed off centre, eg in a corner of a platform.
A platform scale can easily be constructed using this load cell. You simply have to mount the load cell between two steel or aluminium plates up to 400 mm square, securing the bottom plate to the threaded holes in the underside of the load cell (cable entry end) and the top plate to the threaded holes on the upper face (opposite cable entry end). The load cell then has to connected to a suitable display or readout.
The PC30 platform load cell can be supplied with an optional ATEX approval for use in hazardous areas. The PC30 load cell is fitted with a 6 core shielded cable as standard.








Reviews
There are no reviews yet.