SENSORDATA / Fatigue Rated Hydraulic Actuator Universal Load Cell Models F300, F301, F302

• Fully fatigue rated
• Compact design
• Capacities from 5K through 100K
• Deflection less than 0.002 inch
• SAE 4340 alloy steel construction with
satin nickel finish
• Supplied with mating connector

Brand:

Description

Fatigue Rated Hydraulic Actuator Universal Load Cell Models F300, F301, F302

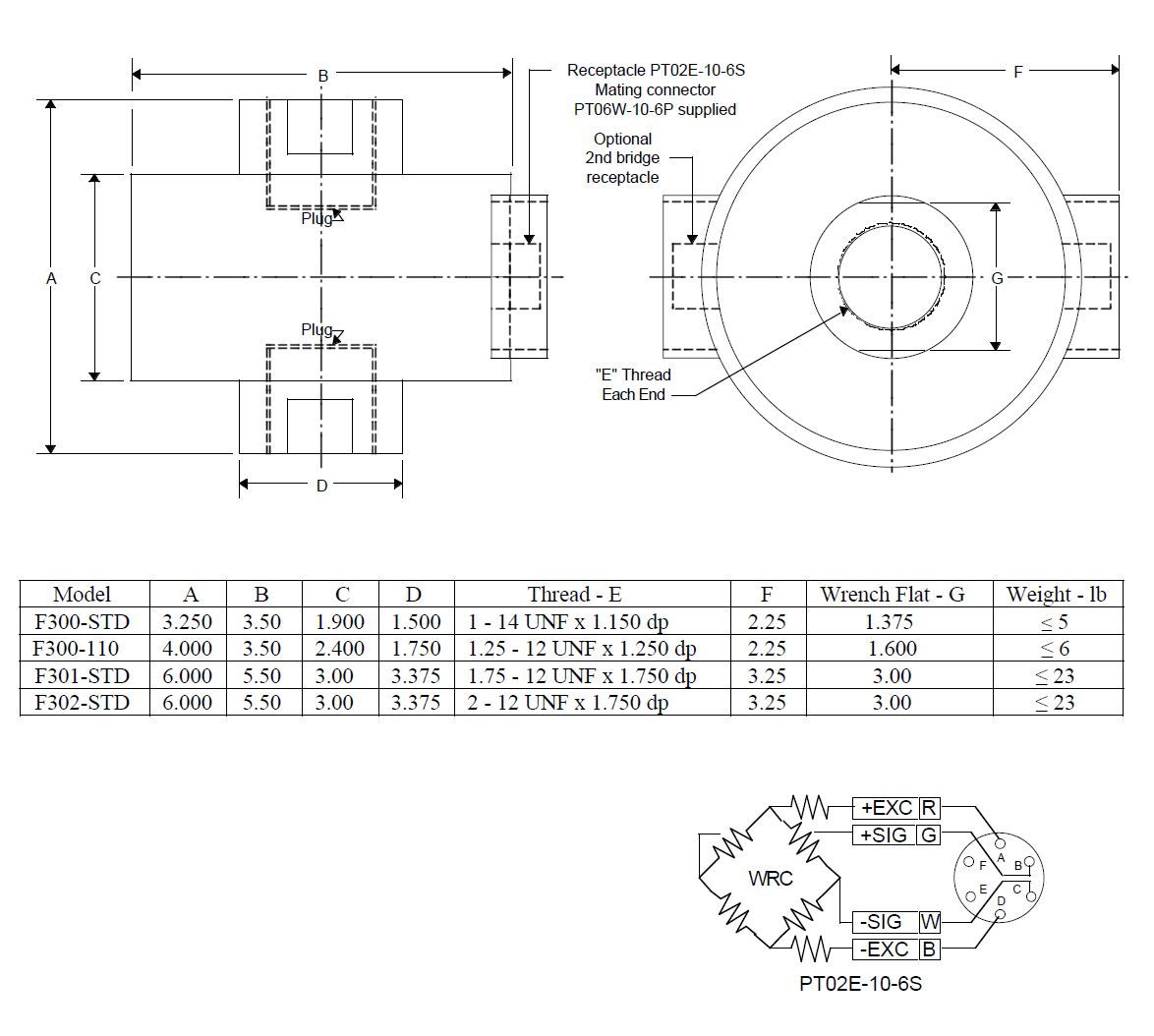
The F300, F301, and F302 were designed for direct in-line connection to hydraulic actuator rod ends and for use in airframe test fixtures and material testing machines. The F300, F301, and F302 feature fatigue rating, high stiffness, small diameter, and resistance to the negative effects of extraneous forces. Integral receptacle protection enhances its ruggedized construction by preventing accidental damage during setup or dismantling. The F300, F301, and F302 can be used with AC carrier and DC strain gage signal conditioning electronics. Interconnecting cable assemblies are available as an option. SensorData will provide in-house calibration of the F300, F301, and F302 with customer-supplied electronics for a fee.

Item Specification
Note Specifications subject to change without notice
Rated Fatigue Capacity 5K, 10K, 20K lbs (F300) 20K, 25K lbs (F300-110) 50K, 75K lbs (F301) 100K lbs (F302)
Nonlinearity 0.15% of rated output
Hysteresis 0.15% of rated output
Nonrepeatability 0.05% of rated output
Rated Output (Typical) 2 mV/V
Zero Balance ±1% of rated output
Operating Temperature Range -65 to +200 °F
Compensated Temperature Range +70 to +170 °F
Temperature Effect on Output 0.002% of load/°F
Temperature Effect on Zero 0.002% of rated output/°F
Input Impedance (Minimum) 750 ohms
Output Impedance 700 ±5 ohms
Excitation Voltage (Typical) 10 VDC or VAC rms
Excitation Voltage (Maximum) 20 VDC or VAC rms
Insulation Resistance > 5000 megohms at 50 VDC
Maximum Load (Safe) 150% of rated capacity
Maximum Load (Ultimate) 300% of rated capacity
Deflection at Rated Capacity (Typical) 0.002 in
Fatigue Rating 10⁸ cycles (full fatigue capacity tension to full fatigue capacity compression load)
Number of Bridges 1 (2nd bridge optional)
Weight Refer to table on next page
Construction SAE 4340 alloy steel with satin nickel finish

 

Reviews

There are no reviews yet.

Be the first to review “SENSORDATA / Fatigue Rated Hydraulic Actuator Universal Load Cell Models F300, F301, F302”