설명
MC12 Large Rugged Platform Transducer with Mounting Inserts
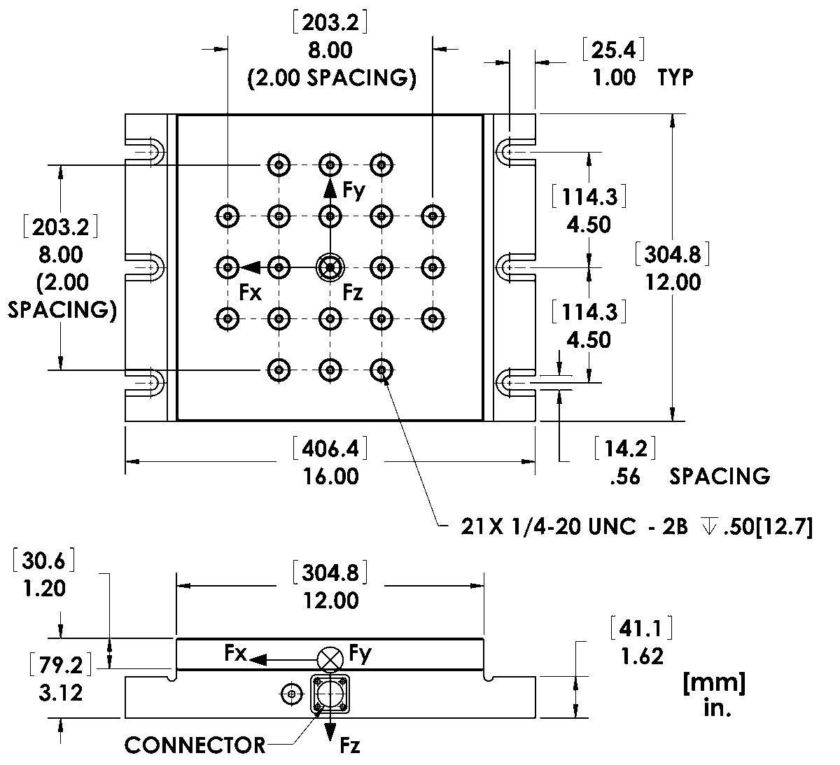
The MC12 is available in 3 vertical capacities, ranging from 1000 lb to 4000 lb (see Specifications Tables). The four sensing elements inside the transducer are bolted to the top and bottom plates that comprise the body. Viton seals are also used throughout the body of the sensor. Elastomeric O-ring seals protect the strain gages and wiring to maximize long term consistency and reliable performance.
General Specifications
| Specification | Details |
|---|---|
| Dimensions | 305 × 406 × 79 mm |
| Weight | 23 kg |
| Temperature Range | -18°C to 50°C |
| Channels | Fx, Fy, Fz, Mx, My, Mz |
| Body Material | Aluminum |
| Excitation | 10 V Maximum |
| Fx, Fy, Fz Hysteresis | < 1% Full Scale Output |
| IP Rating | IP60 |
| Analog Outputs | 6 Channels |
| Digital Outputs | USB (with GEN-5) |
| Sensing Elements | Strain Gage Bridge |
| Amplifier | GEN-5 Available for Purchase |
| Outputs | Digital (USB), Analog (Optional) |
| Crosstalk* | < 2% on All Channels |
| Fx, Fy, Fz Non-linearity | ±0.2% Full Scale Output |
| Available Capacities (Fz) | 1000, 2000, 4000 lb |
Capacities, Sensitivities & Frequencies
The table below provides a comparison of the available capacity models for this force sensor.
| Model Name Suffix (Fz, lbs) | 1000 | 2000 | 4000 |
|---|---|---|---|
| Fx, Fy Capacity (N) | 2225 | 4450 | 8900 |
| Fz Capacity (N) | 4450 | 8900 | 17800 |
| Mx, My Capacity (Nm) | 680 | 1360 | 2710 |
| Mz Capacity (Nm) | 340 | 680 | 1360 |
| Fx, Fy Sensitivity (µV/V-N) | 0.67 | 0.34 | 0.17 |
| Fz Sensitivity (µV/V-N) | 0.17 | 0.09 | 0.04 |
| Mx, My Sensitivity (µV/V-Nm) | 2.5 | 1.2 | 0.62 |
| Mz Sensitivity (µV/V-Nm) | 5.8 | 2.9 | 1.5 |
| Lowest Natural Frequency* (Hz) | 450 | 580 | 750 |
*The listed natural frequency is the lowest natural frequency for the force sensor and will dominate.
Technical Drawings



상품평
아직 상품평이 없습니다.