설명
MC3A Compact General Purpose 6-Axis Force-Torque Sensor
General Specifications
| Specification | Details |
|---|---|
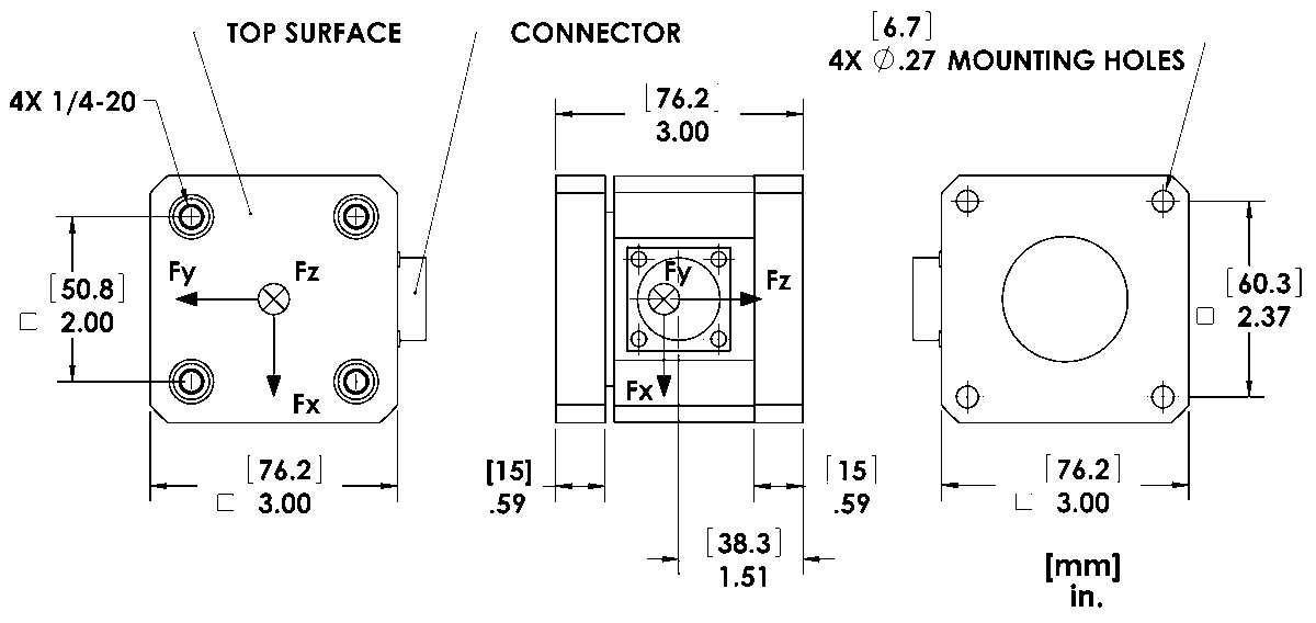
| Dimensions | 7.6 × 7.6 × 7.6 cm |
| Weight | 0.9 kg |
| Temperature Range | -18°C to 50°C |
| Channels | Fx, Fy, Fz, Mx, My, Mz |
| Body Material | Aluminum |
| Excitation | 10 V Maximum |
| Fx, Fy, Fz Hysteresis | < 1% Full Scale Output |
| IP Rating | IP60 |
| Analog Outputs | 6 Channels |
| Digital Outputs | USB (with GEN-5) |
| Sensing Elements | Strain Gage Bridge |
| Amplifier | GEN-5 Available for Purchase |
| Outputs | Digital (USB), Analog (Optional) |
| Crosstalk* | < 2% on All Channels |
| Fx, Fy, Fz Non-linearity | ±0.2% Full Scale Output |
| Available Capacities (Fz) | 100, 250, 500, 1000 lb |
Capacities, Sensitivities & Frequencies
The table below provides a comparison of the available capacity models for this force sensor.
| Model Name Suffix (Fz, lbs) | 100 | 250 | 500 | 1000 |
|---|---|---|---|---|
| Fx, Fy Capacity (N) | 225 | 555 | 1115 | 2225 |
| Fz Capacity (N) | 445 | 1115 | 2225 | 4450 |
| Mx, My Capacity (Nm) | 11 | 28 | 56 | 110 |
| Mz Capacity (Nm) | 5.6 | 14 | 28 | 56 |
| Fx, Fy Sensitivity (µV/V-N) | 5.40 | 2.70 | 1.35 | 0.67 |
| Fz Sensitivity (µV/V-N) | 1.35 | 0.67 | 0.34 | 0.17 |
| Mx, My Sensitivity (µV/V-Nm) | 266 | 137 | 71 | 35 |
| Mz Sensitivity (µV/V-Nm) | 212 | 106 | 53 | 27 |
| Lowest Natural Frequency* (Hz) | 300 | 500 | 700 | 100 |
*The listed natural frequency is the lowest natural frequency for the force sensor and will dominate.
Specifications subject to change without notice.



상품평
아직 상품평이 없습니다.