AMTI / MC6 Mid-Sized General Purpose Square Force Platform Sensor

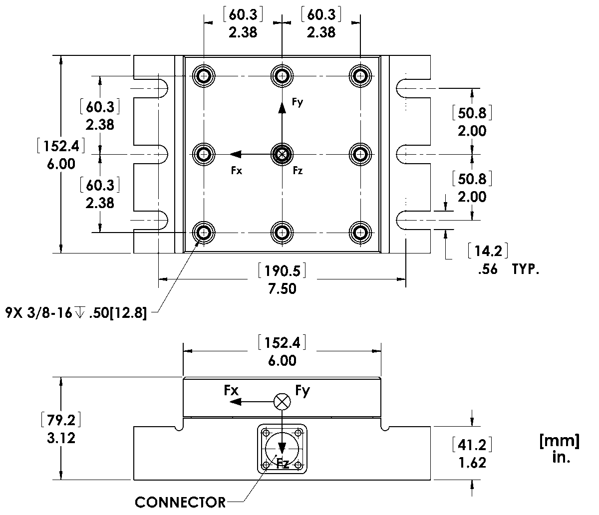
The MC6 is a square-top sensor that is designed for long term stability and reliable performance. This transducer is available in multiple vertical load capacities between 1,000 lb and 4,000 lb (see Specifications Tables). Providing up to six channels of output, the MC6 avoids excessive zero shift and exhibits maximum stiffness when mounted. The six inch top surface is equipped with threaded inserts and the flanged base allows for T-slot mounting.

설명

MC6 Mid-Sized General Purpose Square Force Platform Sensor

Built to endure harsh and extensive testing, this transducer is manufactured from a 7075-T6 aluminum alloy, and contains special seals to prevent water and oil contamination. Elastomeric O-ring seals protect the internal strain gages and wiring, and the anodized exterior resists corrosion and environmental wear.

General Specifications
Specification Details
Dimensions 152 × 152 × 79 mm
Weight 5.9 kg
Temperature Range -18°C to 50°C
Channels Fx, Fy, Fz, Mx, My, Mz
Body Material Aluminum
Excitation 10 V Maximum
Fx, Fy, Fz Hysteresis < 1% Full Scale Output
IP Rating IP60
Analog Outputs 6 Channels
Digital Outputs USB (with GEN-5)
Sensing Elements Strain Gage Bridge
Amplifier GEN-5 Available for Purchase
Outputs Digital (USB), Analog (Optional)
Crosstalk* < 2% on All Channels
Fx, Fy, Fz Non-linearity ±0.2% Full Scale Output
Available Capacities (Fz) 1000, 2000, 4000 lb
Capacities, Sensitivities & Frequencies

The table below provides a comparison of the available capacity models for this force sensor.

Model Name Suffix (Fz, lbs) 1000 2000 4000
Fx, Fy Capacity (N) 2225 4450 8900
Fz Capacity (N) 4450 8900 17800
Mx, My Capacity (Nm) 340 680 1360
Mz Capacity (Nm) 170 340 680
Fx, Fy Sensitivity (µV/V-N) 0.64 0.32 0.16
Fz Sensitivity (µV/V-N) 0.165 0.083 0.041
Mx, My Sensitivity (µV/V-Nm) 6.0 3.0 1.5
Mz Sensitivity (µV/V-Nm) 14.7 7.35 3.675
Lowest Natural Frequency* (Hz) 550 800 1000

*The listed natural frequency is the lowest natural frequency for the force sensor and will dominate.
Specifications subject to change without notice.

Technical Drawings

상품평

아직 상품평이 없습니다.

“AMTI / MC6 Mid-Sized General Purpose Square Force Platform Sensor”의 첫 상품평을 남겨주세요