설명
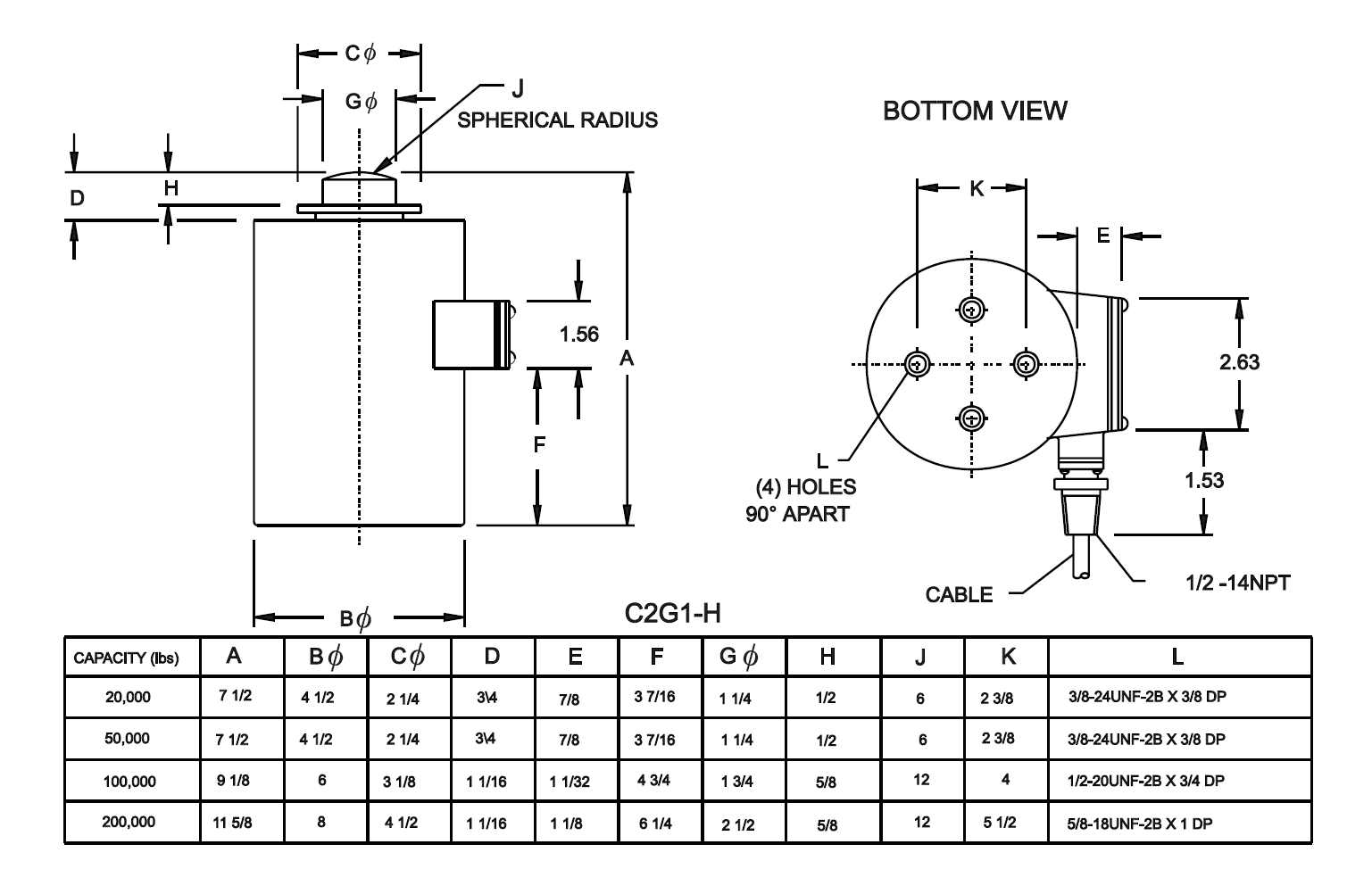
C2G1-H Canister
Features
Operational to 400°F
Compact – rugged
Low deflection
Environmentally sealed
20 000 to 200 000 pound capacities
Application: Process Weighing & Batching,Hazardous Areas
Certificates: cFMus
Combined Error: 0-0.05 %
Environment Protection Class: IP67,IP66,IP65,IP54,IP20
Industry: Metal,Chemical,Pharmaceutical
Material: Painted Steel
Max Capacity: k lb: 115-450
Max Capacity: kN: 500-2000
Max Capacity: ton: 50-200
Product Type: Weigh Modules & Load Cells
OUTLINE DIMENSIONS

High Temperature Load Cell
| Parameter | Value |
|---|---|
| PERFORMANCE | |
| Rated output | 2 mV/V ±0.25% |
| Non-linearity — % RO | 0.20 |
| Hysteresis — % RO | 0.10 |
| Repeatability — % RO | 0.10 |
| Creep — % RO (20 minutes) | 0.10 |
| ELECTRICAL | |
| Recommended excitation | 10 VAC-DC |
| Zero balance — % RO | 2.5 |
| Input resistance | 375 Ω ±8 Ω @ 400°F |
| Output resistance | 350 Ω ±10.0 Ω |
| Number of bridges | Single |
| Min. insulation resistance (Bridge to ground) | 1000 MΩ (@ 50 VDC) |
| Min. insulation resistance (Shield to ground) | 1000 MΩ (@ 50 VDC) |
| Electrical connection | 20 ft cable |
| TEMPERATURE | |
| Safe range | ±15 to ±400 °F |
| Compensated range | ±15 to ±400 °F |
| Effect on zero balance | 0.0025% RO / °F |
| Effect on rated output | 0.005% Load / °F |
| ADVERSE LOAD RATINGS | |
| Safe overload | 150% RO |
| Ultimate overload | 300% RO |
BLH Nobel is continually seeking to improve product quality and performance. Speciications may change accordingly. Appearance may differ from picture.


상품평
아직 상품평이 없습니다.