설명
HISP7 – C2® Stainless Steel Single Point Load Cell (100 kg – 500 kg)
The Hardy Process Solutions HI SP7 single point load cell is designed for gas cylinder scales, bench and floor scales, conveyor scales, check weighers, packing machines, and industrial process control. Its polished stainless construction and hermetic sealing make it a fantastic fit for sanitary food and beverage applications. These sensors feature C2® calibration capabilities and come with three meters (9-10 ft) of cable.
The HI SP7 is polished 17-4PH stainless steel with complete hermetic sealing. With IP68/IP69K, the HI SP7 is a perfect fit for use in harsh industrial environments. With a wide range of capacities from 100kg (220lb) to 550 kg (1.1Klb), it is an ideal fit for many industrial packaging applications.
| SPECIFICATIONS HISP7 | |
| Rated Output (ES) | 2mV/V±5% |
| Max # Verification Int. | 3000 |
| Min Verification Int. | Emax/12500 |
| Non-Linearity | <±0.0166 % R.O. |
| Hysteresis | <±0.0166 % R.O. |
| Zero Balance | <±5.0 % R.O. |
| Combined Error | <±0.02 % R.O. |
| Creep @ 30 Min. | <±0.0166 % R.O. |
| Temp Effect Output | <±0.0112 % R.O./C |
| Temp Effect Sensitivity | <±0.010 % R.O./C |
| Input Resistance ohm | 380 ±20 |
| Output Resistance ohm | 350 ± 10 |
| Insulation Resistance | >5000 Mohm |
| Excitation | 5 – 15 vdc |
| Safe Load Limit | 200 % Emax |
| Ultimate Load | 300 % Emax |
| Safe Side Load | 100 % Emax |
| Material | SS 17-4PH (1.4548) |
| Sealing | Hermetically Sealed |
| Protection & Hazardous | IP68/IP69K |
| Warranty | Two years |
ORDERING INFORMATION
No mounting hardware. Shipping Wt. approx. 5.5 lb
| Capacity | Model# | |
| lbs* | kg | Load Sensor |
| 220lb | 100kg | HISP7-100 |
| 551lb | 250kg | HISP7-250 |
| 1102lb | 500kg | HISP7-500 |
* lbs estimated based on kg conversion
| C2 WIRE COLOR CODE FLAG LABEL IS FOUND APPROX. 10 IN. FROM END OF SENSOR’S CABLE | |
| EXCITATION + | RED |
| EXCITATION – | BLACK |
| SIGNAL + | GREEN |
| SIGNAL – | WHITE |
| C2+* | GRAY |
| C2 –* | VIOLET |
| SHIELD | YELLOW |
CABLE LENGTH 9-10 FEET
WARNING: NEVER cut load sensor cable

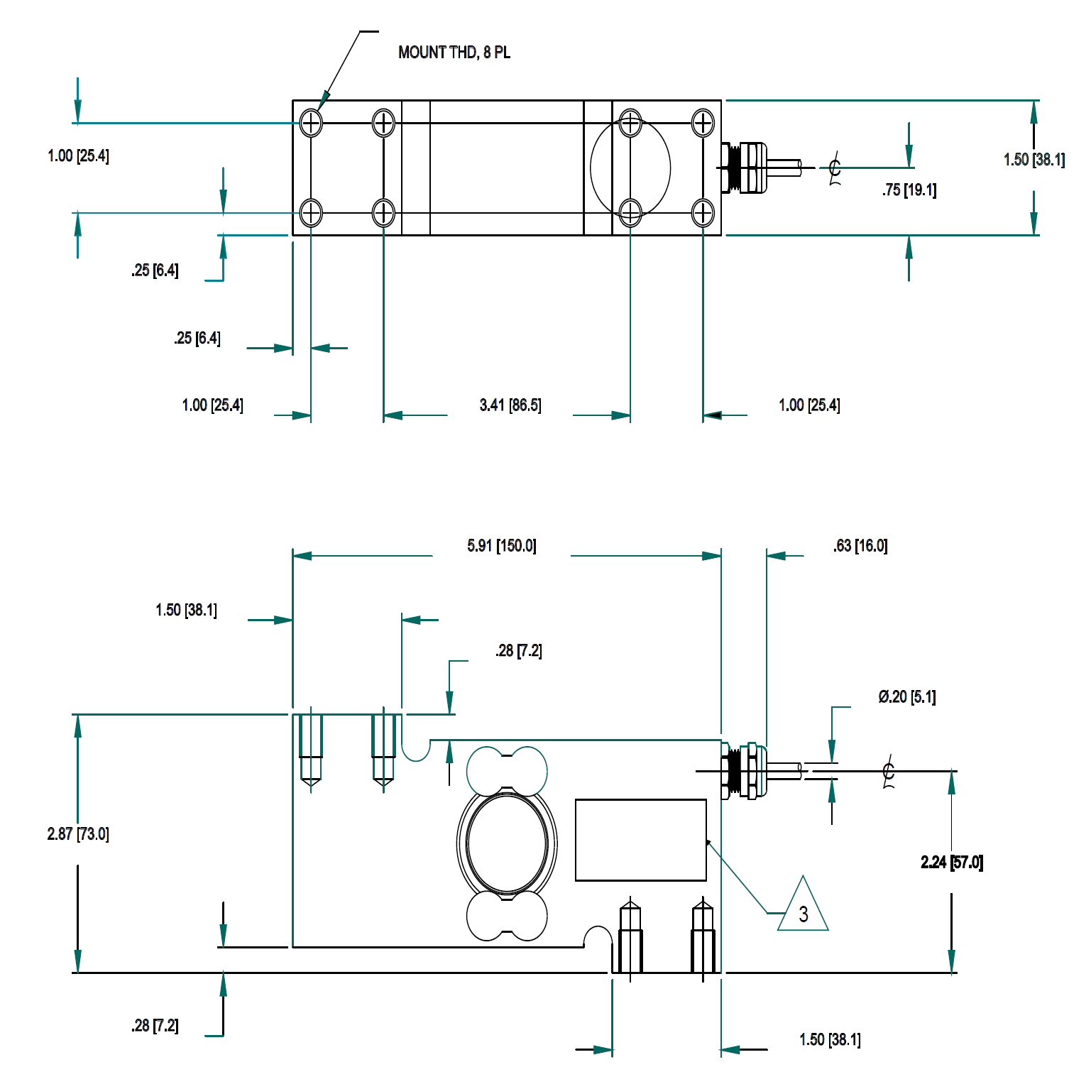
| MODEL NUMBER | CAPACITY LBS [KG] | MOUNT THD | THD TORQUE |
| HI SP7-100 | 220 LB [100KG] | M8 X 1.25 .47 [12MM] DEEP |
18 LB-FT [25NM] |
| HI SP7-250 | 550 LB [250KG] | ||
| HI SP7-500 | 1.1 KLB [500KG] |
TOLERANCES: ±0.01 [0.3] UNLESS OTHERWISE STATED


상품평
아직 상품평이 없습니다.