설명
HIBBH06 – C2® Stainless Steel, Hermetically Sealed Bending Beam Load Cell (44 lbs – 450 lbs)
Hardy HIBBH06 is a Hermetically Sealed, FM Certified, C2® Stainless Steel Bending Beam Load Cell. It is suitable for use in industrial environments.
Used with Advantage™ Low Range mounting hardware, it is a flexible load point with an ingress protection of IP68. It features a load cell accuracy class of C3 and is designed for demanding low capacity installations.
| Specifications | HIBBH06 |
| Capacity Lbs | 44/110/225/450 lbs |
| Capacity kg | 20/50/100/200 kg |
| Rated Output (ES) | 2±0.002mV/V |
| Non-Linearity | <±0.018 % R.O. |
| Hysteresis | <±0.025 % R.O. |
| Zero Balance | <±1.0 % R.O. |
| Creep @ 5 Min. | <±0.01 % R.O. |
| Temp Effect Output | <±0.0014 % R.O./C |
| Temp Effect Sensitivity | <±0.0007 % R.O./C |
| Input Resistance | 1050 to 1150 ohms |
| Output Resistance | 1000 ± 2 ohm |
| Insulation Resistance | >5000 Mohm |
| Excitation | 5 – 15 vdc |
| Safe Load Limit | 200 % Emax |
| Ultimate Load | 300 % Emax |
| Safe Side Load | 50 % Emax |
| Max Lift Off | 100 % Emax |
| Approvals | CE, IP68/IP69K |
| Warranty | Two years |


1. RATED OUTPUT; 2mV/V ±0.002.
2. MATERIAL. LOAD SENSOR- STAINLESS STEEL 17-4PH (1.4548). FITTINGS- ELECTRO POLISHED STAINLESS STEEL 316.
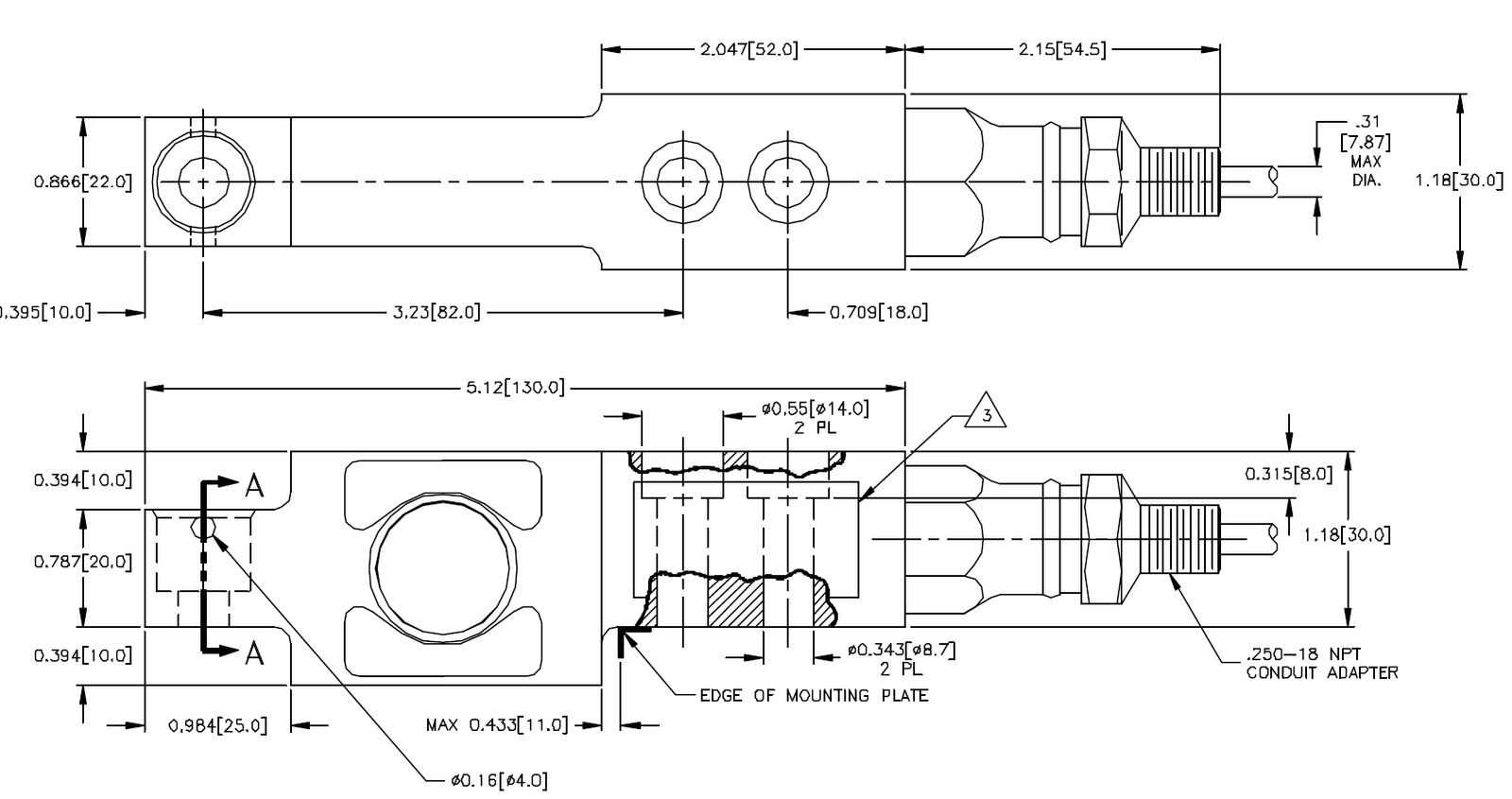
3. LOCATION OF SERIAL NUMBER LABEL, PN 0530-0345-XX.
4. CABLE WIRE ENDS ARE STRIPPED BACK 0.5 IN. AND TINNED. CABLE JACKET IS STRIPPED BACK APPROX. 5 IN.
5. CZ WIRE COLOR
EXCITATION + RED EXCITATION – BLACK
SIGNAL + GREEN
SIGNAL – WHITE
C2 + GRAY
CZ – VIOLET
SHIELD YELLOW
6. CABLE IS 6 CONDUCTOR, SHIELDED AND 10 FT. IN LENGTH CABLE SHIELD IS FLOATING.
7. THIS DRAWING IS SUBJECT TO CHANGE WITHOUT NOTICE.
8. TOLERANCES: ±0.010 [O 25J UNLESS OTHERWISE STATED.
9. MOUNTING BOLTS .312-24UNF [MB 8.8] TORQUE 18.4 FT LBS [25 Nm].


상품평
아직 상품평이 없습니다.