설명
SLB515 Beam Load Cell
The SLB515 is approved for use in various appli- cations in Europe, Asia, America and almost every- where else in the world. If an approval is required, the SLB515 probably already complies. Even if needed for hazardous areas later, the SLB515 is already prepared.

Floor Scales
Use the SLB515 load cell in platform and floor scales. Due to the hermetic welded design the SLB515 is ideal for harsh environments in process and food applications. The full set of appro- vals provides maximum applicability and safety in these applications.
Tank Weighing
The capacity range from 110kg to 4.4t allows the weighing of tanks and silos. The stainless steel design, hermetic sealing and IP68/IP69K protection provides the best reliability in tank and hopper weighing applications in harsh environments in process and food applications.
Hermetically Sealed
SLB515 load cells are made from stainless steel and hermetically sealed by laser welding. This protects the load cell from damp for the best stability and measuring performance.
Accessories
The optional accessories for proper load introduction guarantee the optimal performance in conjunction with thermal expansion and vibration.
Specifications
| Parameter | Unit of Measure | Specification | ||||||
|---|---|---|---|---|---|---|---|---|
| Model No. | SLB515 | |||||||
| Rated capacity (R.C.) | kg (lb) | 110 (250) | 220 (500) | 550 (1250) | 1100 (2500) | 2200 (5000) | 4400 (10000) | |
| Rated output | mV/V @R.C.-kg | 0.970 ± 0.2% | 1.940 ± 0.1% | |||||
| mV/V @R.C.-lb | 1.000 ± 0.2% | 2.000 ± 0.1% | ||||||
| Zero load output | %R.C. | ≤ 2 | ≤ 1 | |||||
| Combined error 1) 2) | %R.C. | ≤ 0.03 | ≤ 0.018 | ≤ 0.026 | ||||
| Repeatability error | %A.L.3) | ≤ 0.01 | ≤ 0.02 | |||||
| Creep, 30 minute | %A.L. | ≤ 0.017 | ||||||
| Min. dead load output return (DR), 30 min | %A.L. | ≤ 0.017 | ||||||
| Temperature effect on | Min. dead load output | %R.C./°C (../°F) | ≤ 0.0032 (0.0018) | ≤ 0.0016 (0.0009) | ≤ 0.0013 (0.0007) | ≤ 0.0016 (0.0009) | ||
| Sensitivity 2) | %A.L./°C (../°F) | ≤ 0.001 (0.0006) | ≤ 0.002 (0.0001) | |||||
| Compensated | °C (°F) | -10 to +40 (+14 to +104) | ||||||
| Temperature range | Operating | -40 to +65 (-40 to +150) | ||||||
| Safe storage | -40 to +80 (-40 to +176) | |||||||
| OIML / European approval 4) | Number, OIML Cert. No. | – | TBD / TC8758 | |||||
| Class | C3 | C1 | ||||||
| nmax | 3000 | 1000 | ||||||
| Vmin | g | 25 | 50 | 100 | 250 | 500 | ||
| PLC | 0.7 | |||||||
| Humidity symbol | CH | |||||||
| Min. dead load | kg | 0 | ||||||
| Z | 3000 | 1000 | ||||||
| Barometric Pressure Effect | none | |||||||
| NTEP approval 4) | Number | – | 15–052 | |||||
| Class | III M | |||||||
| nmax | 5000 | 1600 | ||||||
| Vmin | lb | 0.05 | 0.1 | 0.25 | 0.5 | 1 | ||
| Min. dead load | lb | 0 | ||||||
| ATEX approval 4) | Number, cat. 2 / cat. 3 | DEKRA 13ATEX0081 / DEKRA 13ATEX0082 | ||||||
| Rating, cat. 2 | II 2 G Ex ia IIC T4 Gb / II 2 D Ex ib IIIC T100 °C Db | |||||||
| Rating, cat. 3 | II 3 G Ex ic IIC T4 Gc / II 3 G Ex nA IIC T4 Gc / II 3 D Ex tc IIIC T100 °C Dc | |||||||
| Entity parameters | Ui/Un = 20V, Ii = 600mA, Pi = 1.25W, Ci = 0.2nF/m (5), Li = 1µH/m (5) | |||||||
| IECEx Approval 4) | Number | IECEx DEK 20.0086X | ||||||
| Rating | Ex ia IIC T4 Gb; Ex ic IIC T4 Gc; Ex ec IIC T4 Gc | |||||||
| Ex ib IIIC T100 °C Db; Ex tc IIIC T100 °C Dc | ||||||||
| Entity Parameters | Ui=20V, Ii=600mA, Pi=1.25W, Ci=1.2nF, Li=6µH; Urated = 20V, Irated = 55mA | |||||||
| Factory Mutual Aap- proval, USA / Canada 4) | Number, USA/Canada | FM18US0025 / FM18CA0032 | ||||||
| Rating, USA | IS / I, II, III / 1 / ABCDEFG / T4 Entity | |||||||
| NI / I / 2 / ABCD / T6 NIFW; S / II, III / 2 / FG / T6 | ||||||||
| Rating, Canada | IS / I, II, III / 1 / ABCDEFG / T4 Entity | |||||||
| NI / I / 2 / ABCD / T6 NIFW; DIP / II, III / 2 / FG / T6 | ||||||||
| Entity parameters | Vmax=20V, Imax=600mA, Pi=1.25W, Ci=0, Li=0; NIFW: Vmax=20V, Imax=600mA, Ci= 0, Li=0 | |||||||
| System drawing No, USA | 30136756 | |||||||
| Excitation voltage | Recommended | V AC/DC | 5 ~ 15 | |||||
| Max. | 20 | |||||||
| Terminal resistance | Excitation | Ω | 382 ± 4 | |||||
| Output | 350 ± 1 | |||||||
| Insulation resistance @50VDC | MΩ | > 5000 | ||||||
| Breakdown voltage | V AC | > 500 | ||||||
| Material | Spring element | Stainless steel | ||||||
| Enclosure | 304 Stainless steel | |||||||
| Cable entry fitting | 304 Stainless steel | |||||||
| Cable | Polyurethane (PU) | |||||||
| Protection | Type | Welded | ||||||
| IP Rating | IP68, IP69K | |||||||
| NEMA rating | NEMA 6/6P | |||||||
| Overload protection | Yes | No | ||||||
| Load limit | Safe | %R.C. | 150 | |||||
| Ultimate | 300 | |||||||
| Safe side load | %R.C. | 100 | ||||||
| Safe dynamic load | %R.C. | 70 | ||||||
| Fatigue life | cycles @R.C. | >1,000,000 | ||||||
| Direction of loading | Beam | |||||||
| Deflection @ R.C., nominal | mm (in) | 0.14 (0.005) | 0.23 (0.009) | 0.26 (0.01) | 0.37 (0.015) | 0.6 (0.024) | ||
| Weight, nominal | kg (lb) | 1 (2.2) | 1.4 (3.1) | 2.4 (5.3) | ||||
| Cable | Length | m (ft) | 3 (9.8), 5 (16.4), 10 (32.8) | |||||
| Diameter | mm (in) | 5.2 (0.20) | ||||||
| Mounting screw | Grade | 10.9 (Grade 8) | ||||||
| Size/thread | mm (in) | M12 (1/2–13 UNC) | M20 (3/4-10 UNC) | |||||
| Torque, nominal | Nm (ft-lb) | 98 (81) | 330 (190) | |||||
| Drawing No. | Dimensions | 30136761 | ||||||
| To-Scale | 30136762 | |||||||
1) Error due to the combined effect of non-linearity and hysteresis
2) Typical values only. The sum of errors due to combined error and temperature effect on sensitivity comply with the require- ments of OIML R60 and NIST HB44.
3) A.L. = Applied Load
4) See certificate for complete information.
5) (5)/m Load Cell Cable
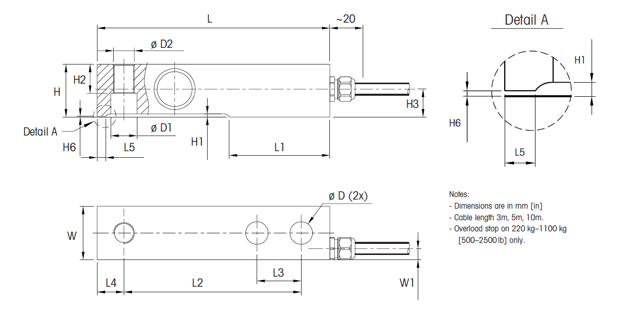
SLB515 Load Cell Dimensional Drawings mm [in]

Dimensions and locations
| Parameter | SLB515 (220–1100 kg [500–2500 lb]) | SLB515 (2200 kg [5000 lb]) | SLB515 (4400 kg [10000 lb]) |
| Capacity | 220–1100 kg [500–2500 lb] |
2200 kg [5000 lb] |
4400 kg [10000 lb] |
| D (2x) | 13.0 [0.51] | 13.0 [0.51] | 20.5 [0.81] |
| D1 | 12.5 [0.49] | 12.5 [0.49] | 22.2 [0.87] |
| D2 | M12 | M12 | M20 |
| H | 30.2 [1.19] | 36.6 [1.44] | 42.9 [1.69] |
| H1 | 1.8 [0.07] | 2.6 [0.10] | 2.5 [0.10] |
| H2 | 20 [0.79] | 20 [0.79] | 20 [0.79] |
| H3 | 16.0 [0.63] | 19.6 [0.77] | 22.7 [0.89] |
| H6 | 0.48 [0.02] | 2.6 [0.10] | 2.5 [0.10] |
| L | 133.4 [5.25] | 136.7 [5.38] | 171.5 [6.75] |
| L1 | 56.5 [2.22] | 55.6 [2.19] | 73.8 [2.91] |
| L2 | 101.6 [4.00] | 101.6 [4.00] | 133.4 [5.25] |
| L3 | 25.4 [1.00] | 25.4 [1.00] | 38.1 [1.50] |
| L4 | 15.4 [0.61] | 18.4 [0.72] | 21.4 [0.84] |
| L5 | 6.4 [0.25] | – | – |
| W | 30.7 [1.21] | 36.8 [1.45] | 42.9 [1.69]< |
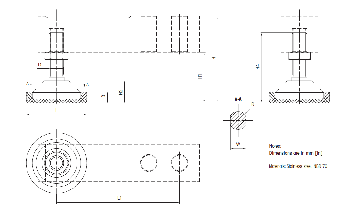
SLB515 Foot Kit FTK mm [in]

Dimensions and locations
| Parameter | FTKT (220–1100 kg [500–2500 lb]) | FTKT (2200 kg [5000 lb]) | FTKT (4400 kg [10 000 lb]) |
| Capacity | 220–1100 kg [500–2500 lb] |
2200 kg [5000 lb] |
4400 kg [10 000 lb] |
| L | Ø50 [Ø1.97] | Ø50 [Ø1.97] | Ø70 [Ø2.76] |
| L1 | 101.6 [4.00] | 101.6 [4.00] | 133.4 [5.25] |
| D | M12 | M12 | M20 |
| H min | 60 [2.36] | 66.4 [2.61] | 91 [3.58] |
| H max | 72 [2.84] | 78.4 [3.09] | 110 [4.33] |
| H1 min | 29.8 [1.17] | 29.8 [1.17] | 48.1 [1.89] |
| H1 max | 41.8 [1.65] | 41.8 [1.65] | 67.1 [2.64] |
| H2 | 18.2 [0.72] | 18.2 [0.72] | 29.5 [1.16] |
| H3 | 9 [0.35] | 9 [0.35] | 17 [0.67] |
| H4 | 58.2 [2.29] | 58.2 [2.29] | 87.5 [3.44] |
| R | 7.5 [0.30] | 7.5 [0.30] | 10 [0.39] |
SLB515 Expansion and Vibration Kit EVK mm [in]

Dimensions and locations
| Parameter | EVKT (220–1100 kg [500–2500 lb]) | EVKT (2200 kg [5000 lb]) | EVKT (4400 kg [10 000 lb]) |
| Capacity | 220–1100 kg [500–2500 lb] |
2200 kg [5000 lb] |
4400 kg [10 000 lb] |
| D1 | Ø9 [Ø0.35] | Ø9 [Ø0.35] | Ø11 [Ø0.43] |
| D2 | Ø60 [Ø2.36] | Ø60 [Ø2.36] | Ø72 [Ø2.83] |
| D3 | M12 | M12 | M20 |
| H min | 63 [2.48] | 69.4 [2.73] | 91 [3.58] |
| H max | 75 [2.95] | 81.4 [3.21] | 110 [4.33] |
| H1 min | 32.8 [1.29] | 32.8 [1.29] | 48.1 [1.89] |
| H1 max | 44.8 [1.76] | 44.8 [1.76] | 67.1 [2.64] |
| H2 | 21.5 [0.85] | 21.5 [0.85] | 29.5 [1.16] |
| H3 | 4.5 [0.18] | 4.5 [0.18] | 9.5 [0.37] |
| H4 | 61.5 [2.42] | 61.5 [2.42] | 87.5 [3.44] |
| L | 80 [3.15] | 80 [3.15] | 100 [3.94] |
| L1 | 58 [2.28] | 58 [2.28] | 76 [2.99] |
| L2 | 101.6 [4.00] | 101.6 [4.00] | 133.4 [5.25] |
| L3 | 11 [0.43] | 11 [0.43] | 12 [0.47] |
| R | 7.5 [0.30] | 7.5 [0.30] | 10 [0.39] |
| W | 12.8 [0.50] | 12.8 [0.50] | 20.8 [0.82] |
| S HMAX* | ±3 [±0.12] | ±3 [±0.12] | ±3 [±0.12] |
| SVMAX** | 1 [0.04] | 1.6 [0.07] | 2.2 [0.09] |
| Max. side load ratings | 2100N | 2400N | 2800N |
* Max Lateral displacement
** Max vertical displacement incl. load cell
SLB515 Base Plate Kit BPK mm [in]

| Parameter | 110 kg–1.1 t [250–2500 lb] | 2.2 t [5000 lb] | 4.4 t [10,000 lb] |
| L1 | 177.9 [7.00] | 177.9 [7.00] | 235.0 [9.25] |
| L2 | 152.4 [6.00] | 152.4 [6.00] | 184.2 [7.25] |
| L3 | 12.7 [0.50] | 12.7 [0.50] | 25.4 [1.00] |
| W1 | 114.4 [4.50] | 114.4 [4.50] | 152.4 [6.00] |
| W2 | 89.0 [3.50] | 89.0 [3.50] | 101.6 [4.00] |
| H1 | 72.6 [2.86] | 72.6 [2.86] | 105.0 [4.13] |
| H2 | 65.1 [2.56] | 65.1 [2.56] | 90.5 [3.56] |
| H3 | 19.1 [0.75] | 19.1 [0.75] | 25.4 [1.00] |
| H4 | 15.88 [0.625] | 12.7 [0.50] | 22.2 [0.87] |
| D | 11.2 [0.44] | 11.2 [0.44] | 17.5 [0.69] |
| 2 MACS | 98 Nm [72 lb–ft] | 98 Nm [72 lb–ft] | 270 Nm [200 lb–ft] |
| 3 MASS | 98 Nm [72 lb–ft] | 98 Nm [72 lb–ft] | 270 Nm [200 lb–ft] |
1 Two washers only for 4.4t
2 Torque carbon steel version
3 Torque stainless steel version
SLB515 Load Cell Order Information
| Order information | Item No., load cell | Item No., options | |||||
| Rated capacity | Class | Cable, material / length | Base Plate Kit BPK, 304 | Expansion+ Vibr Kit EVKT | Foot Kit FTKT | ||
| PU / 3 m (9.8 ft) | PU / 5 m (16.4 ft) | PU / 10 m 32.8 ft) | |||||
| 110kg / 250lb | 0.03% | 30101610 | 30101611 | 30101612 | 30265370 | 30076302 | 30076304 |
| 220kg / 500lb | C3/III M n:5 | 30101616 | 30101617 | 30101618 | |||
| 550kg / 1250lb | C3/III M n:5 | 30101622 | 30101623 | 30101624 | |||
| 1100kg / 2500lb | C3/III M n:5 | 30101628 | 30101629 | 30101630 | |||
| 2200kg / 5000lb | C3/III M n:5 | 30101634 | 30101635 | 30101636 | 30265372 | ||
| 4400kg / 10000lb | C1/III M n:1.6 | 30101640 | 30101641 | 30101642 | 30265374 | 30076303 | 30076305 |
SLB515 Load Cell Cable Colours
| Colour | Function |
| Green | + Excitation |
| Black | – Excitation |
| White | + Signal |
| Red | – Signal |
| Yellow | Shield* |
Full Connectivity
METTLER TOLEDO supplies various data communication interfaces that enable our sensors and instruments to communicate with your PLC, MES, or ERP systems.
Weighing Electronics
METTLER TOLEDO offers a complete family of electronics from simple weighing to application solutions for filling, stock control, batching, formulation, counting, checkweighing.


상품평
아직 상품평이 없습니다.