설명
SLC611 Load Cell
The SLC611 is approved for use in various applica-tions in Europe, Asia, America and almost everywhere else in the world. If an approval is required, the SLC611 probably already complies.

Tank Weighing
The SLC611 load cell with capacity range from 7.5t to 22.5t, allows the weighing of mid size tanks, hoppers and silos with ease. The stainless steel design, hermetic sealing and IP68 / IP69K protection provides the best reliability in tank weighing applications.
Hermetically Sealed
The weigh module SWC515 PinMountTM adds suspension, checking and anti-tipping to your SLC611 load cell and includes top and bottom mounting plates to simplify installation. Available in zinc plated mild steel or stainless steel.
SWC515 PinMount™
The weigh module SWC515 PinMount™ adds suspension, checking and antitipping to your SLC611 load cell and includes top and bottom mounting plates to simplify installation. Available in zinc plated mild steel or stainless steel.
SLC611 Load Cell Specifications
| Parameter | Unit of measure | Specification | ||||||
|---|---|---|---|---|---|---|---|---|
| Model No. | SLB415 | |||||||
| Rated capacity (R.C.) | kg (lb, nominal) | 110 (250) | 220 (500) | 550 (1250) | 1100 (2500) | 2200 (5000) | 4400 (10000) | |
| Rated output | mV/V @R.C. – kg | 0.970 ± 0.002 | 1.940 ± 0.002 | |||||
| mV/V @R.C. – lb | 1.000 ± 0.002 | 2.000 ± 0.002 | ||||||
| Zero load output | %R.C. | ≤ 1.0 | ||||||
| Combined error 1) 2) | %R.C. | ≤ 0.018 | ||||||
| Repeatability error | %A.L.3) | ≤ 0.01 | ||||||
| Creep, 30 minute | %A.L. | ≤ 0.0167 | ||||||
| Min. dead load output return (DR), 30 min | %A.L. | ≤0.0167 | ||||||
| Temperature effect on | Min. dead load output | %R.C./°C (../°F) | ≤ 0.0023 (0.0013) | |||||
| Sensitivity 2) | %A.L./°C (../°F) | ≤ 0.0009 (0.0005) | ||||||
| Compensated | °C (°F) | -10 ~ +40 (+14 ~ +104) | ||||||
| Temperature range | Operating | -40 ~ +65 (-40 ~ +150) | ||||||
| Safe storage | -40 ~ +80 (-40 ~ +176) | |||||||
| OIML / European approval 4) | OIML Cert. No. | R60/2000-NL1-13.19 | ||||||
| European Cert. No. | TC8311 | |||||||
| Class | C3 | |||||||
| nmax | 3000 | |||||||
| Y | 6000 | |||||||
| PLC | 0.7 | |||||||
| Humidity symbol | None | |||||||
| Min. dead load | kg (lb) | 0.4 (0.88) | ||||||
| Z | 3000 | |||||||
| NTEP approval 4) | Number | 13-081 | ||||||
| Class | III M | |||||||
| nmax | 5000 | |||||||
| Vmin | kg (lb) | 0.018 (0.04) | 0.037 (0.08) | 0.092 (0.20) | 0.183 (0.40) | 0.367 (0.81) | 0.733 (1.62) | |
| Min. dead load | kg (lb) | 0 (0) | ||||||
| ATEX approval 4) | Number, cat. 2 | DEKRA 13ATEX0081 | ||||||
| Number, cat. 3 | DEKRA 13ATEX0082 | |||||||
| Rating | II 2 G Ex ib IIC T4 Gb | |||||||
| II 2 D Ex ib IIIC T100 °C Db | ||||||||
| II 3 G Ex ic IIC T4 Gc | ||||||||
| II 3 G Ex nA IIC T4 Gc | ||||||||
| II 3 D Ex tc IIIC T100 °C Dc | ||||||||
| Ta: -40 °C to +60 °C | ||||||||
| Entity parameters | Ui=20V, Ii=600mA, Pi=1.25W, Ci=0.2nF/m (5), Li=1µH/m (5) | |||||||
| IECEx Approval 4 | Number | IECEx DEK 20.0086X | ||||||
| Rating | Ex ib IIC T4 Gb; Ex ic IIC T4 Gc; Ex ec IIC T4 Gc | |||||||
| Ex ib IIIC T100 °C Db; Ex tc IIIC T100 °C Dc | ||||||||
| Entity Parameters | Ui=20V, Ii=600mA, Pi=1.25W, Ci=1.2nF, Li=6µH; Urated = 20V, Irated = 55mA | |||||||
| Factory Mutual Approval US/Canada 4) | Number, USA/Canada | FM18US0025 / FM18CA0032 | ||||||
| Rating USA | IS / I, II, III / 1 / ABCDEFG / T4 Entity | |||||||
| NI / I / 2 / ABCD / T6 NIFW; S / II, III / 2 / FG / T6 | ||||||||
| Rating Canada | IS / I, II, III / 1 / ABCDEFG / T4 Entity | |||||||
| NI / I / 2 / ABCD / T6 NIFW; DIP / II, III / 2 / FG / T6 | ||||||||
| Entity parameters | Vmax=20V, Imax=600mA, Pi=1.25W, Ci=0, Li=0; NIFW: Vmax=20V, Imax=600mA, Ci=0, Li=0 | |||||||
| System drawing No, USA | 30032271 | |||||||
| Excitation voltage | Recommended | V DC | 5~15 | |||||
| Max. | 20 | |||||||
| Terminal resistance | Excitation | Ω | 382±4 | |||||
| Output | 350±1 | |||||||
| Insulation resistance @50VDC | MΩ | >5000 | ||||||
| Breakdown voltage | V AC | >500 | ||||||
| Material | Spring element | Alloy Steel | ||||||
| Enclosure | 304 Stainless steel | |||||||
| Cable entry fitting | 304 Stainless steel | |||||||
| Cable | PVC | |||||||
| Finish | Nickel plated | |||||||
| Protection | Type | Welded | ||||||
| IP rating | IP67 | |||||||
| NEMA rating | NEMA 6 | |||||||
| Load limit | Safe | %R.C. | 150 | |||||
| Ultimate | 300 | |||||||
| Safe side load | %R.C. | 100 | ||||||
| Safe dynamic load | %R.C. | 70 | ||||||
| Fatigue life | cycles @R.C. | > 1,000,000 | ||||||
| Direction of loading | Beam | |||||||
| Deflection @ R.C., nominal | mm (in) | 0.07 (0.003) | 0.14 (0.005) | 0.23 (0.009) | 0.26 (0.01) | 0.37 (0.015) | 0.6 (0.024) | |
| Weight, nominal | kg (lb) | 1 (2.2) | 1.4 (3.1) | 2.4 (5.3) | ||||
| Cable | Length | m (ft) | 2, 3, 5,10 (6.6, 9.8, 16.4, 32.8) | |||||
| Diameter | mm (in) | 5.2 (0.20) | ||||||
| Barometric pressure effect on zero load output | kg/kPa (lb/in.Hg) | None | ||||||
| Overload protection | Yes | No | ||||||
| Mounting screw | Grade | 10.9 (Grade 8) | ||||||
| Size/thread | mm (in) | M12 (1/2–13 UNC) | ||||||
| Engaged length | mm (in) | – | ||||||
| Torque, nominal | N.m (ft-lb) | 98 (81) | ||||||
| Drawing No. | Dimensions | 30106055 | ||||||
| 2D | 30094487 | |||||||
| 3D | 30094488 | |||||||
1) Error due to the combined effect of non-linearity and hysteresis
2) Typical values only. The sum of errors due to Combined Error and Temperature Effect on Sensitivity comply with the requirements of OIML R60 and NIST HB44.
3) A.L. = Applied Load
4) See certificate for complete information
5) % of Applied Load (A.L.) per mm (in) displacement of the top button relative to the bottom button
6) Maximum horizontal displacement of the top button relative to the bottom button
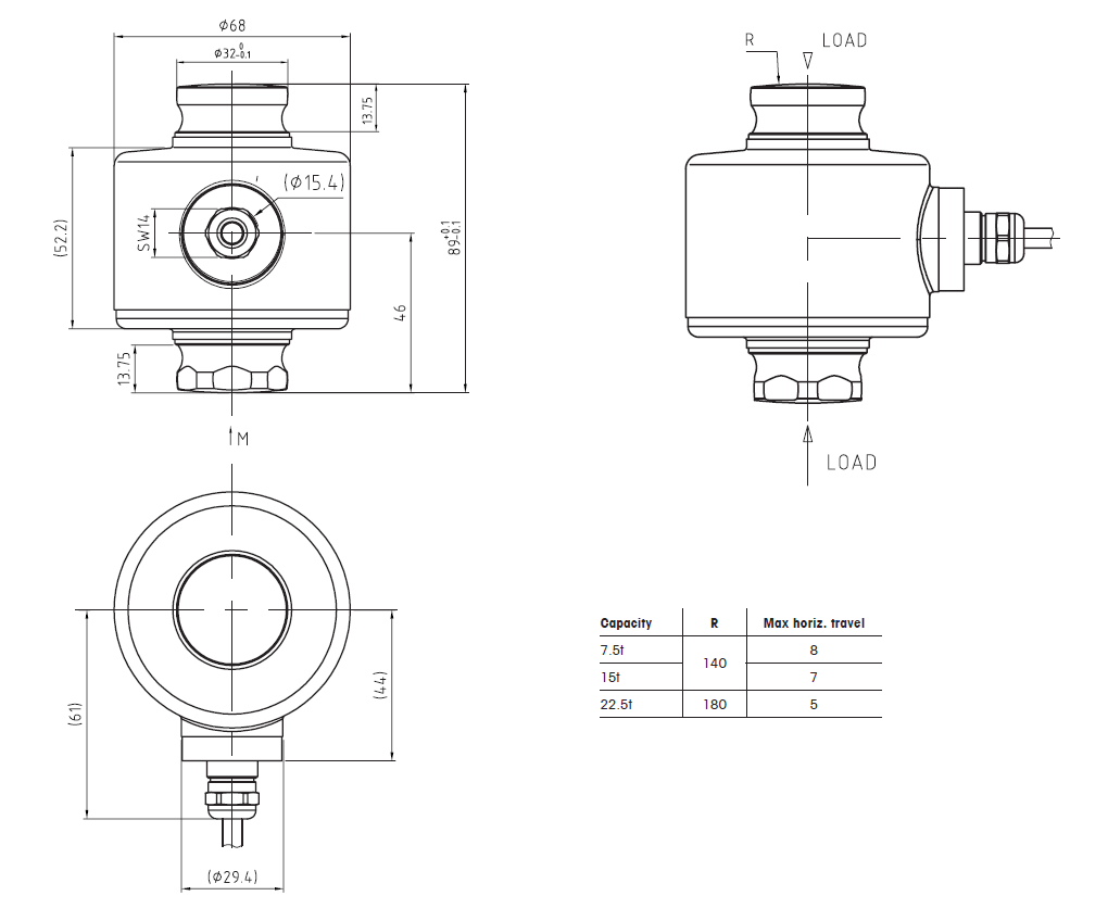
SLC611 Load Cell Dimensions mm

SLC611 Load Cell Order Information
| Order Information | Item No. | ||||
|---|---|---|---|---|---|
| Class | Cable, Material / Length | ||||
| PU / 12 m (39.4ft) | PU / 20 m (65.6ft) | FEP / 12 m (39.4ft) | FEP / 20 m (65.6ft) | ||
| 7.5 t / 16.5 klb | C3/III M n:5 | 30058060 | 30058064 | 30105781 | 30105786 |
| 15 t / 33 klb | C3/III M n:5 | 30058061 | 30058065 | 30105783 | 30105788 |
| 22.5 t / 49.6 klb | C3/III M n:5 | 30058062 | 30058066 | 30105784 | 30105789 |
SLC611 Load Cell Cable Colors
| Colour | Function |
|---|---|
| Green | + Excitation |
| Black | – Excitation |
| White | + Signal |
| Red | – Signal |
| Yellow | Shield |


상품평
아직 상품평이 없습니다.