설명
Bending / Shear Beam Load Cell SLB
Product Description
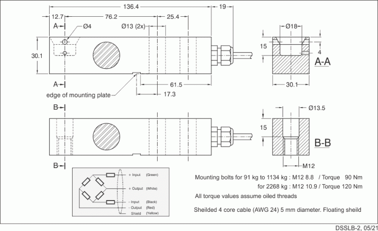
The shear beam load cell SLB conforms to the classic weighing industry design and is available in capacities from 91 kg to 2268 kg. Typical applications include large platform scales, container, silo and belt weighing as well as force and torque measurements in the test and process industries.
Approved to OIML R60 3000D and sealed to IP67, this load cell gives extremely accurate reproducible results, over a long term even in harsh industrial environments. For multi-cell application such as a platform, the standard current matching removes the need for corner load adjustment using potentiometers. You can even replace a single load cell without the need for re-calibration.
The SLB shear beam load cell can be supplied with an optional ATEX approval for use in hazardous gas and dust areas – Zone 0,1, 2 & Zone 20, 21, 22. Among the accessories specially developed for this load cell series include a range of feet, shock mounts and Cell-mates.








상품평
아직 상품평이 없습니다.