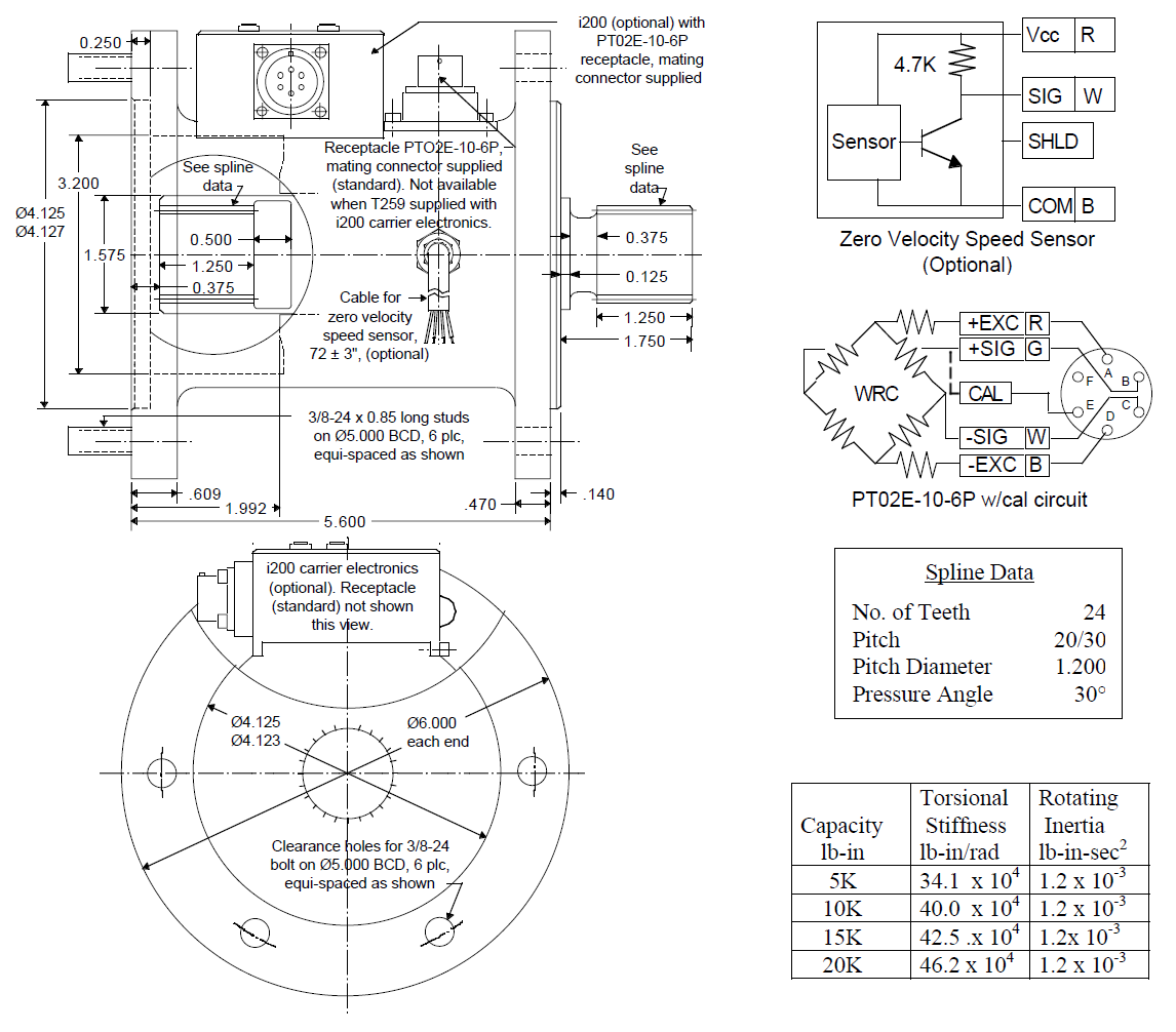
SENSORDATA / Spline Driven Transformer Coupled Torque Sensor T259

  • Meets AND 20002 & 10262 requirements
  • High stiffness, low inertia, and high bending moment capability
  • On-board shunt calibration circuit
  • Rated speed 20,000 rpm
  • Internal zero velocity speed sensor
  • (optional)
  • SAE 4340 alloy steel construction with satin nickel finish
  •  
브랜드:

설명

Spline Driven Transformer Coupled Torque Sensor T259

Description

The T259 rotary transformer torque sensor with a spline drive and flanged housing meets the mounting requirements of Army-Navy standards AND 20002 and AND 10262. The T259 is rated to operate at speeds up to 20,000 RPM over extended periods with standard grease pack bearings. The T-259 requires the use of AC carrier strain gage signal conditioning electronics such as SensorData’s I200. The optional zero velocity speed sensor is installed inside the T259 housing. Interconnecting cable assemblies are available as an option. SensorData Technologies will provide in-house calibration of the T-259 with customer-supplied electronics for a fee.

Item Specification
Type Rotary
Full Scale 565 Nm / 1130 Nm / 1700 Nm / 2260 Nm
Maximum Speed 20,000 RPM
Output 2 mV/V
Precision ±0.12 % FS
Excitation 2.8 V – 5 V AC
Drive Side 152 mm Flange
Test Side Gear Spline
Minimum Temperature -29 °C
Maximum Temperature 93 °C

상품평

아직 상품평이 없습니다.

“SENSORDATA / Spline Driven Transformer Coupled Torque Sensor T259”의 첫 상품평을 남겨주세요