설명
T120 Flange Reaction Torque Sensor
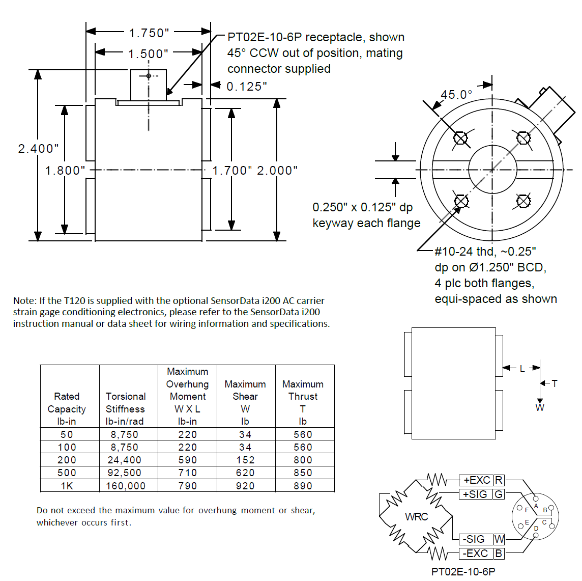
The SensorData Model T120 Series is a family of flange reaction torque sensors. They are designed for measuring the nonrotating reaction torque values common to motors, pumps, compressors, tire braking,and ridged drive shafts. They also support a variety of twisting measurements. The series offers “best in class” high torsional stiffness, along with the industry’s most compact and lightweight design. The higher stiffness of the Model T120 offers substantial increases in overhung moments, shear weight and maximum thrust. Their reduced size and weight allows for installation ease and flexibility at either the driver, or absorber end,of the measurement chain. Model T120 is available in five unique ranges, with a typical rated output of 2 mV/V.
Their sensing transduction technology utilizes a full bridge sensing element with integral temperature compensation, making possible tight zero and sensitivity shifts. External AC carrier or DC strain gage signal conditioning electronics, such as the SensorData i200, are recommended for use along with the Model T120. SensorData is also able to calibrate Model T120 together with customer-supplied electronics for a fee. Please consult the factory for details.
| Item | Specification |
|---|---|
| Type | Reaction |
| Full Scale | 5.65 Nm / 11.3 Nm / 22.6 Nm / 56.5 Nm / 113 Nm |
| Output | 2 mV/V |
| Precision | ±0.15 % FS |
| Excitation | 10 V DC / 10 V AC |
| Drive Side | Flange with Keyway |
| Test Side | Flange with Keyway |
| Minimum Temperature | -54 °C |
| Maximum Temperature | 93 °C |



상품평
아직 상품평이 없습니다.