SENSORDATA / Universal Mount Automotive Wheel Slip Ring Torque Sensor Model T312

    • 1.5” wide sensor body
    • Withstands environments up to 400 °F
    • Centerline offset correction (optional)
    • Weighs 14 lbs
    • SAE 4340 alloy steel – satin nickel finish
    • Special versions available
    •  
Category:
브랜드:

설명

Universal Mount Automotive Wheel Slip Ring Torque Sensor Model T312

Description

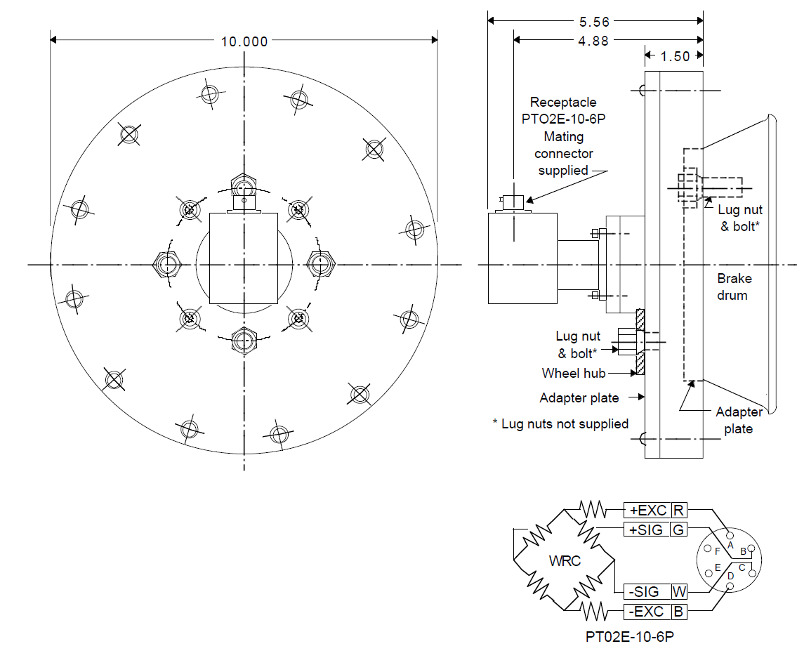
The T312 Universal Mount Automotive Wheel Torque Sensor is installed between the vehicle’s wheel hub and brake drum with the wheel’s tracking centerline offset 1.5 inch. The universal sensor can be mounted on most vehicles with 4 or 5 wheel bolt patterns. The included adapter set facilitates the attachment of the T312 to the user-specified drum and wheel-bolting pattern. A special wheel can be provided that will return the wheel’s tracking centerline to its original position. A slip ring assembly interconnects the wheel torque sensor and the vehicle’s on-board instruments. Contact SensorData Technologies to discuss a T312 configured to meet your special needs for a wheel torque sensor. Also refer to SensorData’s T212 for a transformer coupled wheel torque sensor similar to the T312.

Item Specification
Type Rotary
Full Scale 904 Nm / 1700 Nm / 2260 Nm / 3390 Nm / 5650 Nm
Maximum Speed 3,500 RPM
Output 1.5 mV/V
Precision ±0.60 % FS
Excitation 10 V DC
Drive Side 250 mm Flange
Test Side 250 mm Flange
Minimum Temperature -54 °C
Maximum Temperature 204 °C

상품평

아직 상품평이 없습니다.

“SENSORDATA / Universal Mount Automotive Wheel Slip Ring Torque Sensor Model T312”의 첫 상품평을 남겨주세요