설명
Small Capacity Shaft Driven Slip Ring Torque Sensor Model T331
Description
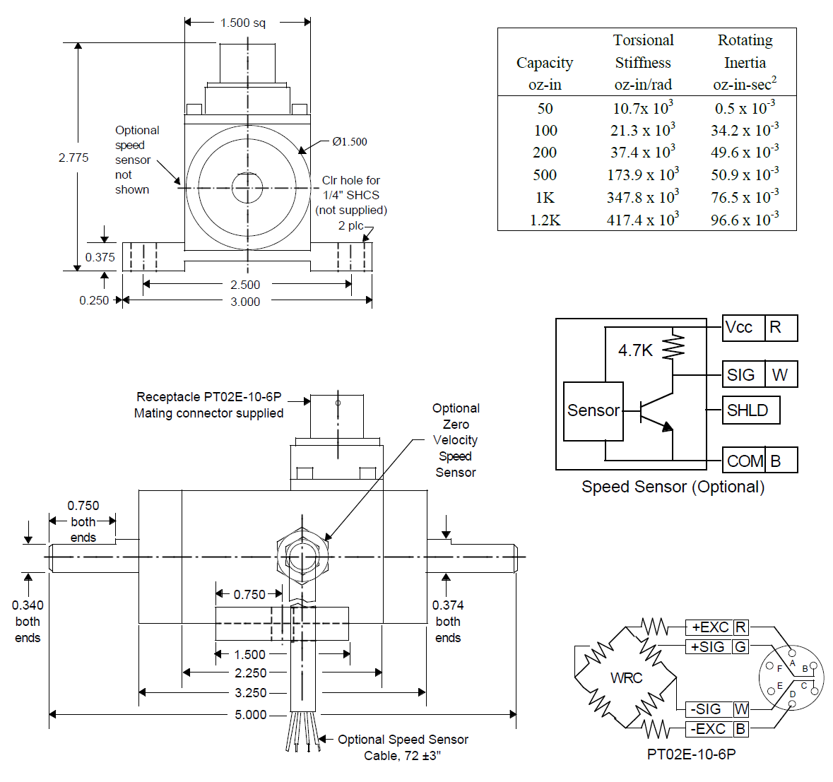
The T331 is designed for in-line testing of small motors, pumps, compressors, turbines, fans, and other fractional horsepower rated devices. The slip ring allows the use of either AC carrier or DC strain gage signal conditioning electronics. The T331 is supplied with a foot mount as standard. The optional zero velocity speed sensor is installed inside the T331 housing. Interconnecting cable assemblies are available as an option. In-house calibration of the T331 with SensorData electronics will be provided free of charge or with customer-supplied electronics for a fee.
| Item | Specification |
|---|---|
| Type | Rotary |
| Full Scale | 0.35 Nm / 0.71 Nm / 1.41 Nm / 3.53 Nm / 7.10 Nm / 8.47 Nm |
| Maximum Speed | 20,000 RPM |
| Output | 1.5 mV/V |
| Precision | ±0.25 % FS |
| Excitation | 10 V DC / 10 V AC |
| Drive Side | Round Shaft with Flat Side |
| Test Side | Round Shaft with Flat Side |
| Minimum Temperature | -54 °C |
| Maximum Temperature | 93 °C |



상품평
아직 상품평이 없습니다.