설명
VPW10AC3 series Single Point type Load Cell
Specifications
| Rated output | 2.0±0.2mV/V |
|---|---|
| Nonlinearity | ±0.0166%R.C. |
| Hysteresis | ±0.0166%R.C. |
| Zero balance | ±0.1mV/V |
| Temperature effect on load | −10–20°C:±0.0117%R.C./10°C -20–40°C:±0.0175%R.C./10°C |
| Safe overload rating | 150%R.C. |
| Safe Side Load Level | 300%R.C. |
| Temperature compensation range | −10–40°C (No condensation or freezing) |
| Safe temperature range | −10–50°C (No condensation or freezing) |
| Input terminal resistance | 300–500Ω |
| Output terminal resistance | 300–500Ω |
| Recommended excitation voltage | 5V or less |
| Excitation voltage range | 15V |
| Insulation resistance | 2000MΩ |
| IP Rating | Equivalent to IP67 (Note 1) |
| Cable | φ5.4-6-core Shielded cable 3m |
- Creep 30min: ±0.0166%R.C. Eccentric error: ±0.0233%R.C.
- (Note 1) Sealing performance of the cable outlet may deteriorate due to the change of cable jacket over years.
Model selection
| Selection | Model | Rated capacity | Minimum load cell Verification interval | Temperature effect on zero balance | Maximum Load Area |
|---|---|---|---|---|---|
| VPW10AC3-50kg | 50kg (490.3N) | 10g (0.0980N) | ±0.0280%R.C./10°C | 600×500mm | |
| VPW10AC3-100kg | 100kg (980.7N) | 20g (0.1961N) | ±0.0280%R.C./10°C | ||
| VPW10AC3-150kg | 150kg (1.471kN) | 20g (0.1961N) | ±0.0186%R.C./10°C | ||
| VPW10AC3-200kg | 200kg (1.961kN) | 50g (0.4903N) | ±0.0350%R.C./10°C | ||
| VPW10AC3-250kg | 250kg(2.451kN) | 50g(0.4903N) | ±0.0280%R.C./10°C | ||
| VPW10AC3-300kg | 300kg (2.942kN) | 50g (0.4903N) | ±0.0233%R.C./10°C |
- Deflection at R.C.: Approx. 0.5mm
- Weight: Approx. 600g
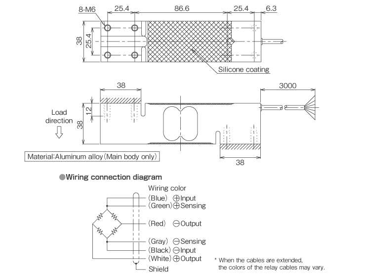
External dimensions (Unit: mm)



상품평
아직 상품평이 없습니다.