설명
Model F3201 Shear beam
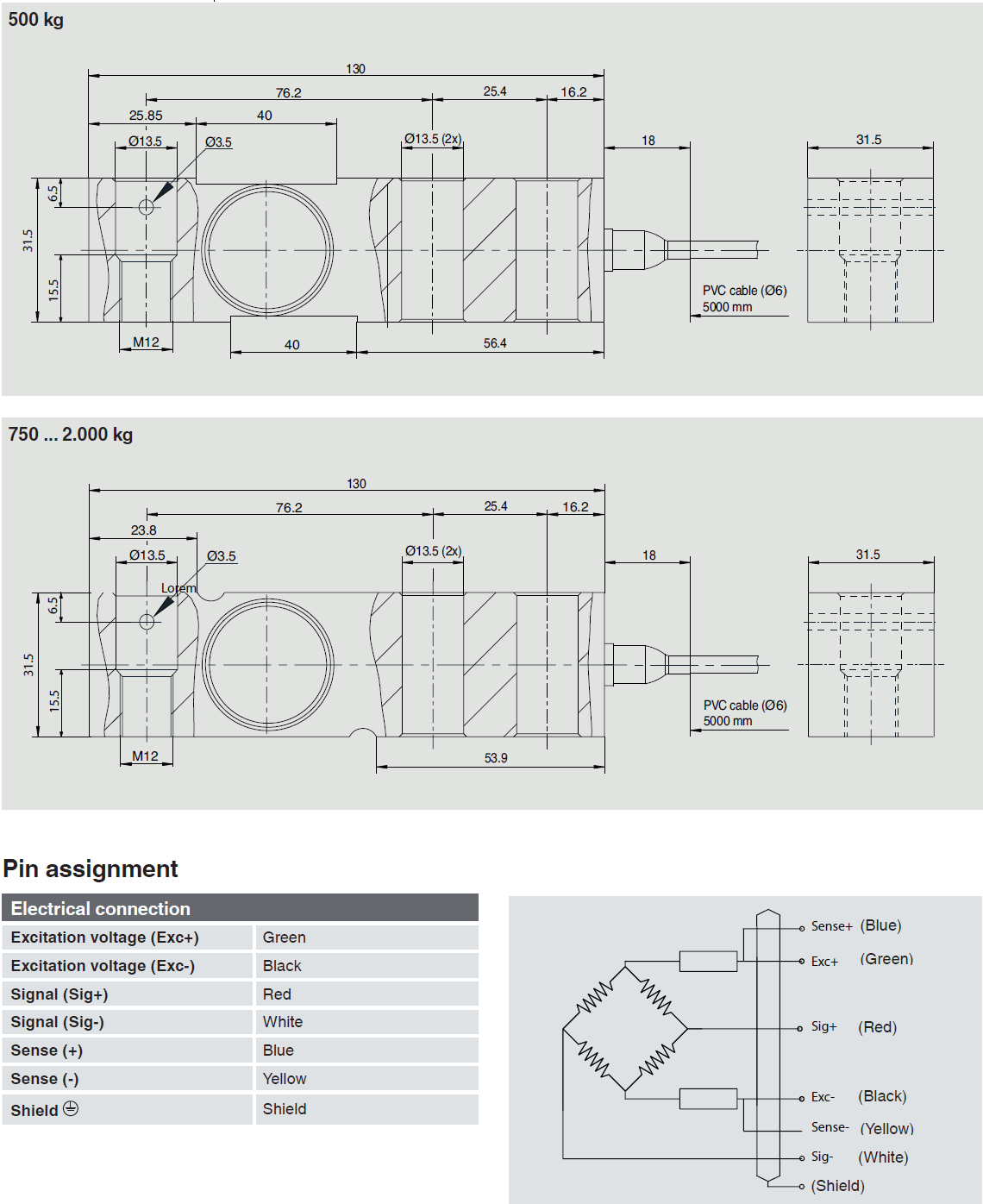
To 2,000 kg
Shear beams are suitable for static and dynamic measuring requirements. They serve for determining shear forces in diverse fields of application.
These shear beams are used in industrial weighing and laboratory technology, and also in the process industry.
The F3201 shear beams are made of stainless steel, whose properties are particularly suitable for the fields of application in scales, laboratory technology and stage construction. An mV/V signal is provided as the output signal.
Notes
To avoid overloading, the shear beam should be electrically connected and the measured value monitored during assembly.
The measuring force must be introduced through the centre and free of transverse force. When assembling the shear beam, care should be taken that the support surface is flat.
Compatible force introduction pieces are available as an option.
Specifications per VDI/VDE/DKD 2638
| Technical Data | Specification |
|---|---|
| Model | F3201 |
| Rated Load (Fnom) | 500 / 750 / 1,000 / 2,000 kg |
| Relative Linearity Error (dlin) | 0.017 % Fnom |
| Accuracy Class | OIML R60 Class C, 3,000 intervals |
| Relative Creep (30 min) | < ± 0.016 % Fnom |
| Relative Reversibility Error (v) | ± 0.015 % Fnom |
| Temperature Effect on Zero Signal (TK0) | ≤ ± 0.012 % / 10 K |
| Temperature Effect on Characteristic Value (TKC) | ≤ ± 0.02 % / 10 K |
| Force Limit (FL) | 150 % Fnom |
| Breaking Force (FB) | 200 % Fnom |
| Measuring Body Material | Stainless Steel |
| Rated Temperature Range (BT, nom) | −10 … +40 °C |
| Operating Temperature Range (BT, G) | −30 … +70 °C |
| Input Resistance (Re) | 400 ± 20 Ω |
| Output Resistance (Ra) | 350 ± 3 Ω |
| Insulation Resistance (Ris) | ≥ 5,000 MΩ |
| Output Signal (Cnom) | 2.0 mV/V |
| Electrical Connection | Measuring cable ∅ 6 × 5 m |
| Excitation Voltage (BU, nom) | DC 10 … 15 V |
| Ingress Protection (IEC/EN 60529) | IP68 / IP69K |
| Weight | 0.9 kg |
Dimensions in mm



상품평
아직 상품평이 없습니다.