설명
KIMD-6 Load Cell
Features
Suitable for weighing and force measurement applications
Easy installation
The cylindric shape makes it easy to replace an axis
Resistant against harsh environment
Could be adapted for other dimensions and capacities
ATEX and IECEx approved for hazardous area upon request
Certified for Functional Safety applications
Application: Process Weighing & Batching,Crane Weighing & Overload Protection,Hazardous Areas
Certificates: ATEX,IECEx,SIL
Combined Error: 0.11-2 %
Environment Protection Class: IP67,IP66,IP65,IP54,IP20
Industry: Offshore,Metal,Mining,Pulp & Paper,Chemical,Pharmaceutical,Food & Beverage
Material: Stainless Steel
Max Capacity: k lb: 25-115
Max Capacity: kN: 100-500
Max Capacity: ton: 10-50
Product Type: Weigh Modules & Load Cells
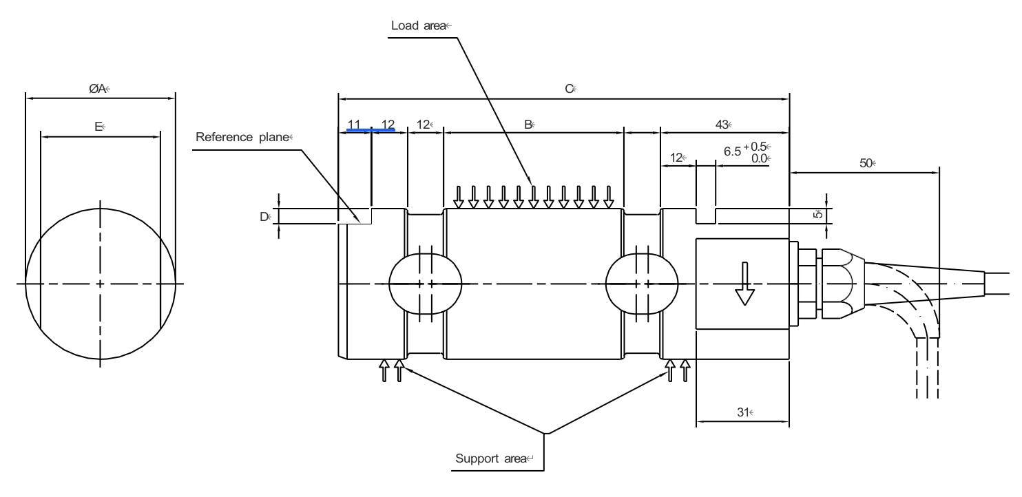
OUTLINE DIMENSIONS—10, 20, 50, 100, 200 kN Capacities

| RANGE kN | ØA | B | C | D | E |
| 10, 20, 50 | 40 f8 (–0.025)
(–0.064) |
35 | 125 | 4 | 32 |
| 100 | 50 f8 (–0.025)
(–0.064) |
60 | 150 | 5 | 40 |
| 200 | 70 f8 (–0.030)
(–0.076) |
60 | 150 | 5 | 60 |
Load Cell
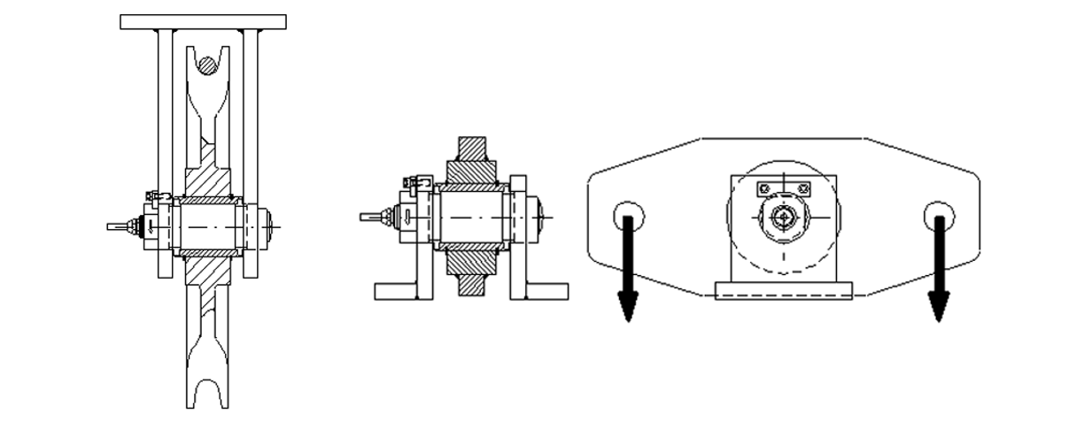
INSTALLATION EXAMPLE

| SPECIFICATIONS | |
| PARAMETER | VALUE |
| Rated load (RL) | 10, 20, 50, 100, 200 kN |
| Combined error | +/-0.25% R.O. |
| Repeatability | ±0.05 RO |
| Safe load* | 200% RL |
| Ultimate load* | 300% RL |
| Safe sideload* | 100% RL |
| Ultimate sideload* | 200% RL |
| Input voltage, recommended | 10 VDC or VAC |
| Input voltage, maximum | 18 VDC or VAC |
| Input resistance | 382 Ω ±5 Ω |
| Output resistance | 350 Ω ±5 Ω |
| Rated output (RO) | ≈1 mV/V |
| Zero balance | ±5% RO |
| Tolerance of shunt calibration values | ±1% of value (actual output listed on unit calibration sheet) |
| Temperature range | –40 to +80°C, –40 to +100°C upon request |
| Temperature effect on output | +0.005% of output/°C |
| Temperature effect on zero balance | ±0.005% of RO/°C |
| Insulation resistance at 200 VDC | >4 GΩ |
| Material | Stainless steel |
| Electrical connection | 5 m shielded four conductor cable 10, 20, 50 kN
10 m shielded four conductor cable 100, 200 kN |
| Degree of protection | IP67 |
* Referring to recommended loading point
BLH Nobel is continually seeking to improve product quality and performance. Speciications may change accordingly.


상품평
아직 상품평이 없습니다.