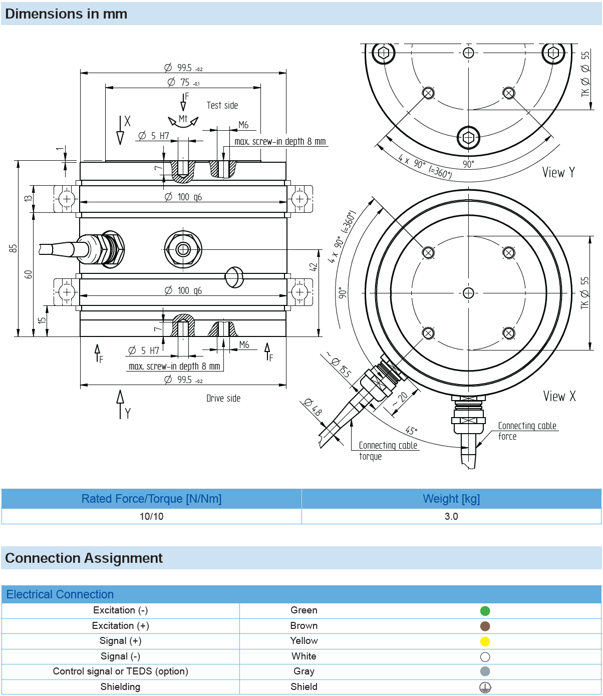
Lorenz / Multi-Component Sensor M-2354

Performance Features

• Reaction torque/force sensor, non-rotating, for e. g. survey
of the bearing friction of ball bearings
• TEDS (Transducer Electronic Data Sheet)
Standard IEEE 1451.4 (optional)
• Very short axial length
• Reliable and durable
• Simple handling and assembly
• Special versions on request

Application

• Assembly technology
• Process measuring and control technology
• Automotive industry
• Measuring and control devices
• Tool engineering
• Special mechanical engineering

브랜드:

설명

Multi-Component Sensor M-2354 with Rated Force / Rated Torque of 10 kN/10 Nm

상품평

아직 상품평이 없습니다.

“Lorenz / Multi-Component Sensor M-2354”의 첫 상품평을 남겨주세요