METTLER TOREDO / SLS510 / S-Type Tension Load Cell

Use the SLS510 when better corrosion protection is required and weighing performance cannot be compromised. Every SLS510 load cell features:

• OIML C3 and NTEP approval
• ATEX and FM approvals
• Reliable Strain Gauge design
• Standard mechanical interface• Robust design, Stainless steel
• High output signal 3mV/V
• Potted; IP67 Protection

브랜드:

설명

SLS510 S-Type Tension Load Cell

Tension Weighing
Use the SLS510 in tension weighing applications requiring Stainless Steel Load Cells to convert suspended hoppers or other hanging devices into a weighing system. The cell can also be used to convert mechanical scales to electronic. The robust and economical design is suitable for use in industrial environments requiring a higher degree of corrosion protection.

Robust Strain Gauge Design
The SLS510 load cell uses a reliable Strain Gage design with excellent measurement stability. The high sensitivity output enables the use of economic weight indicators, providing a valuable low-cost solution. The wide capacity range offers the optimum selection to maximize signal for your application.

Inch Threads and Lb Capacities
The METTLER TOLEDO SLS510 load cell is available with Inch threads to match the commonly available standards. Due to this common mechanical interface the SLS510 can be easily integrated into most systems.

Tension Weigh Mount
The optional SWS310 Tension Weigh Module provides a complete solution to integrate into your system. Due to the optimized design the best weighing performance is guaranteed. The load cell is electrically isolated from the rods, while the ground strap provides a bypass for current, thus protecting against lightning and welding damage.

Load Cell Parameter Unit of measure Specification
Rated Capacity (R.C.) lb 50 100200300 50075010001500 2000 3000 5000 10,000 15,000 20.000
Rated Output mV/V @ R.C. 3.000 ± 0.25%
Zero Load Output % R.C. 1
Combined Error2 % R.C. ≤ 0.02
Repeatability Error % A.L.3 ≤ 0.01
Creep, 30 Minutes Use % A.L. ≤ 0.017
Temperature Effect on Min Dead Load Output % R.C./°C (…/°F0) ≤ 0.0015 (0.00083)
Sensitivity % R.C./°C (…/°F0) ≤ 0.0009 (0.0005)
Compensated °C (°F) -10 ~ +40 (+14 ~ +104)
Operating °C (°F) -35 ~ +70 (-31 ~ +158)
OIML /European Approval4 European Cert No. D09-08.25
Class C3
nmax 3000
Y 7000 10,000 12,000
PLC 0.7
Humidity Symbol none
Min. Dead Load 0
Z 3000
NTEP Approval4 Number 11-020 NA
Class Class III, IIIL
nmax Class III = 5000,Class IIIL = 10,000
Vmin (Class III) lb 0.002 0.0040.0080.012 0.0200.0300.0400.060 0.080 0.120 0.200 0.400 0.600
Min. Dead Load lb 2 2 551010 10 10 10 10 15
ATEX Approval4 Number, cat 1 FM09ATEX0048X
Number, cat 3 FM09ATEX0049X
Rating II 1 GEx ia IIC T4 Ta=-20°C to +40°C; IP67
II 1 D Ex iaD T73°C; IP67
II 1 G Ex nL IIC T4 Ta=-20°C to +40°C; IP67
Entity Parameters Ui=20V, Ii=600mA, Pi=6W, Ci=12nF, Li=40μH
FM Approval, USA / Canada4 Number 3036007 / 3036007C
Rating IS / I,II,III / 1 / ABCDEFG / T4
I,II,III / 2 /ABCDFG / T4
Class 1, Zone 0, AEx, ia IIC T4
Class 1, Zone 0, Ex, ia IIC T4
Rating (USA only) Class 1, Zone 2, GroupIICT4
Rating (Canada only) Ex nL IIC T4
Entity Parameters Vmax=20V, Imax=600mA, Pi=6W, Ci=12nF, Li=40μH
System Drawing No. 175295R
Excitation Voltage Recommended V AC/DC 10
Maximum V AC/DC 18
Terminal Resistance Excitation Ω 430 ± 60
Output Ω 351 ± 2
Insulation resistance at 50 VDC MΩ > 5000
Breakdown voltage V AC >500
Material Spring element Stainless Steel
Enclosure Stainless Steel
Cable entry fitting Stainless Steel
Cable Polyurethane
Protection Type Potted with Metal Cover
IP Rating IP67
NEMA Rating NEMA 6 / 6P
Load limit Safe % R.C. 150
Ultimate 300
Safe dynamic load % R.C. 70
Fatigue life Cycles @ R.C. 1,000,000
Direction of loading Tension
Deflection @ R.C., nominal mm (in) 0.18[0.007] 0.22[0.009] 0.29[0.011] 0.37[0.014] 0.74[0.029] 0.78[0.031] 0.57[0.022]
Weight, nominal kg (lb) 0.45 0.7 0.9 1.6 1.8 3 7.3
[1.0] [1.6] [2.0] [3.4] [4.0] [6.6] [16.1]
Cable length m (ft) 6 (19.7)
Overload protection No
  1. Error due to the combined effect of non-linearity and hysteresis
  2. Typical values The sum of errors due to Combined Error and Temperature Effect on Sensitivity comply with the requirements of OIML
  3. L. = Applied Load
  4. Refer to  certificate  for  complete  information:  http://glo.mt.com/global/en/home/search/compliance.html/compliance/

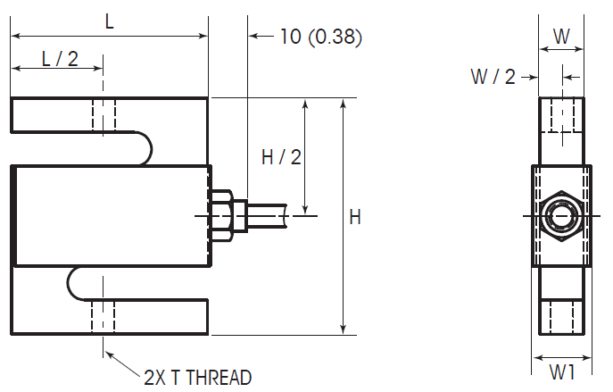
SLS510 Load Cell Dimensional Drawing mm [inch]

Dimensions (inch [mm]) and Data

Capacity H H / 2 L L / 2 T [2x] W W / 2 W1
50 – 300 lb 2.40 [61.0] 1.20 [30.5] 2.00 [50.8] 1.00 [25.4] 1/4 – 28UNF X 0.35 DP 0.46 [11.7] 0.23 [5.8] 0.59 [15.1]
500 – 1,500lb 2.40 [61.0] 1.20 [30.5] 2.00 [50.8] 1.00 [25.4] 1/2 – 20UNF X 0.35 DP 0.71 [18.0] 0.36 [9.0] 0.84 [21.4]
2,000 lb 2.40 [61.0] 1.20 [30.5] 2.00 [50.8] 1.00 [25.4] 1/2 – 20UNF X 0.35 DP 0.96 [24.4] 0.48 [12.2] 1.09 [27.8]
3,000 lb 3.90 [99.1] 1.95 [49.5] 3.00 [76.2] 1.5 [38.1] 1/2 – 20UNF X 0.55 DP 0.96 [24.4] 0.48 [12.2] 1.09 [27.8]
5,000 lb 3.90 [99.1] 1.95 [49.5] 3.00 [76.2] 1.5 [38.1] 3/4 – 16UNF X 0.55 DP 0.96 [24.4] 0.48 [12.2] 1.09 [27.8]
10,000 lb 3.90 [99.1] 1.95 [49.5] 2.94 [74.7] 1.47 [37.31] 3/4 – 16UNF X 0.62 DP 1.21 [30.7] 0.61 [15.4] 1.34 [34.1]
15,000 lb 5.50 [139.7] 2.75 [69.9] 3.44 [87.4] 1.72 [43.7] 1 – 14UNF X 1.06 DP 1.46 [37] 0.73 [18.5] 1.59 [40.4]
20,000 lb 7.00 [177.8] 3.50 [88.9] 4.44 [112.8] 2.22 [56.4] 1 1/4 – 12UNF X 1.56 DP 1.69 [42.9] 0.845 [21.5] 1.82 [46.2]

SLS510 Load Cell Order Information

Model Number Item Number
SLS510 Load Cell, 50lb 61040268
SLS510 Load Cell, 100lb 61040269
SLS510 Load Cell, 200lb 61040270
SLS510 Load Cell, 3000lb 61040271
SLS510 Load Cell, 500lb 61040272
SLS510 Load Cell, 750lb 61040273
SLS510 Load Cell, 1000lb 61040274
SLS510 Load Cell, 1500lb 61040275
SLS510 Load Cell, 2000lb 61040276
SLS510 Load Cell, 3000lb 61040277
SLS510 Load Cell, 5000lb 61040278
SLS510 Load Cell, 10,000lb 61040279
SLS510 Load Cell, 15,000lb 61040306
SLS510 Load Cell, 20,000lb 61040307

SLS510 Load Cell Cable Colors

Color Function
Red + Excitation
Black – Excitation
Green + Signal
White – Signal
Bare Shield

상품평

아직 상품평이 없습니다.

“METTLER TOREDO / SLS510 / S-Type Tension Load Cell”의 첫 상품평을 남겨주세요