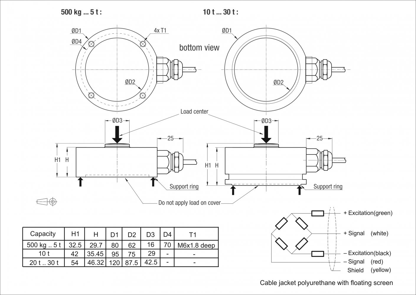
SENSOR / High Capacity Load Cell Q50
- Capacities from 500 kg to 30 ton
- Low profile , stainless steel construction
- Hermetically sealed to IP68 and IP69K
- Outputs are current matched to ensure easy and accurate parallel connection of multiple load cells
- Optional ATEX approval available
Capacities: 0.5, 1, 2, 5, 10, 20, 30 t






상품평
아직 상품평이 없습니다.