설명
Hydraulic Actuator Load Cell Model F654
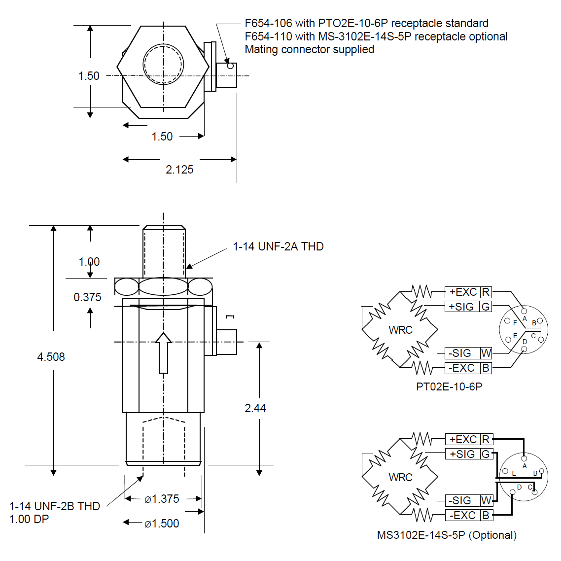
Description
The F654 is designed for use in-line with hydraulic actuators. The F654 sensing element has proved, in actual tests, to be highly resistant to the effects of bending and off-center loading. The F654 is mechanically interchangeable with competitor’s products and is compatible with AC Carrier and DC strain gage signal conditioning electronics.
| Item | Specification |
|---|---|
| Type | Rod Type |
| Fatigue Rated | Yes |
| Application | Tension & Compression |
| Full Scale | 5,000 lbs / 10,000 lbs / 15,000 lbs / 20,000 lbs / 25,000 lbs |
| Output | 2 mV/V |
| Precision | ±0.45 % FS |
| Excitation | 10 V DC / 10 V AC |
| Minimum Temperature | -54 °C |
| Maximum Temperature | 93 °C |



상품평
아직 상품평이 없습니다.