SENSORDATA / T160 Fatigue Rated Coupling Torque Sensor

Sensor Data Technologies Inc.

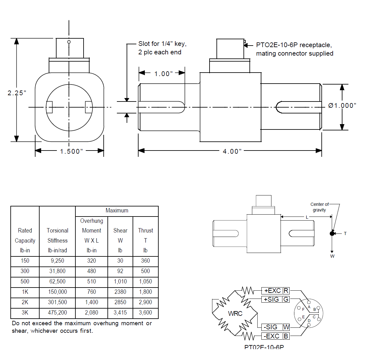
  • Fatigue Rated Coupled Torque Sensor
  • Compact Design
  • Slotted Round Shafts
  • Connection: PT02E-10-6P Connector
  • Mating Connector Supplied
  • High Torsional Stiffness
  • Alloy Steel
브랜드:

설명

T160 Fatigue Rated Coupling Torque Sensor

SensorData’s T160 shaft coupled reaction torque sensor was designed for a wide variety of applications requiring small package size, high torsional stiffness and where there is a small degree of angular rotation or reciprocating motion involved. The T160 with inherent low-end measurement capability can be installed at the driver or absorber end of the measurement chain. Double-keyed shafts on each end assist installation. AC carrier or DC strain gage signal conditioning electronics can be used with the T160.
Interconnecting cable assemblies are available as an option. In-house calibration of the T160 with
SensorData’s electronics will be provided free of charge or with customer-supplied electronics for a fee.

Item Specification
Type Reaction
Full Scale 17 Nm / 56.5 Nm / 113 Nm / 226 Nm / 338 Nm
Output 2 mV/V
Precision ±0.25 % FS
Excitation 10 V DC / 10 V AC
Drive Side Round Shaft with 2 Slots for 1/4″ Key
Test Side Round Shaft with 2 Slots for 1/4″ Key
Minimum Temperature -54 °C
Maximum Temperature 93 °C

상품평

아직 상품평이 없습니다.

“SENSORDATA / T160 Fatigue Rated Coupling Torque Sensor”의 첫 상품평을 남겨주세요