설명
CHM JCSS-calibration-compliant Load cells for force tester
Features
- Suitable for verification of hardness testers (1 N to 2 kN)
- JCSS calibration compatible
- Compact and lightweight construction
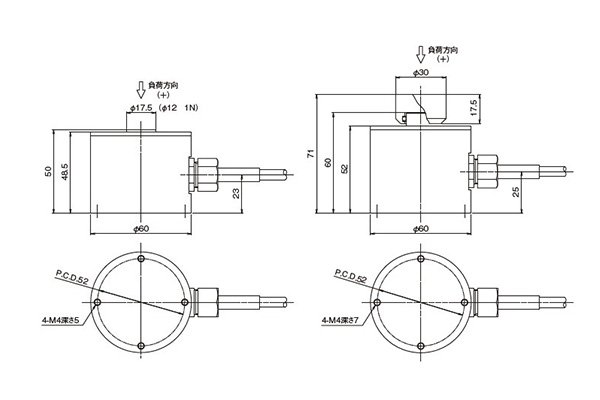
Appearance Dimensions

Model and Capacity / Dimension / etc. (unit : mm)
| Model | Capacity | Weight | Corresponding hardness tester |
|---|---|---|---|
| CHM-1N | 1 N | 580 g | Vickers hardness tester |
| CHM-10N | 10 N | 550 g | Vickers hardness tester |
| CHM-20N | 20 N | 550 g | Vickers hardness tester |
| CHM-50N | 50 N | 550 g | Vickers hardness tester |
| CHM-100N | 100 N | 560 g | Vickers hardness tester |
| CHM-500N | 500 N | 710 g | Rockwell hardness tester |
| CHM-2KN | 2 kN | 890 g | Rockwell hardness tester |
*All products are made-to-order.
Model name and rated capacity and mass
| Model | Capacity | Outer diameter | Height | Weight | Corresponding hardness tester | Publication page |
|---|---|---|---|---|---|---|
| RCF-50KN | 50 kN | φ 60 | 125 mm | 2.4 kg | Brinell hardness tester | Model RCF force transducer load transducer |
| SHU-30KNA | 30 kN | φ 125 | 132 mm ※1 | 6.8 kg | Brinell hardness tester | SHU-A type load cell |
1 Load button ACC-1807 when installed.
Specifications
| Safe Overload | 150 %R.C. |
|---|---|
| Rated Output | 1.5 mV/V±1% |
| Nonlinearity | 0.05 %R.O. |
| Hysteresis | 0.05 %R.O. |
| Repeatability | 0.03 %R.O. |
| Excitation Voltage | 10 V (or less) |
| Safe Excitation Voltage | 15 V |
| Input Rsistance | 350 Ω |
| Output Rsistance | 350 Ω |
| Compensated Temp.Range | -10~60 ℃ |
| Safe Temp.Range | -30~80 ℃ |
| Temp.Effect on Zero | 0.01 %R.O./℃ |
| Temp.Effect on Output | 0.01 %/℃ |
| Cable | Φ6 mm – 4-conductor shielded cable 3 m with tip connector |
| Attached connector | PRC03-12A10-7M |


상품평
아직 상품평이 없습니다.