SHOWA SOKKI / HCW Compression Load Cell

Washer type,Rolling mill & Forging press machine※1

브랜드:

설명

HCW Compression Load Cell

Features

  • Custom made Models in accordance with requirements on capacities, dimensions. and so on.
  • Welded or sealed construction can be selected in accordance with environments where this Model may be installed.
  • Range of offerable capacities: 1MN to 20MN.
  • Applications: For large size rolling mills and forging press machines.
  • Accuracy class: 1%.

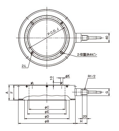
Appearance Dimensions

Model and Capacity / Dimension / etc. (unit : mm)

Model Capacity A B C D E F G H J K L Natural frequency Weight
HCW-1MN 1 MN 64 241 152 188.6 164.6 62 30 49.5 177 10 M8,10 deep 21.9 kHz 8 kg
HCW-2MN 2 MN 70 355 230 295 265 68 34 62.5 280 10 M8,10 deep 19.0 kHz 24 kg
HCW-5MN 5 MN 70 355 230 316 240 68 34 62.5 280 20 M10,15 deep 27.3 kHz 24 kg

 

Specifications

Safe Overload 150 %R.C.
Rated Output 1 mV/V±1%
Nonlinearity 1 %R.O.
Hysteresis 1 %R.O.
Repeatability 0.3 %RO
Excitation Voltage 12 V   (or less)
Safe Excitation Voltage 20 V
Input Rsistance 350 Ω
Output Rsistance 350 Ω
Compensated Temp.Range -10~60 ℃
Safe Temp.Range -30~80 ℃
Temp.Effect on Zero 0.01 %R.O./℃
Temp.Effect on Output 0.01 %/℃
Cable Φ8mm-4wire shielded cable, length : 10m

상품평

아직 상품평이 없습니다.

“SHOWA SOKKI / HCW Compression Load Cell”의 첫 상품평을 남겨주세요