설명
RC Compression Load Cell
Features
- High reliability. For versatile applications.
- An abundant delivery achievement. Low cost.
- Equipped with a spherical base (also with a dropping-out prevention cap).
- A wide range of capacities (10kN to 5MN).
- Accuracy class: 0.15%.
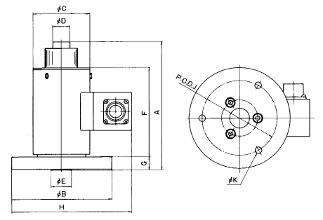
Appearance Dimensions

Model and Capacity / Dimension / etc. (unit : mm)
| Model | Capacity | A | B | C | D | E | F | G | H | J | K | Natural frequency | Weight |
|---|---|---|---|---|---|---|---|---|---|---|---|---|---|
| RC-10KN | 10 kN | 102 | 80 | 45 | 14 | 18 | 71 | 10.5 | 94.5 | 60 | 3- Φ5.5 | 1.3 kHz | 1.4 kg |
| RC-20KN | 20 kN | 102 | 80 | 45 | 14 | 18 | 71 | 10.5 | 94.5 | 60 | 3- Φ5.5 | 5.4 kHz | 1.4 kg |
| RC-50KN | 50 kN | 110 | 80 | 40 | 20 | 15 | 95 | 10.5 | 93 | 65 | 4- Φ6.5 | 9.0 kHz | 1.6 kg |
| RC-100KN | 100 kN | 120 | 100 | 50 | 30 | 21 | 105 | 10.5 | 108 | 80 | 4- Φ8.5 | 8.3 kHz | 2.0 kg |
| RC-200KN | 200 kN | 150 | 120 | 66 | 40 | 30 | 134 | 11 | 126 | 100 | 4- Φ8.5 | 8.1 kHz | 3.2 kg |
| RC-500KN* | 500 kN | 210 | 150 | 98 | 60 | 48 | 185 | 20 | 157 | 125 | 4- Φ10.5 | 4.8 kHz | 13 kg |
| RC-1MN* | 1 MN | 276 | 250 | 143 | 100 | 68 | 245 | 21 | 225 | 190 | 4- Φ13.0 | 3.7 kHz | 30 kg |
| RC-2MN* | 2 MN | 331 | 280 | 170 | 130 | 95 | 296 | 25 | 255 | 220 | 4- Φ13.0 | 3.7 kHz | 46 kg |
| RC-5MN* | 5 MN | 430 | 380 | 242 | 200 | 150 | 383 | 37 | 348 | 320 | 4- Φ15.5 | 2.9 kHz | 122 kg |
* Confirmation to undescribed items to be made with reference to descriptions on instruction manuals or directly to this Company.
* Items with Marks (※1) are produced only on order placed.
Specifications
| Safe Overload | 150 %R.C. |
|---|---|
| Rated Output | 1.5 mV/V±1 % |
| Nonlinearity | 0.2 %R.O. |
| Hysteresis | 0.2 %R.O. |
| Repeatability | 0.1 %R.O. |
| Excitation Voltage | 12 V (or less) |
| Safe Excitation Voltage | 20 V |
| Input Rsistance | 350 Ω |
| Output Rsistance | 350 Ω |
| Compensated Temp.Range | -10~60 ℃ |
| Safe Temp.Range | -30~80 ℃ |
| Temp.Effect on Zero | 0.01 %R.O./℃ |
| Temp.Effect on Output | 0.01 %/℃ |
| Attached connector | Receptacle / PRC03-21A10-7F |
| Attached cable | L-A-5 |


상품평
아직 상품평이 없습니다.