설명
RCB Compression Load Cell
Features
- Highly reliable, general-purpose type
- Ideal for material testing machines
- Extensive delivery record and low costs
- Wide range of rated capacities (50 N to 5 kN)
- Load button for compression included
- Accuracy class: 0.15 %
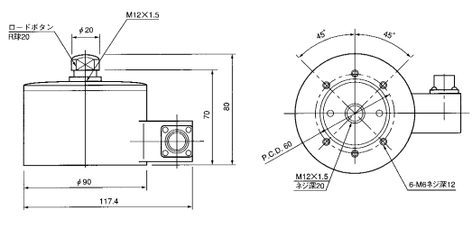
Appearance Dimensions

Model and Capacity / Dimension / etc. (unit : mm)
| Model | Capacity | Natural frequency | Weight |
|---|---|---|---|
| RCB-50N | 50 N | 0.3 kHz | 2.0 kg |
| RCB-100N | 100 N | 0.6 kHz | 2.1 kg |
| RCB-200N | 200 N | 0.9 kHz | 2.1 kg |
| RCB-500N | 500 N | 1.3 kHz | 2.1 kg |
| RCB-1KN | 1 kN | 1.9 kHz | 2.1 kg |
| RCB-2KN | 2 kN | 2.5 kHz | 2.3 kg |
| RCB-5KN | 5 kN | 4.7 kHz | 2.3 kg |
Specifications
| Safe Overload | 150 %R.C. |
|---|---|
| Rated Output | 1.5 mV/V±1 % |
| Nonlinearity | 0.15 %R.O. |
| Hysteresis | 0.15 %R.O. |
| Repeatability | 0.1 %R.O. |
| Excitation Voltage | 10 V (or less) |
| Safe Excitation Voltage | 15 V |
| Input Rsistance | 350 Ω |
| Output Rsistance | 350 Ω |
| Compensated Temp.Range | -10~60 ℃ |
| Safe Temp.Range | -30~80 ℃ |
| Temp.Effect on Zero | 0.01 %R.O./℃ |
| Temp.Effect on Output | 0.01 %/℃ |
| Attached connector | Receptacle / PRC03-21A10-7F |
| Attached cable | L-A-5 |
Note: This type of load cell is only supplied with data for compression testing, but can also be used for tensile testing.
The back data of this type of load cell from our company shows that the tensile and compression sensitivities are almost the same (within 0.2 %), but a tensile load test can be carried out if necessary (at an additional cost).


상품평
아직 상품평이 없습니다.