설명
RCT-M Tension & Compression Load Cell
Features
- Suitable for a wide range of rated capacities (10 N to 500 N)
- Compact and lightweight
- Can be installed in confined spaces
- Accuracy class: 0.1 %
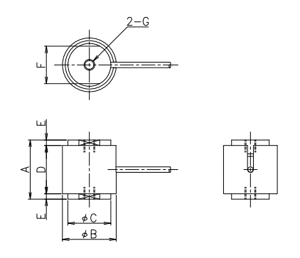
Appearance Dimensions

Model and Capacity / Dimension / etc. (unit : mm)
| Model | Capacity | A | B | C | D | E | F | G | Natural frequency | Weight |
|---|---|---|---|---|---|---|---|---|---|---|
| RCT-10NM | 10 N | 20 | 20 | 16 | 18 | 1 | 14 | M3*0.5,3.5 deep | 2.2 kHz | 9g |
| RCT-20NM | 20 N | 20 | 20 | 16 | 18 | 1 | 14 | M3*0.5,3.5 deep | 3.0 kHz | 9g |
| RCT-50NM | 50 N | 20 | 20 | 16 | 18 | 1 | 14 | M3*0.5,3.5 deep | 5.2 kHz | 10g |
| RCT-100NM | 100 N | 20 | 20 | 16 | 18 | 1 | 14 | M3*0.5,3.5 deep | 8.0 kHz | 10g |
| RCT-200NM | 200 N | 20 | 20 | 16 | 18 | 1 | 14 | M3*0.5,3.5 deep | 6.6 kHz | 21g |
| RCT-500NM | 500 N | 22 | 20 | 16 | 18 | 2 | 14 | M4*0.7,4.5 deep | 11.7 kHz | 24g |
Specifications
| Safe Overload | 120 %R.C. |
|---|---|
| Rated Output | 1.5 mV/V±20% |
| Nonlinearity | 0.1 %R.O. |
| Hysteresis | 0.1 %R.O. |
| Excitation Voltage | 5 V (within) |
| Safe Excitation Voltage | 8 V |
| Input Rsistance | 350 Ω |
| Output Rsistance | 350 Ω |
| Compensated Temp.Range | -10~45 ℃ |
| Safe Temp.Range | -20~60 ℃ |
| Temperature effect on zero point | 0.05 %R.O./℃ |
| Temperature effects on output | 0.05 %/℃ |
| Cable | Φ2 mm 4-core shielded cable 3 m, muki tip |


상품평
아직 상품평이 없습니다.