SHOWA SOKKI / RTD Tension Load Cell

Coaxial beam type, General Purpose

브랜드:

설명

RTD Tension Load Cell

Features

  • All stainless steel (SUS630) made.
  • Filled with inactive gases. Hermetically sealed.
  • Small size. Light weight. The adaptor can be disassembled.
  • Can be used to both tension and compression applications.
  • Main applications: For testing machines and for industrial machines.
  • Accuracy class: 0.15%.

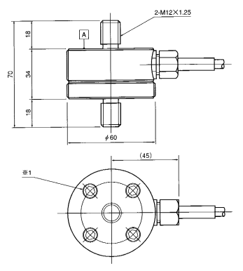
Appearance Dimensions

Model and Capacity / Dimension / etc. (unit : mm)

Model Capacity Natural frequency Weight
RTD-500N 500 N 3.6 kHz 1.0 kg
RTD-1KN 1 kN 5.4 kHz 1.0 kg
RTD-2KN 2 kN 7.8 kHz 1.0 kg
RTD-5KN 5 kN 13 kHz 1.0 kg
RTD-10KN 10 kN 16 kHz 1.1 kg
RTD-20KN 20 kN 23 kHz 1.1 kg

* Number of adaptor clamping screws(※1) is eight in rated capacities of 10kN and 20kN.
* This Model of load cell should be mounted on an intended position in such a manner that its mounting jigs never get into touch with the surface “A”.
Note that the recommended distance between the jigs and the surface “A” will be 0.5 to 1 mm.
* Weight shown in the above list does not include weight of the cables.

Specifications

Safe Overload 150 %R.C.(500 N~10 kN)
  120 %R.C.(20 kN)
Rated Output 2 mV/V±1 %
Nonlinearity 0.15 %R.O.
Hysteresis 0.15 %R.O.
Repeatability 0.1 %R.O.
Excitation Voltage 12 V  (or less)
Safe Excitation Voltage 20 V
Input Rsistance 425 Ω
Output Rsistance 350 Ω
Compensated Temp.Range -10~60 ℃
Safe Temp.Range -30~80 ℃
Temp.Effect on Zero 0.01 %R.O./℃
Temp.Effect on Output 0.01 %/℃
Cable Φ6mm-4wire shielded cable, length : 5m

상품평

아직 상품평이 없습니다.

“SHOWA SOKKI / RTD Tension Load Cell”의 첫 상품평을 남겨주세요